Запчасти Case IH 7240 (3-006) - FUEL INJECTION SYSTEM, 6TA-830 ENGINE, PRIOR TO TRACTOR PIN JJA0064978 (03) - FUEL SYSTEM

Схема запчастей Case IH 7240 - (3-006) - FUEL INJECTION SYSTEM, 6TA-830 ENGINE, PRIOR TO TRACTOR PIN JJA0064978 (03) - FUEL SYSTEM
4
15
14
29
10
24
20
12
25
16
12
30
1
6
11
18
27
19
10
3
8
13
23
13
13
7
10
5
12
13
17
2
22
31
21
28
10
FIT
1:1
100%

Артикул

Название

Примечание

Количество

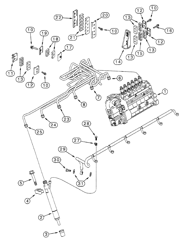
1

J926218

PUMP, FUEL INJECTION

PUMP, INJECTION ASSEMBLY - fuel, new, parts list Figure 3-34

1шт.

1

JR926218

REMAN-INJECTION PUMP

Remanufactured Injection Pump

1шт.

1

JC926218

CORE-INJECTION PUMP

Return Part Number, Injection Pump

1шт.

2

REF

INSTRUCTION

INJECTOR ASSEMBLY - fuel, parts list page 3-43

6шт.

3

J909886

SEAL,16.9mm ID x 22mm OD x 38mm L

SLEEVE - injector

6шт.

4

J910279

CLAMP

fuel injector

6шт.

5

845-8080

BOLT,Hvy Hex, M8 x 80mm, Cl 8.8

6шт.

6

J910749

FUEL TUBE,2 mm ID x 6.4 mm OD x 927.5 mm L

fuel, No. 1 cylinder

1шт.

7

J910750

FUEL TUBE,2 mm ID x 6.4 mm OD x 927.5 mm L

fuel, No. 2 cylinder

1шт.

8

J910751

FUEL TUBE,2 mm ID x 6.4 mm OD x 927.5 mm L

fuel, No. 3 cylinder

1шт.

10

J920854

CAPTIVE WASHER SCREW,HWH, M5 x 0.8 x 24.5mm, Cl 8.8

Replaces J917712 bolt and J903723 washer

9шт.

11

J917716

BRACE

BRACKET - fuel tube

1шт.

12

J904519

SUPPORT

tube retaining

3шт.

13

J917747

CLAMP

fuel tube

6шт.

14

J917776

BRACE

BRACKET - fuel tube

1шт.

15

J917748

CLAMP

fuel tube

1шт.

16

J920854

CAPTIVE WASHER SCREW,HWH, M5 x 0.8 x 24.5mm, Cl 8.8

Replaces J917713 bolt and J903723 washer

2шт.

17

J917717

BRACE

BRACKET - fuel tube

1шт.

18

J917746

CLAMP

fuel tube

2шт.

19

CURJ904711

CLAMP

BRACKET - fuel tube

1шт.

20

J910686

BRACE

tube retaining

1шт.

21

J917749

CLAMP

tube

2шт.

22

J917740

BRACE

tube retaining

1шт.

23

J910752

FUEL TUBE,2 mm ID x 6.4 mm OD x 927.5 mm L

fuel injector, No. 4 cylinder

1шт.

24

J910753

FUEL TUBE,2 mm ID x 6.4 mm OD x 927.5 mm L

fuel injector, No. 5 cylinder

1шт.

25

J910754

FUEL TUBE

fuel injector, No. 6 cylinder

1шт.

27

J903380

SEAL

connector

6шт.

28

J905307

BANJO BOLT,M6 x 1 x 14.30mm

Drain, Special

6шт.

29

J920595

TUBE ASSY.

fuel drain

1шт.

30

J924726

BANJO BOLT

check, replaces J916360 valve

1шт.

31

J918188

WASHER,7.8mm ID x 13.5mm OD x 1.2mm Thk

sealing

2шт.

Выбрано товаров: 31