Запчасти Case IH 7250 (4-044) - RADIO AND SPEAKERS (04) - ELECTRICAL SYSTEMS

Схема запчастей Case IH 7250 - (4-044) - RADIO AND SPEAKERS (04) - ELECTRICAL SYSTEMS
16
15
29
3
6a
1
16
22
17
17
13
6
20
14
2
23
6
21
27
9
13
7
24
15
10
8
28
25
26
14
FIT
1:1
100%

Артикул

Название

Примечание

Количество

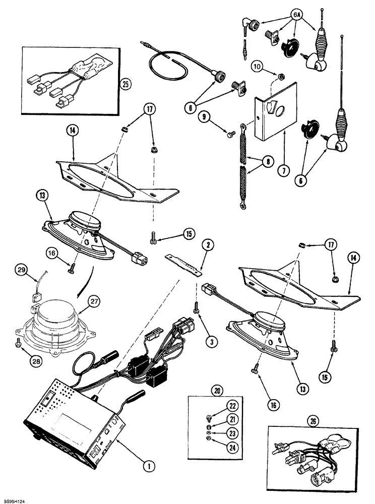
1

141950A2

RADIO

AM-FM stereo, no longer available, order ZAE1000 radio from Ship Direct, replaces 1983602C1 radio

1шт.

1

141951A2

RADIO

AM-FM stereo, with cassette tape player, no longer available, order ZAE3000 radio from Ship Direct, replaces 1983603C1 radio

1шт.

2

97127C3

SUPPORT ASSY.

radio

1шт.

3

1327506C1

SELF-TAP SCREW,Cross Pan Hd, M4.8 x 19mm, Coated

2шт.

6

97080C1

ANTENNA

ASSEMBLY - radio, includes base, mast, cable, and hardware, with straight antenna connector, no longer used, order item 6A antenna

1шт.

6a

191842A2

ANTENNA

ASSEMBLY - radio, includes base, mast, cable, and hardware, with 90 degree antenna connector, if used

1шт.

1987530C1

SCREW

flat head, special, antenna base, not shown

1шт.

7

97073C1

SUPPORT

BRACKET - mounting, antenna

1шт.

8

97074C1

STRAP

ground, antenna

1шт.

9

409-748

BOLT,Hex Flg, 1/4" - 20 x 1/2", Spcl

1шт.

10

231-5144

SERRATED NUT,Flg, USR, 1/4"-20

1шт.

13

245343C3

SPEAKER

radio, 5 x 7 inch, 4 ohm, oval, if used, see note

2шт.

14

97051C1

PLATE ASSY.

speaker support, used with 245343C3 oval speakers, if used

2шт.

15

1327506C1

SELF-TAP SCREW,Cross Pan Hd, M4.8 x 19mm, Coated

If used

8шт.

16

440-11010

SCREW,Phillips Drive, Pan HD, #10 - 24 x 5/8"

If used, replaces 27093R1 screw

8шт.

17

231-51409

SERRATED NUT,Flg, USR, #10-24

If Used

8шт.

20

1964958C1

KIT

radio support

1шт.

21

NSS

NOT SOLD SEPARAT

BUSHING - rubber

1шт.

22

NSS

NOT SOLD SEPARAT

BOLT - hex, 5 x 15 mm

1шт.

23

NSS

NOT SOLD SEPARAT

WASHER - flat, 5 mm

1шт.

24

NSS

NOT SOLD SEPARAT

NUT - hex lock, 5 mm

1шт.

25

1987508C1

SUPPRESSOR

blower frequency

1шт.

26

1987509C1

SUPPRESSOR

wiper frequency

1шт.

27

182721A1

SPEAKER

radio, 5-1/4 inch, round, mounts in rear headliner, if used, see note

2шт.

Part of the Service Kit P/N 220041A1

1шт.

28

363-30812

SCREW,Hex Wash Hd, #8-32 x 3/4"

machine, hex washer head, No. 8 NC x 3/4 inch, mounts 182721A1 speakers to headliner, if used

8шт.

Part of the Service Kit P/N 220041A1

1шт.

29

195551A1

HARNESS

adapter, speakers to headliner harness, used with 182721A1 round speakers, if used, see note

2шт.

Part of the Service Kit P/N 220041A1

1шт.

220041A1

SPEAKER

KIT - service, upgrade, Includes: REF 27, 28 & 29, plus 198738A1 rear headliner on Figure 9-128 and hardware, also instructions

1шт.

Выбрано товаров: 30