Запчасти Case IH 7250 (6-032) - TRANSMISSION CONTROL VALVE ASSEMBLY, BODY SECTION AND BODY PLATE (06) - POWER TRAIN

Схема запчастей Case IH 7250 - (6-032) - TRANSMISSION CONTROL VALVE ASSEMBLY, BODY SECTION AND BODY PLATE (06) - POWER TRAIN
31
48
19
29
11
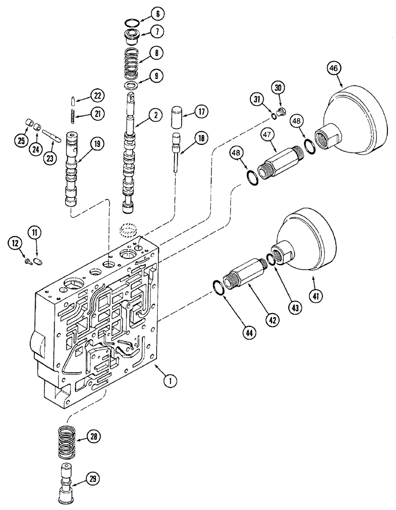
1
2
23
17
48
22
6
25
42
44
41
12
28
21
24
30
9
43
46
18
7
8
47
FIT
1:1
100%

Артикул

Название

Примечание

Количество

103182A1

VALVE, CONTROL

ASSEMBLY - transmission (Without Creeper)

1шт.

103183A1

VALVE, CONTROL

ASSEMBLY - transmission (With Creeper)

1шт.

1

REF

INSTRUCTION

BODY ASSEMBLY - valve, see Figure 6-30

1шт.

2

93145C9

PISTON

SPOOL - forward/reverse

1шт.

6

238-5021

O-RING,0.07" Thk x 0.926" ID, -21, Cl 5, 75 Duro

1шт.

7

1963812C3

INSERT

SEAT - spring

1шт.

8

1963822C1

VALVE SPRING

detent

1шт.

9

1963818C1

WASHER

stop

1шт.

11

94771C2

PIN,10.01mm OD x 16.5mm L

stop, reverse

1шт.

12

94775C1

STOP

pin

1шт.

17

37-11224

DOWEL,3/4" x 1 1/2"

dowel, 3/4 x 1-1/2 inch, hardened, replaces 23097R1 pin

1шт.

18

94798C4

PLUNGER

valve

1шт.

19

1981069C2

SPOOL

selector, 1-3-5

1шт.

21

94783C1

VALVE SPRING

selector, lock pin

1шт.

22

94781C2

LOCK PIN

lock, selector, replaces 94781C1 pin

1шт.

23

1286251C3

PIN

Spool, cam

1шт.

24

K620272

BEARING, NEEDLE,Needle, 6.35mm ID x 11.11mm OD x 7.92mm W

reaction

1шт.

25

1286264C1

SPACER

bearing

1шт.

28

92971C1

VALVE SPRING

flow, sensor

1шт.

29

1286214C2

SPOOL

overlap

1шт.

30

9672438

PLUG,7/16" - 20 ORB

2шт.

31

237-6004

O-RING,0.072" Thk x 0.351" ID, -904, Cl 6, 90 Duro

1шт.

41

117942A1

ACCUMULATOR

RESERVOIR ASSEMBLY - 15 cubic inch, 116 mm (4-9/16 inch) diameter

1шт.

42

1542910C1

FITTING

CONNECTOR - 7/8-14 x 1-1/16-12

1шт.

43

237-6010

O-RING,0.097" Thk x 0.755" ID, -910, Cl 6, 90 Duro

1шт.

44

237-6012

O-RING,0.116" Thk x 0.924" ID, -912, Cl 6, 90 Duro

1шт.

46

117941A1

ACCUMULATOR

RESERVOIR ASSEMBLY - 30 cubic inch, 130 mm (5-1/8 inch) diameter

1шт.

47

116371A1

FITTING

CONNECTOR - 1-1/16-1 2

1шт.

48

237-6012

O-RING,0.116" Thk x 0.924" ID, -912, Cl 6, 90 Duro

2шт.

Выбрано товаров: 29