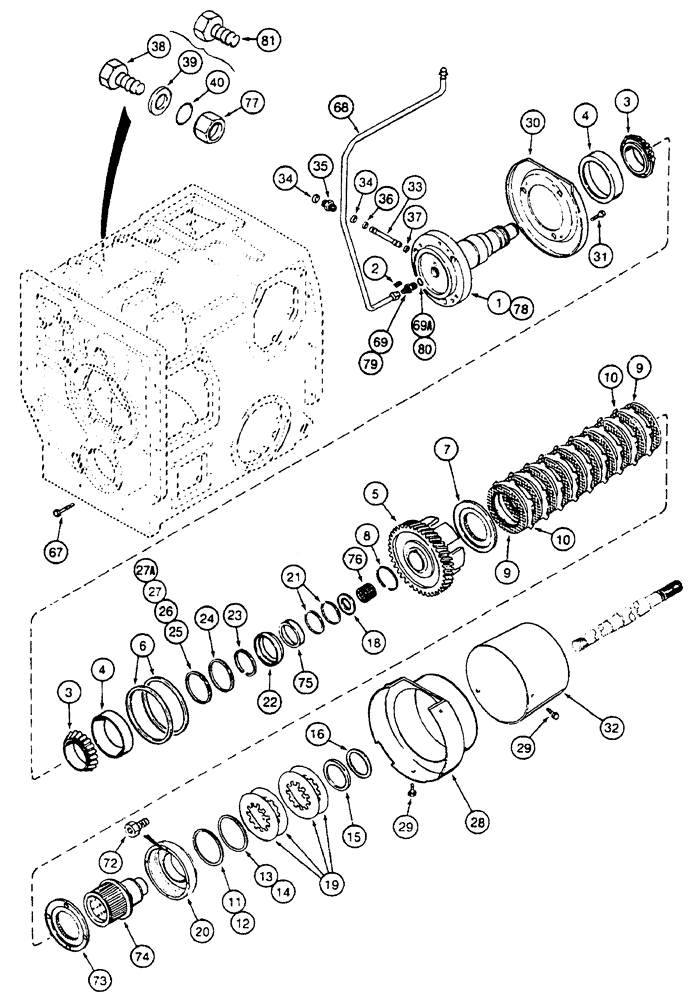
Запчасти Case IH 7250 (6-060) - MECHANICAL FRONT DRIVE (06) - POWER TRAIN

Схема запчастей Case IH 7250 - (6-060) - MECHANICAL FRONT DRIVE (06) - POWER TRAIN
10
34
27a
36
32
20
26
69a
9
33
78
21
72
75
15
81
66
12
3
4
7
4
8
74
19
14
5
29
25
18
23
29
11
39
67
10
35
34
79
6
9
30
73
40
22
13
3
77
38
28
69
2
76
27
31
80
1
24
37
16
FIT
1:1
100%

Артикул

Название

Примечание

Количество

1

1997873C1

SHAFT

Clutch, Used With 3/4 inch Adapter, Item 69, No Longer Available, Order 137221A1 Shaft and 218-5351 Adapter, Items 78 and 79

1шт.

2

877-11010

SET SCREW,Hex, M10 x 10mm

1шт.

3

630694C1

BEARING CONE,64.98mm ID x 105mm OD x 24mm W

Tapered Roller Bearing

2шт.

4

86577049

TAPERED BEARING,65mm ID x 105mm OD x 24mm W

Tapered Roller Bearing

2шт.

5

1997874C1

GEAR

Driven, MFD, 46 Teeth

1шт.

6

101-21412

SNAP RING,#412, 4.430", Int

2шт.

7

128297A1

CLUTCH DISC,98.63mm ID x 142mm OD x 7.5mm Thk

CLUTCH DISK PLATE - Clutch Backing, No Holes, 48 Teeth

1шт.

8

101-11400

SNAP RING,#400, 3.771, Ext

RING - External Retaining, No. 400, External

1шт.

9

128114A1

DISC

Clutch Separator

12шт.

10

1997907C1

PLATE

friction

13шт.

11

92562C1

RING,120.46mm ID x 123.5mm OD x 2.28mm Thk

Seal, Clutch Hub to Actuator

1шт.

12

93138C1

RING,1.78mm Thk x 114.02mm ID, -47, 60 Duro

Piston, Clutch Hub to Actuator

1шт.

13

1997879C1

SEALING RING

RING - Sealing, Clutch Hub to Actuator

1шт.

14

238-7037

O-RING,0.07" Thk x 2.489" ID, -37, Cl 7, 75 Duro

1шт.

15

123135A1

WASHER,69.64mm ID x 92mm OD x 5.45mm Thk

Spring Retainer

1шт.

16

123517A1

RING, SNAP

RING SNAP Retaining, External

1шт.

18

121192A1

THRUST WASHER

1шт.

19

1997880C1

SPRING,70.15mm ID x 155mm OD x 3.5mm Thk

Clutch

4шт.

20

1997877C1

PISTON

ACTUATOR - Clutch

1шт.

21

1997897C1

RING

Sealing

2шт.

22

1997885C1

OIL SEAL

1шт.

23

1997891C1

SNAP RING

Retaining, External

1шт.

24

1277309C1

WASHER,65.25mm ID x 77mm OD x 3mm Thk

RING - Backup

1шт.

25

1997893C1

SHIM,65.5mm ID x 80mm OD x 0.51mm Thk

Bearing

1шт.

26

1997894C1

SHIM,65.5mm ID x 80mm OD x 0.56mm Thk

Bearing

1шт.

27

1997895C1

SHIM,65.5mm ID x 80mm OD x 0.64mm Thk

Bearing

1шт.

27a

138121A1

SHIM,65mm ID x 80mm OD x 0.2mm Thk

1шт.

28

1997923C1

SHIELD

Gear, Front

1шт.

29

782-84413

SELF-TAP SCREW,Hex Flg, M4.8 x 1.6 x 13mm

BOLT - Hex Washer, Self Tapping, 4.8 - 1.6 x 13mm

5-6шт.

30

1997881C1

SHIELD

Gear, Rear

1шт.

31

806-8016

BOLT,Hex, M8 x 1.25 x 16mm, Cl 10.9

BOLT - Hex, Self-Locking, 8 - 1.25 x 16mm, Class 10.9, Locking Insert

3шт.

32

1997924C1

SHIELD

Clutch

1шт.

33

93201C1

TUBE,11 mm DIA x 110 mm L

Inlet, Oil

1шт.

34

238-5013

O-RING,0.07" Thk x 0.426" ID, -13, Cl 5, 75 Duro

2шт.

35

201-102

HYD CONNECTOR,13/16" - 16 Male ORFS x 3/4" - 16 Male ORB

1шт.

36

237-6008

O-RING,0.087" Thk x 0.644" ID, -908, Cl 6, 90 Duro

1шт.

37

238-6014

O-RING,0.07" Thk x 0.489" ID, -14, Cl 6, 90 Duro

1шт.

38

613-16030

BOLT,Hex, M16 x 2 x 30mm, Cl 8.8, Full Thd

Bolt, If Used; May Be Replaced by Item 81 on Some Models, Hex, M16 x 30, 8.8, Full Thd

2шт.

39

896-11016

WASHER,17.5mm ID x 30mm OD x 4mm Thk

If Used

2шт.

40

238-5114

O-RING,0.103" Thk x 0.612" ID, -114, Cl 5, 75 Duro

If Used

2шт.

67

814-10050

BOLT,Hex, M10 x 1.5 x 50mm, Cl 8.8

6шт.

68

124306A1

TUBE,12.7 mm OD, 469, 181 mm Length

TUBE - Lube Supply

1шт.

69

218-5059

HYD CONNECTOR,3/4"-16, 37 Degree x 3/4"-16, O-Ring

ADAPTER - Straight, 3/4-16 inch Flare x O-Ring Boss, Used With 1997873C1 Shaft, Item 1

1шт.

69a

237-6008

O-RING,0.087" Thk x 0.644" ID, -908, Cl 6, 90 Duro

1шт.

72

863-4012

HEX SOC SCREW,M4 x 12mm, Cl 12.9

BOLT - Hex Socket, 4 - 0.7 x 12mm, Class 10.9

4шт.

73

1997876C1

PLATE, THRUST

Clutch Backing, Four Mounting Holes, 48 Teeth

1шт.

1997882C1

HUB

ASSEMBLY - Clutch

1шт.

74

NSS

NOT SOLD SEPARAT

HUB - Clutch

1шт.

75

A13083

NEEDLE BEARING,Needle, 50.8mm ID x 60.33mm OD x 12.7mm W

Needle, Outer, Clutch Hub

1шт.

76

T15025

NEEDLE BEARING,Needle, 31.75mm ID x 38.11mm OD x 19.05mm W

Needle, Inner, Clutch Hub

1шт.

77

829-1316

NUT,M16, Cl 10

2шт.

78

137221A1

SHAFT

Clutch, Used With 9/16 inch Adapter, Item 79

1шт.

79

218-5351

HYD CONNECTOR,3/4"-16, 37 Degree x 9/16"-18, O-Ring

ADAPTER - Straight, 3/4-16 Flare x 9/16-18 inch O-Ring Boss, Used With 137221A1 Shaft, Item 78

1шт.

81

605-16020

BOLT,Hex, M16 x 20mm, Cl 8.8

BOLT - Hex Locking, 16 - 2.0 x 20mm, Replaces Items 38-40 on Some Models

2шт.

80

237-6006

O-RING,0.078" Thk x 0.468" ID, -906, Cl 6, 90 Duro

1шт.

Выбрано товаров: 55