Запчасти Case IH 7250 (8-068) - HYDRAULIC REMOTE VALVE ASSEMBLY, SECOND, THIRD AND FOURTH REMOTE WITH LOAD CHECK (08) - HYDRAULICS

Схема запчастей Case IH 7250 - (8-068) - HYDRAULIC REMOTE VALVE ASSEMBLY, SECOND, THIRD AND FOURTH REMOTE WITH LOAD CHECK (08) - HYDRAULICS
76
71
83
88
75
99
59
63
85
62
54
93
91
87
98
78
96
101
70
72
97
79
52
50
73
100
56
84
61
55
69
58
53
86
80
51
95
64
69
60
94
89
77
95
92
57
FIT
1:1
100%

Артикул

Название

Примечание

Количество

1980450C7

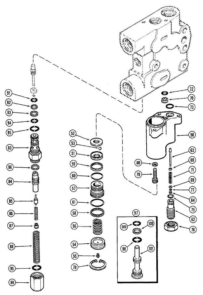
DISTRIBUTOR

VALVE ASSEMBLY - remote hydraulic, continued, if used, see note

1шт.

Before ordering parts, check your valve part number stamped on the valve body See Figures 8-70 - 8-74 for 186761A3 remote valve.

1шт.

1980160C2

SPOOL

DETENT ASSEMBLY - valve, replaces 1980160C1

1шт.

50

1976957C1

COVER ASSY

detent

1шт.

51

G108911

WASHER

detent, ball outer

1шт.

52

G108912

WASHER

detent, ball inner

1шт.

53

211-1007

BALL,7/32" Dia

Gr 24, Chrome alloy steel

8шт.

54

1341975C1

SPRING CUP

RETAINER - detent

1шт.

55

G107780

VALVE, CHECK

PLUG - retainer

1шт.

56

G110152

SPRING

detent

1шт.

G108921

PISTON

ASSEMBLY - detent

1шт.

57

G108908

PISTON

detent

1шт.

58

G108728

BACK-UP RING

large

1шт.

59

G108922

BACK-UP RING

small

1шт.

60

238-6020

O-RING,0.07" Thk x 0.864" ID, -20, Cl 6, 90 Duro

1шт.

61

238-6021

O-RING,15/16 X 1 - 1/16, Cl 6

1шт.

62

G110300

PLUG

adjusting, pilot relief

1шт.

63

G110279

VALVE POPPET

relief

1шт.

64

G110289

BACK-UP RING

1шт.

69

G110281

SPRING CUP

WASHER - retainer

2шт.

70

G108918

ORIFICE

WASHER

1шт.

71

G109275

SPRING

pilot

1шт.

72

238-6011

O-RING,0.07" Thk x 0.301" ID, -11, Cl 6, 90 Duro

1шт.

73

238-6015

O-RING,0.07" Thk x 0.551" ID, -15, Cl 6, 90 Duro

1шт.

75

238-6012

O-RING,0.07" Thk x 0.364" ID, -12, Cl 6, 90 Duro

1шт.

76

425-1510

JAM NUT,Jam, 5/8"-18, G5

Hex

1шт.

77

238-5004

O-RING,0.07" Thk x 0.07" ID, -4, Cl 5, 75 Duro

1шт.

78

100-21118

SNAP RING,1.188", Int, #118

(Replaces A30975)

1шт.

79

61-31016

HEX SOC SCREW,#10 - 24 x 1"

3шт.

80

495-11022

WASHER,5.56mm ID x 11.13mm OD x 1.25mm Thk

(Flat, 7/32" x 7/16" x 3/64")

3шт.

1971801C2

CHECK VALVE

ASSEMBLY - load

1шт.

83

NSS

NOT SOLD SEPARAT

BODY - check

1шт.

84

NSS

NOT SOLD SEPARAT

POPPET - main

1шт.

85

NSS

NOT SOLD SEPARAT

POPPET - pilot

1шт.

86

1957817C1

VALVE SPRING

poppet

1шт.

87

1957964C1

RETAINER

spring

1шт.

88

1957965C1

VALVE SPRING

main

1шт.

89

NSS

NOT SOLD SEPARAT

CAP - load check (order 1971801C2)

1шт.

91

G110295

O-RING,0.07" Thk x 0.426" ID, -13, Cl 6, 90 Duro

poppet

1шт.

92

G110287

BACK-UP RING

inner

1шт.

93

G108727

BACK-UP RING,13.27mm ID x 15.87mm OD x 1.32mm Thk

outer

1шт.

94

238-6014

O-RING,0.07" Thk x 0.489" ID, -14, Cl 6, 90 Duro

1шт.

95

237-6008

O-RING,0.087" Thk x 0.644" ID, -908, Cl 6, 90 Duro

2шт.

96

G108724

BACK-UP RING

1шт.

97

1971475C1

PLUG

lock check

1шт.

98

237-6008

O-RING,0.087" Thk x 0.644" ID, -908, Cl 6, 90 Duro

1шт.

99

G110295

O-RING,0.07" Thk x 0.426" ID, -13, Cl 6, 90 Duro

poppet

1шт.

100

G110287

BACK-UP RING

inner

1шт.

101

NSS

NOT SOLD SEPARAT

PLUG - lock check

1шт.

Выбрано товаров: 49