Запчасти Case IH 7250 (9-010) - QUICK HITCH COUPLER (09) - CHASSIS/ATTACHMENTS

Схема запчастей Case IH 7250 - (9-010) - QUICK HITCH COUPLER (09) - CHASSIS/ATTACHMENTS
22
27
4
9
36
3
10
17
14
11
25
15
24
36
30
31
4
18
32
23
19
28
20
14
16
3
2
13
26
22
34
29
33
12
35
1
FIT
1:1
100%

Артикул

Название

Примечание

Количество

1348143C3

ATTACHMENT

COUPLER - hitch attatchment, order from Machinery Price List, if used, Category III (If Equipped)

1шт.

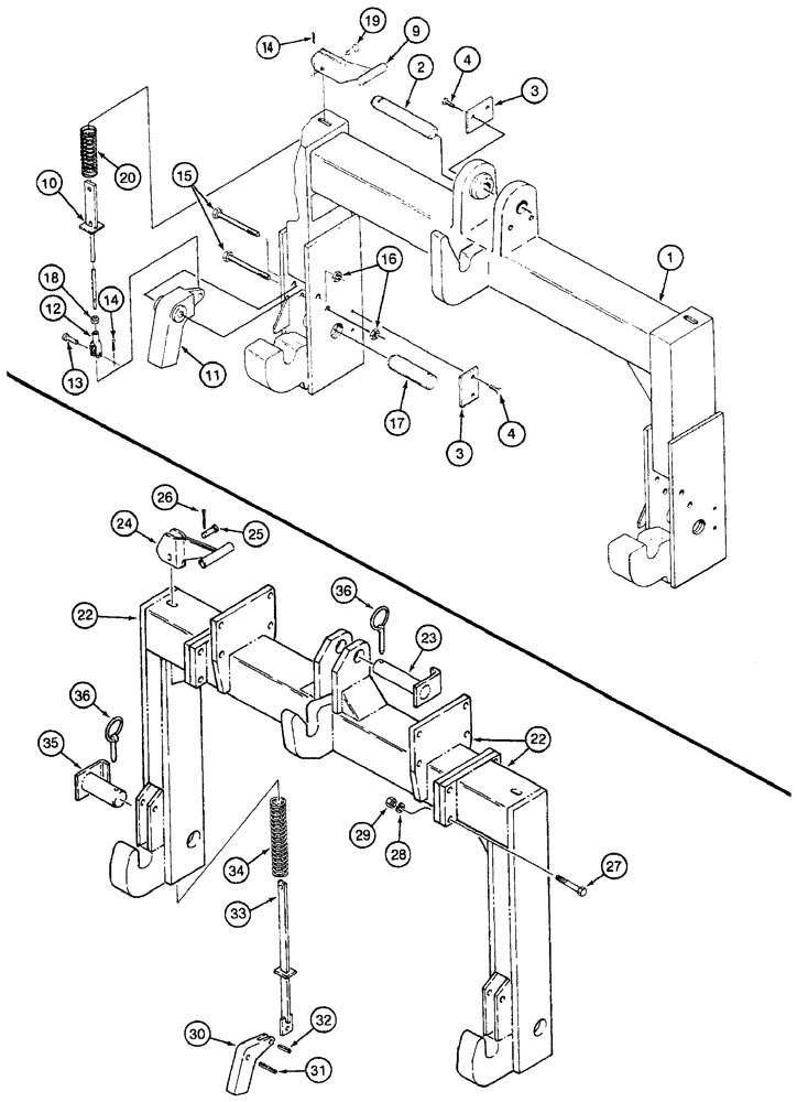
1

70-6430T1

ATTACHMENT

HITCH - quick attachment, coupler, Category III (If Equipped)

1шт.

2

70-6452T1

PIN

mounting, 4-15/16 inch long, center link, replaces 70-4256T1 (6-3/4) inch long, Category III (If Equipped)

1шт.

3

70-3082T2

LARGE PLATE

PLATE, LARGE BLOCK - pin retaining, Category III (If Equipped)

3шт.

4

426-816

BOLT,Hex, 1/2" - 13 x 1", Gr 8

Category III (If Equipped)

6шт.

9

70-4320T1

HANDLE

hitch release, Category III (If Equipped)

2шт.

10

70-4324T1

THREADED ROD

LINK - hitch release, Category III (If Equipped)

2шт.

11

70-6310T2

TRIGGER

LATCH - hitch release, replaces 70-6310T1 latch, Category III (If Equipped)

2шт.

12

213-126

ADJUSTABLE CLEVIS,3/8"-24 x 2 1/2"

Category III (If Equipped)

2шт.

13

427-6106

CLEVIS PIN,9.53mm OD x 26.92mm L

Category III (If Equipped)

2шт.

14

432-616

COTTER PIN,3/32" x 1"

Category III (If Equipped)

4шт.

15

426-1072

BOLT,Hex, 5/8" - 11 x 4-1/2", Gr 8

Category III (If Equipped)

4шт.

16

232-41110

NUT,5/8"-11, GC

Category III (If Equipped)

4шт.

17

70-4293T1

PIN,36.5mm OD x 125.73mm L

lower hitch, Category III (If Equipped)

2шт.

18

425-156

JAM NUT,Jam, 3/8"-24, G5

Category III (If Equipped)

2шт.

19

19-5423

CLEVIS PIN

3/8 x 7/8", Category III (If Equipped)

2шт.

20

70-4340T1

COMPRESSION SPRING

Category III (If Equipped)

2шт.

21

321-3339

DECAL

Warning, be certain both latches are fully engaged across the implement lift pins, shown on Figure 9-150, Category III (If Equipped)

1шт.

229856A1

FAST HITCH

COUPLER - attachment, if used, 7230 Models (If Equipped)

1шт.

22

NSS

NOT SOLD SEPARAT

FRAME - coupler, 7230 Models (If Equipped)

1шт.

23

229035A1

PIN

upper link, 7230 Models (If Equipped)

1шт.

24

64715C1

HANDLE

hitch release, 7230 Models (If Equipped)

2шт.

25

427-5112

CLEVIS PIN,5/16" x 1 1/8"

7230 Models (If Equipped)

2шт.

26

432-612

COTTER PIN,3/32" x 3/4"

7230 Models (If Equipped)

2шт.

27

326-840

BOLT,Hex, 1/2" - 13 x 2-1/2", Gr 8

7230 Models (If equipped)

8шт.

28

392-11050

LOCK WASHER,1/2"

7230 Models (if equipped)

8шт.

29

329-108

NUT,1/2"-13, G8

7230 Models (If Equipped)

8шт.

30

229992A1

LUG

LATCH - hitch release, 7230 Models (If Equipped)

2шт.

31

229990A1

COILED PIN

roll, 1/2 x 2 inch, 7230 Models (If Equipped)

2шт.

32

229993A1

COILED PIN

roll, 5/16 x 1 inch, 7230 Models (If Equipped)

2шт.

33

229994A1

THREADED ROD

LINK - hitch release, 7230 Models (If Equipped)

2шт.

34

64717C1

SPRING

compression, 7230 Models (If Equipped)

2шт.

35

229034A1

PIN

lower link, 7230 Models (If Equipped)

2шт.

36

D33805

PIN

locking, 7230 Models (If Equipped)

3шт.

37

321-3339

DECAL

Warning, be certain both latches are fully engaged across the implement lift pins, shown on Figure 9-150, 7230 Models (If Equipped)

2шт.

Выбрано товаров: 35