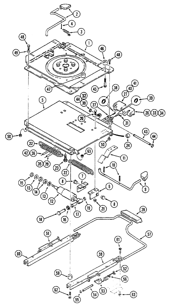
Запчасти Case IH 7250 (9-090) - DELUXE AIR SUSPENSION SEAT, SWIVEL PLATE AND SLIDES, TRACTOR PIN JJA0061559 AND AFTER (09) - CHASSIS/ATTACHMENTS

Схема запчастей Case IH 7250 - (9-090) - DELUXE AIR SUSPENSION SEAT, SWIVEL PLATE AND SLIDES, TRACTOR PIN JJA0061559 AND AFTER (09) - CHASSIS/ATTACHMENTS
32
53
40
44
26
13
9
52
12
11
10
47
42
44
36
35
20
21
46
63
34
51
57
1
18
8
27
19
50
37
33
3
13
29
6
43
5
7
60
23
39
24
49
14
16
17
58
61
28
41
22
55
45
22
59
4
31
56
30
38
48
54
48
62
2
8
63
15
50
FIT
1:1
100%

Артикул

Название

Примечание

Количество

1999936C3

SEAT ASSY.

deluxe air suspension, parts list Figures 9-86 - 9-98

1шт.

132861A3

SUPPORT ASSY.

KIT - suspension, service, parts list also on Figures 9-94 - 9-98, replaces 132861A1 and 132861A2 suspension kits

1шт.

1

134148A1

SEAT SUPPORT

PLATE - swivel, complete

1шт.

2

135511A1

ROD, ADJUSTMENT

ROD, ADJUSTING swivel, includes knob

1шт.

3

A47375

SPRING

detent

1шт.

4

NSS

NOT SOLD SEPARAT

PIN - cotter

1шт.

5

132878A3

ISOLATOR

PLATE - lateral isolator, complete

1шт.

278434A1

SET OF PARTS

KIT - lateral isolator control, includes (4) nuts, item 21

1шт.

6

NSS

NOT SOLD SEPARAT

BRACKET - latch mount, right-hand

1шт.

7

NSS

NOT SOLD SEPARAT

BRACKET - latch mount, left-hand

1шт.

8

253593A1

BEARING

isolator rod

2шт.

9

135510A2

ROD, ADJUSTMENT

ROD, ADJUSTING isolator, includes knob

1шт.

10

38-31012

PIN,3.96mm OD x 19.05mm L, Coiled

2шт.

11

1344026C1

SPRING

latch

1шт.

1987219C2

SET OF PARTS

KIT - lateral isolator shock, includes shock absorber, (1 ) bearing, (2) bushings, (1) nut, (2) washers, (1) spacer and (1) retaining ring

1шт.

12

NSS

NOT SOLD SEPARAT

ABSORBER - shock

1шт.

13

495-11041

WASHER,0.406" ID x 0.812" OD x 0.065" W

Flat, (13/32 x 13/16 x 1/16")

2шт.

14

NSS

NOT SOLD SEPARAT

BUSHING - rubber

2шт.

15

230-4715

LOCK NUT,5/16"-24, GA

Hex

1шт.

16

NSS

NOT SOLD SEPARAT

SPACER - shock mount

1шт.

17

NSS

NOT SOLD SEPARAT

BEARING - shock mount

1шт.

18

1344025C1

PIVOT PIN

clevis, shock mount

1шт.

19

100-3350

SNAP RING,#50, .392" Dia, E-Type

1шт.

20

433-512

CARRIAGE BOLT,Sq Nk, 5/16" - 18 x 3/4", Gr 5

4шт.

21

230-4215

NUT,5/16"-18, GA

4шт.

1987290C1

SET OF PARTS

KIT - spring, lateral isolator, includes (2) springs and (1) bolt

1шт.

22

NSS

NOT SOLD SEPARAT

SPRING - lateral

2шт.

23

413-816

BOLT,Hex, 1/2" - 13 x 1", Gr 5

1шт.

135512A3

PACKAGE

KIT - roller bearing, isolator, includes (4) narrow rollers, (2) wide rollers, (1) bushing, (1) spacer and (1) retaining ring

1шт.

24

NSS

NOT SOLD SEPARAT

ROLLER - bearing, narrow

4шт.

25

NSS

NOT SOLD SEPARAT

ROLLER - bearing, wide, not shown

2шт.

134143A1

SET OF PARTS

KIT - control knob

1шт.

26

NSS

NOT SOLD SEPARAT

KNOB - damping adjustment

1шт.

27

NSS

NOT SOLD SEPARAT

KNOB - fore/aft isolator

1шт.

28

180587A1

HANDLE

KNOB - slide control, fore/aft

1шт.

132870A1

SET OF PARTS

KIT - isolator lock cable

1шт.

29

NSS

NOT SOLD SEPARAT

CABLE - isolator lock

1шт.

30

NSS

NOT SOLD SEPARAT

RING - retaining

2шт.

31

NSS

NOT SOLD SEPARAT

RIVET -

1шт.

32

NSS

NOT SOLD SEPARAT

RING - retaining

2шт.

33

NSS

NOT SOLD SEPARAT

SPRING - compression

2шт.

34

NSS

NOT SOLD SEPARAT

BEARING - ball

2шт.

35

L18337

CABLE TIE,9.95"-12.1" lg

CABLE STRAP tie, 15 inch

3шт.

132869A1

KIT

KIT - ride firmness control

1шт.

36

NSS

NOT SOLD SEPARAT

CABLE - shock adjust

1шт.

37

231-1444

NUT,1/4"-20, GB

2шт.

38

NSS

NOT SOLD SEPARAT

RING - retaining

2шт.

39

NSS

NOT SOLD SEPARAT

RING - retaining

2шт.

40

NSS

NOT SOLD SEPARAT

SPRING - compression

2шт.

41

NSS

NOT SOLD SEPARAT

BEARING - ball

2шт.

42

L18337

CABLE TIE,9.95"-12.1" lg

CABLE STRAP tie, 15 inch

3шт.

175088A1

PACKAGE

KIT - retainer, and detent spring, also includes (2) each of items 32, 33 and 34

1шт.

43

NSS

NOT SOLD SEPARAT

PIN - control knob pivot

1шт.

44

NSS

NOT SOLD SEPARAT

RING - retaining, 5/16 E-ring

2шт.

45

413-532

BOLT,Hex, 5/16" - 18 x 2", Gr 5

4шт.

46

187006A1

CUP

SPACER - cupped

2шт.

47

700711545

CUP WASHER

SPACER - cupped

2шт.

48

413-510

BOLT,Hex, 5/16" - 18 x 5/8", Gr 5

4шт.

49

495-11034

WASHER,5/16", SAE

(flat, 11/32 x 11/16 x 1/16")

2шт.

50

231-4115

NUT,5/16"-18, GB

4шт.

51

135513A1

SPRING

torsion

1шт.

52

135514A1

SPRING

torsion

1шт.

53

NSS

NOT SOLD SEPARAT

BLOCK - spring

2шт.

54

NSS

NOT SOLD SEPARAT

PIN - torsion

2шт.

55

100-3325

SNAP RING,#25, .207" Dia, E-Type

2шт.

56

131-413

PUSH-ON NUT,Rd Flat Push, 1/4" x 17/32"

push-on type, 1/4 x 17/32 inch

2шт.

57

134146A1

CONTROL LEVER

slide control

1шт.

58

134144A1

SPACER

plate

4шт.

132875A1

SLIDE

KIT - seat slide

1шт.

59

NSS

NOT SOLD SEPARAT

SLIDE - locking, right-hand

1шт.

60

NSS

NOT SOLD SEPARAT

SLIDE - locking, left-hand

1шт.

61

117-109

SQUARE BOLT,5/18" - 16 x 3/4", Gr 5

4шт.

62

413-520

BOLT,Hex, 5/16" - 18 x 1-1/4", Gr 5

hex, 5/16 NC x 1-1/4 inch

4шт.

63

230-4215

NUT,5/16"-18, GA

8шт.

Выбрано товаров: 74