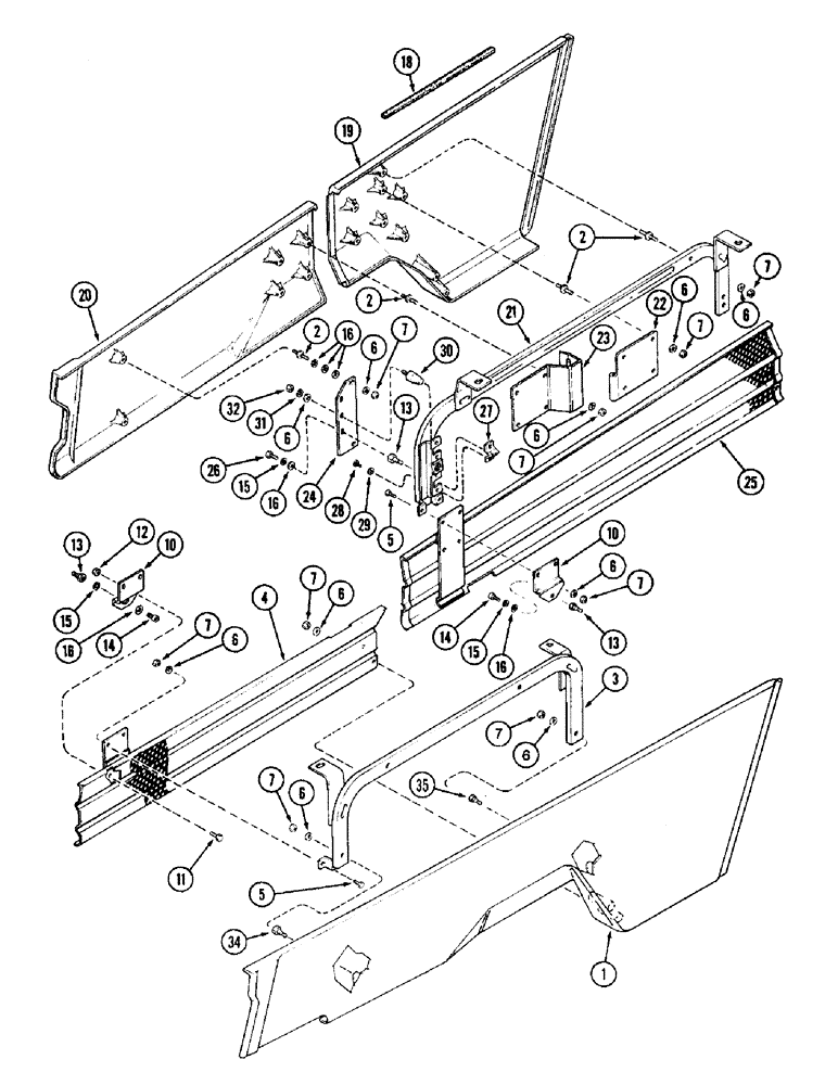
Запчасти Case IH 8910 (9-024) - HOOD LOWER SIDE PANELS, AND SCREENS (09) - CHASSIS/ATTACHMENTS

Схема запчастей Case IH 8910 - (9-024) - HOOD LOWER SIDE PANELS, AND SCREENS (09) - CHASSIS/ATTACHMENTS
4
16
16
24
7
15
13
21
10
6
7
7
22
6
6
6
32
26
34
2
31
7
6
7
6
6
12
5
7
10
25
7
29
14
35
6
15
2
14
27
1
13
16
20
28
5
16
23
7
6
3
18
6
2
13
15
7
30
11
19
FIT
1:1
100%

Артикул

Название

Примечание

Количество

1

128014A1

PANEL ASSY.

hood, screen, lower right side, Includes: Ref. 36

1шт.

2

1968127C1

STUD

1/4 inch NC

1шт.

3

122967A1

SUPPORT

side panel, right-hand

1шт.

4

1960793C5

PROTECTION PLATE

SCREEN - hood, side, right-hand

1шт.

5

413-412

BOLT,Hex, 1/4" - 20 x 3/4", Gr 5

1шт.

6

495-21031

WASHER,1/4"

flat, 5/16 x 3/4 x 1/16 inch

1шт.

7

231-1444

NUT,1/4"-20, GB

1шт.

7

131-1418

LOCK NUT,1/4"-20, Thin

light hex, self-locking, 1/4 inch NC, right-hand side screen to lower right-hand side panel and support tube

4шт.

10

1960849C1

BRACKET

screen latch outer

2шт.

11

614-6016

BOLT,Hex, M6 x 1 x 16mm, Cl 8.8, Full Thd

2шт.

12

825-2406

FLANGE NUT,M6 x 1, Cl 8.8

2шт.

13

1348465C1

BALL STUD,#10 - 32

rear side panel latch

1шт.

14

463-61010

SCREW,Hex, #10 - 32 x 5/8"

2шт.

15

493-21020

LOCK WASHER,Int Tooth, #10

(3/16")

1шт.

16

495-31022

WASHER,#10

1шт.

18

252764A1

SEAL

lower side panels, top, 15-3/16 inch (386 mm) long, cut from P/N 252768A1 bulk seal

2шт.

19

195934A1

PANEL ASSY.

screen, hood, front low, includes Ref. 36 strip

1шт.

20

1289399C3

PANEL ASSY.

hood, left-hand rear lower side

1шт.

21

122969A1

SUPPORT

side panel, left-hand

1шт.

22

194873A1

HINGE

side panel, front, left-hand

1шт.

23

192284A1

HINGE

side panel, rear, left-hand

1шт.

24

1968038C3

SUPPORT ASSY.

latch outer

1шт.

25

1960792C5

PROTECTION PLATE

SCREEN - hood side, left

1шт.

26

463-61010

SCREW,Hex, #10 - 32 x 5/8"

2шт.

27

1960763C3

LATCH

RECEIVER - rear side panel, stud, left-hand

2шт.

28

260-5448

SELF-TAP SCREW,Cross Pan Hd, #8 x 1/2"

Phillips

4шт.

29

495-21019

WASHER,#8

4шт.

30

A149863

GUIDE

left-hand rear side panel

1шт.

31

492-11025

LOCK WASHER,1/4"

1шт.

32

425-104

NUT,1/4"-20, Cl 5

1шт.

34

1348552C1

STUD,9/32" - 16 x 0.7"

mounting, lower side panel

1шт.

35

1348465C1

BALL STUD,#10 - 32

rear side panel latch

2шт.

36

1348479C1

FOAM

STRIP - wear, 517 mm (20-3/8 inch) long, not shown, cut from P/N 1348532C1X bulk strip

2шт.

Выбрано товаров: 33