Запчасти Case IH 8910 (9-038) - CAB, CONTROL CONSOLE, 193925A1 TRANSMISSION AND HITCH CONTROL COVER (09) - CHASSIS/ATTACHMENTS

Схема запчастей Case IH 8910 - (9-038) - CAB, CONTROL CONSOLE, 193925A1 TRANSMISSION AND HITCH CONTROL COVER (09) - CHASSIS/ATTACHMENTS
9
38
25
5
23
26
11
3
25
25
30
34
24
4
35
40
37
18
1
29
9
10
19
22
20
2
25
12
36
33
41
16
9
17
FIT
1:1
100%

Артикул

Название

Примечание

Количество

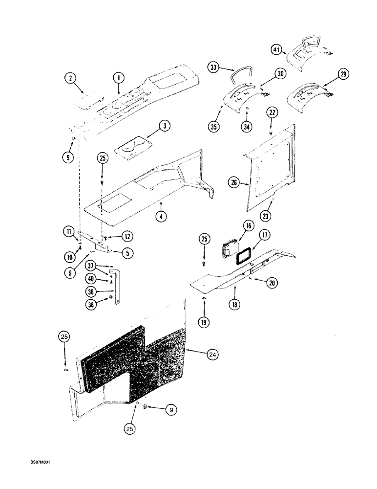
1

193925A1

COVER ASSY

transmission and hitch control, Includes: Ref. 1B, 1C and 1D, tractors with electronically operated PTO

1шт.

1b

96998C1

LENS

indicator lamp, amber, not shown

1шт.

1c

1283150C1

RETAINER

indicator lamp lens, not shown

1шт.

1d

97279C1

RETAINER

cap, not shown

1шт.

2

96730C3

DOOR

hitch operation

1шт.

3

1344244C1

TRAY

utility

1шт.

245918C1

LENS

PLUG - rectangular, blanking, rocker switch, not shown

1шт.

4

96724C3

COVER

remote

1шт.

5

96899C1

BRACKET

cover support

1шт.

6

1342054C1

PLASTIC PLUG

INSERT - plastic, black, blanking, without hitch or draft control switches, not shown

2шт.

9

96900C1

SPRING NUT,U, #10-16, Panel type

1шт.

10

490-1108

SCREW,Cross Pan Hd, #10-32 x 1/2"

10шт.

11

495-31022

WASHER,#10

10шт.

12

97006C1

BOLT,Hex, M6 x 20mm, Cl 8.8

hex flange, special, 6 - 1 x 20 mm, polyseal

2шт.

16

97000C1

ASH TRAY

receiver

1шт.

17

97042C1

GASKET

ash tray

1шт.

18

96723C2

PANEL ASSY.

corner

1шт.

19

495-11053

WASHER,1/2", SAE

(17/32" x 1-1/16" x 3/32")

2шт.

20

1958720C1

STUD

panel retaining

2шт.

22

96956C2

BUTTON

KNOB - cover panel retaining

1шт.

23

1971363C1

RETAINER

bolt

1шт.

24

123399A1

PANEL

right-hand side console, includes pad

1шт.

25

1975919C1

SELF-TAP SCREW

special, No. 10-16 x 1 inch, black

1шт.

25

1990951C1

CAPTIVE WASHER SCREW,Phillips Drive, Pan HD, #10 - 16 x 9/16"

Phillips washer, No. 10-16 x 5/8 inch, gray

1шт.

25

1990952C1

CAPTIVE WASHER SCREW,Phillips Drive, Pan HD, M16 x 1 x 25.4mm

Phillips washer, No. 10-16 x 1 inch, gray

1шт.

25

1990953C1

SELF-TAP SCREW

Phillips washer, No. 10-24 x 1 inch, gray

1шт.

26

1990565C1

PANEL ASSY.

operator manual

1шт.

29

1981941C3

LARGE PLATE

PLATE, LARGE shift selector, without creeper, without manual shuttle shift

1шт.

30

1981942C4

LARGE PLATE

PLATE, LARGE shift selector with creeper, without manual shuttle shift

1шт.

33

96578C4

ROD

rest, shift selector

1шт.

34

614-6016

BOLT,Hex, M6 x 1 x 16mm, Cl 8.8, Full Thd

6шт.

35

614-6012

BOLT,Hex, M6 x 1 x 12mm, Cl 8.8, Full Thd

4шт.

36

1974696C1

BRACKET

console support

1шт.

37

495-11034

WASHER,5/16", SAE

(Flat, 11/32 x 11/16 x 1/16"), Replaces P/N 895-11008

2шт.

38

829-1408

NUT,Hex, M8 x 1.25, Cl 10.9

1шт.

40

490-11010

SCREW,Cross Pan Hd, #10-32 x 5/8"

1шт.

41

291434A1

LARGE PLATE

PLATE, LARGE shift selector, with and without creeper, with manual shuttle shift

1шт.

Выбрано товаров: 37