Запчасти Case IH 8920 (6-018) - TRANSMISSION, RANGE HOUSING (06) - POWER TRAIN

Схема запчастей Case IH 8920 - (6-018) - TRANSMISSION, RANGE HOUSING (06) - POWER TRAIN
29
31
16
13
35
3
30
15
11
10
20
24
36
32
5
6
33
12
17
14
21
1
7
40
28
34
2
FIT
1:1
100%

Артикул

Название

Примечание

Количество

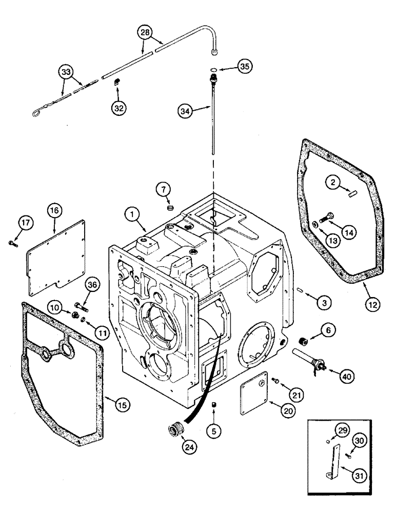
1

125806A1

HOUSING

ASSEMBLY - range, transmission, no longer offered, order: P/N 304473A2 housing below, Includes: Ref. 2 thru 7

1шт.

1

304473A2

HOUSING

ASSEMBLY - range, transmission, Includes: Ref. 2 thru 7

1шт.

2

837-16035

DOWEL,M16 x 35

PIN - 16 x 35 mm, hardened

4шт.

3

837-12025

DOWEL,M12 x 25

PIN dowel, 12 x 25 mm, hardened

2шт.

5

192792A1

PLUG

square countersunk, 3/4 - 14 inch thread

1шт.

6

221-847

PLUG,Hex Soc, 1 1/4"-11 1/2

square socket headless, 1-1/4 inch PT, without heater, used with P/N 125806A1 housing

1шт.

6

327080A1

PLUG,Hdls Sq Skt Pipe,1 1/4" NPTF, W/ Sealant

1-1/4 inch PT, used with P/N 304473A2 housing

1шт.

7

41-1618

PLUG,Cup, 1 1/8", Stainless

cup, 1-1/8 inch diameter, without hitch

1шт.

10

214389

PLUG,3/4" - 16 ORB

without MFD, Includes Ref. 11 Hex Hd, 3/4"-16 ORB

1шт.

11

237-6008

O-RING,0.087" Thk x 0.644" ID, -908, Cl 6, 90 Duro

8-1, 90 Duro, .644" ID x .087" Thk

1шт.

12

87390949

GASKET,0.79mm Thk

housing

1шт.

13

896-11016

WASHER,17.5mm ID x 30mm OD x 4mm Thk

12шт.

14

813-16060

BOLT,Hex, M16 x 2 x 60mm, Cl 8.8

10шт.

14

828-16080

BOLT,Hex, M16 x 2 x 80mm, Cl 10.9

Replaces P/N 814-16070 Hex, M16 x 80, 10.9

2шт.

15

92821C2

GASKET,0.79mm Thk

housing

1шт.

16

93364C1

COVER

access

1шт.

17

628-10025

BOLT,Hex, M10 x 1.5 x 25mm, Cl 10.9, Full Thd

Replaces P/N 615-10025 Hex, M10 x 25, 10.9, Full Thd

12шт.

20

1976744C2

COVER ASSY

COVER opening

1шт.

21

613-10020

BOLT,Hex, M10 x 1.5 x 20mm, Cl 8.8, Full Thd

- hex, full threads, 10 - 1.5 x 20 mm

4шт.

24

301533R1

NEEDLE BEARING,Needle, 44.44mm ID x 53.96mm OD x 38.1mm W

BEARING front, pinion shaft

1шт.

28

1340584C1

HYD TUBE,1" OD, 1063, 240 mm Length

TUBE dipstick

1шт.

29

825-1406

NUT,M6, Cl 8

1шт.

30

614-6020

BOLT,Hex, M6 x 1 x 20mm, Cl 8.8, Full Thd

Full threads Hex, M6 x 20, 8.8

1шт.

31

1342132C1

SUPPORT

BRACKET - dipstick, with hitch

1шт.

31

1342155C1

SUPPORT

BRACKET - dipstick, without hitch

1шт.

32

515-21127

CLAMP,1/2", Insul, 1/4" Bolt

P-type 1/2", Insul, 1/4" Bolt

1шт.

33

1342137C2

DIPSTICK

oil level

1шт.

34

1968044C2

TUBE,250 mm Length

dipstick, internal

1шт.

35

238-6014

O-RING,0.07" Thk x 0.489" ID, -14, Cl 6, 90 Duro

1шт.

36

605-16020

BOLT,Hex, M16 x 20mm, Cl 8.8

- hex, locking, 16 - 2.0 x 20 mm

2шт.

40

536850R1

HEATER

ASSEMBLY - oil, transmission

1шт.

Выбрано товаров: 31