Запчасти Case IH 8920 (6-024) - TRANSMISSION, INTERNAL CONTROL (06) - POWER TRAIN

Схема запчастей Case IH 8920 - (6-024) - TRANSMISSION, INTERNAL CONTROL (06) - POWER TRAIN
37
3
21
16
26
22
4
28
31
14
23
36
6
13
27
24
1
17
35
33
25
32
20
12
34
30
15
FIT
1:1
100%

Артикул

Название

Примечание

Количество

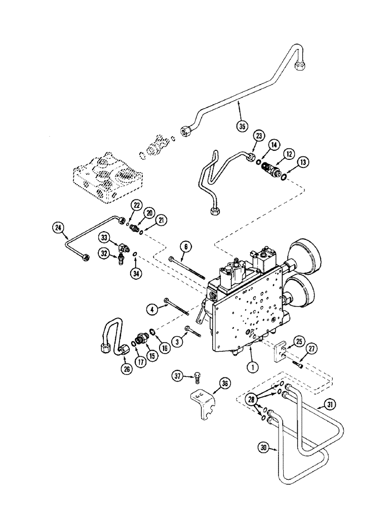
1

103182A1

VALVE, CONTROL

VALVE ASSEMBLY - transmission control, without creeper, see Figures 6-028 thru 6-038

1шт.

1

103183A1

VALVE, CONTROL

VALVEASSEMBLY - transmission control, with creeper, see Figures 6-028 thru 6-038

1шт.

3

814-10045

BOLT,Hex, M10 x 1.5 x 45mm, Cl 8.8

- hex, 10 - 1.5 x 45 mm, See Figure 6-038

3шт.

4

828-8120

BOLT,Hex, M8 x 1.25 x 120mm, Cl 10.9

- hex, 8 - 1.25 x 120 mm, class 10.9, see Figure 6-038

3шт.

4

828-8140

BOLT,Hex, M8 x 1.25 x 140mm, Cl 10.9

- hex, 8 - 1.25 x 140 mm, class 10.9, see Figure 6-038

8шт.

6

814-10175

SCREW,Hex, M10 x 1.5 x 175mm, Cl 8.8

BOLT - hex, 10 - 1.5 x 175 mm, see Figure 6-038

2шт.

12

201-306

90 ELBOW,90 Degree Elbow, 1" - 14 Male ORFS x 7/8" - 14 Male ORB

90 degree, 1-14 face seal x 7/8-14 inch adj O-ring boss, Includes: Ref. 13 and 14

1шт.

13

237-6010

O-RING,0.097" Thk x 0.755" ID, -910, Cl 6, 90 Duro

3/4 ID x 3/32 inch wide

1шт.

14

238-6016

O-RING,0.07" Thk x 0.614" ID, -16, Cl 6, 90 Duro

1шт.

15

201-103

HYD CONNECTOR,1" - 14 Male ORFS x 7/8" - 14 Male ORB

CONNECTOR, HYD., , Includes Ref. 16 and 17 1"-14 ORFS x 7/8"-14 ORB

1шт.

16

237-6010

O-RING,0.097" Thk x 0.755" ID, -910, Cl 6, 90 Duro

3/4 ID x 3/32 inch wide

1шт.

17

238-6016

O-RING,0.07" Thk x 0.614" ID, -16, Cl 6, 90 Duro

1шт.

20

201-101

HYD CONNECTOR,11/16" - 16 Male ORFS x 9/16" - 18 Male ORB

Adapter - straight, with creeper, Incl Ref. 21 and 22 11/16"-16 ORFS x 9/16"-18 ORB

1шт.

21

237-6006

O-RING,0.078" Thk x 0.468" ID, -906, Cl 6, 90 Duro

6-1, 90 Duro, .468" ID x .078" Thk

1шт.

22

238-6012

O-RING,0.07" Thk x 0.364" ID, -12, Cl 6, 90 Duro

1шт.

23

1968016C2

HYD TUBE

TUBE inlet

1шт.

24

1968170C2

HYD TUBE

TUBE jumper, with creeper

1шт.

25

1342600C2

ANCHOR

RETAINER - tube

1шт.

26

1348287C1

HYD TUBE,0.625" OD, 399.7, 343.5 mm Length

TUBE clutch, master

1шт.

27

863-10040

HEX SOC SCREW,M10 x 40mm, Cl 12.9

SCREW - hex socket, 10 - 1.5 x 40 mm, class 12.9

1шт.

28

238-7018

O-RING,0.07" Thk x 0.739" ID, -18, Cl 7, 75 Duro

4шт.

30

1349400C1

TUBE,5.88 mm OD, 305, 277 mm Length

clutch, odd

1шт.

31

1349402C1

TUBE,5.88 mm OD, 331, 61 mm Length

clutch, even

1шт.

32

H434164

COUPLING

COUPLER quick check

1шт.

33

218-5450

ELBOW,90 Degree, 7/16"-20 ORB x 1/8" NPT Fem

90 degree, 7/16-20 O-ring boss x 1/8 inch female PT, Includes: Ref. 34

1шт.

34

237-6004

O-RING,0.072" Thk x 0.351" ID, -904, Cl 6, 90 Duro

4-1, 90 Duro, .351" ID x .072" Thk

1шт.

35

1348316C1

HYD TUBE,0.5" OD, 548.8, 32.6 mm Length

TUBE - lubrication, creeper drive

1шт.

36

1981208C1

SUPPORT

BRACKET - tube

1шт.

37

864-10025

HEX SOC SCREW,M10 x 25mm, Cl 8.8

BOLT - hex socket, 10 - 1.5 x 25 mm

2шт.

Выбрано товаров: 29