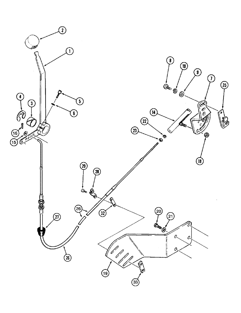
Запчасти Case IH 8920 (3-012) - HAND THROTTLE (03) - FUEL SYSTEM

Схема запчастей Case IH 8920 - (3-012) - HAND THROTTLE (03) - FUEL SYSTEM
15
26
7
27
22
29
10
20
23
26
19
21
5
8
33
6
3
18
32
2
1
35
28
14
4
9
16
FIT
1:1
100%

Артикул

Название

Примечание

Количество

1

302488A1

LEVER

throttle, control, Replaces: P/N 220361A1

1шт.

2

1975823C2

HANDLE

KNOB - control lever

1шт.

3

96576C1

BUSHING

control lever

1шт.

4

800-3120

CIRCLIP,M20

RING E-type, external retaining, No. 20

1шт.

5

864-4030

HEX SOC SCREW,M4 x 30mm, Cl 8.8

BOLT - hex socket, 4 - 0.7 x 30 mm, Replaces: P/N 864-4020

1шт.

6

832-10404

NUT,M4 x 0.7, Cl 8.8

NUT hex, self-locking, 4 mm - 0.7

1шт.

7

198834A1

SUPPORT

BRACKET - throttle lever

1шт.

8

627-6016

BOLT,Hex, M6 x 1 x 16mm, Cl 10.9, Full Thd

- hex, full threads, 6 - 1.0 x 16 mm, class 10.9

2шт.

9

896-11006

WASHER,6.6mm ID x 12.5mm OD x 2mm Thk

2шт.

10

892-11006

LOCK WASHER,M6

WASHER, LOCK, M6

2шт.

14

1974525C2

BALL JOINT

JOINT ball, throttle cable

1шт.

15

95-81060

WASHER,5.56mm ID x 14.28mm OD x 1.7mm Thk

flat, 7/32 x 9/16 x 1/16 inch

1шт.

16

432-48

COTTER PIN,1/16" x 1/2"

PIN, SPLIT (COTTER), 1/16" x 1/2"

1шт.

18

230-4714

LOCK NUT,1/4"-28, GA

NUT hex, self-locking, 1/4 inch NF

1шт.

19

224475A2

SUPPORT

BRACKET - throttle cable

1шт.

20

614-10025

BOLT,Hex, M10 x 1.5 x 25mm, Cl 8.8

2шт.

22

492-11010

LOCK WASHER,#10

WASHER, LOCK, #10

1шт.

23

225-14210

NUT,#10-32

1шт.

26

1267688C3

CABLE

throttle, Includes: Ref.27

1шт.

27

96988C2

GROMMET

cable

1шт.

28

A75815

CLAMP

retaining

1шт.

29

461-31016

HEX SOC SCREW,#10 - 24 x 1"

BOLT - hex socket, No. 10 NC x 1 inch

2шт.

32

L40315

SHIM,5.55mm ID x 12.7mm OD x 2.28mm Thk

clamp

1шт.

33

224900A1

LARGE PLATE

PLATE cable clamp

1шт.

35

1808728C1

LEVER

throttle control

1шт.

21

895-15010

WASHER,11mm ID x 24mm OD x 2mm Thk

2шт.

Выбрано товаров: 26