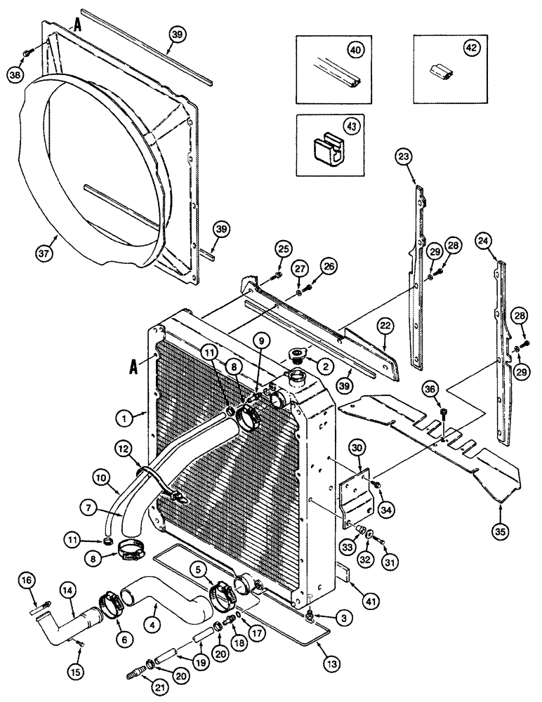
Запчасти Case IH 8930 (2-002) - RADIATOR AND ATTACHING PARTS (02) - ENGINE

Схема запчастей Case IH 8930 - (2-002) - RADIATOR AND ATTACHING PARTS (02) - ENGINE
5
29
16
12
1
39
13
36
26
31
32
19
34
27
6
8
7
20
14
40
37
41
28
25
28
38
43
11
17
10
20
2
15
42
35
39
22
21
11
33
24
23
30
4
39
3
29
8
9
18
FIT
1:1
100%

Артикул

Название

Примечание

Количество

1

140501A2

RADIATOR

ASSEMBLY - cooling system (8930)(Shown) (See Figure 2-6)

1шт.

1

131751A2

RADIATOR

ASSEMBLY - cooling system (8940)(See Figure 2-6)

1шт.

1

232545A1

RADIATOR

ASSEMBLY - cooling system (8950)(See Figure 2-6)

1шт.

2

A170241

RADIATOR CAP

15 psi, if used

1шт.

Reference 2 and 9, 10 and 11 are used on models with the coolant recovery system on Figure 2-10.

1шт.

3

217-103

COCK, DRAIN

VALVE - 1/4 inch PT

1шт.

4

186489A1

LARGE HOSE,58.00 mm ID, 67.00 mm ID x 273.00 mm, SAE J20, SAE 20R4 Class D1

HOSE,LARGE Lower (8930 and 8940)(Shown)

1шт.

4

254335A1

LARGE HOSE

HOSE,LARGE radiator, lower (8950), replaces 235912A1 hose

1шт.

5

198883A1

CLAMP

lower radiator hose, radiator side

1шт.

6

138773A1

CLAMP,52.32mm - 76.2mm

lower radiator hose, engine side

1шт.

7

184299A1

LARGE HOSE,58.80 mm ID x 366.00 mm, SAE 20R4 Class D1, SAE J 20

HOSE,LARGE Upper

1шт.

8

138773A1

CLAMP,52.32mm - 76.2mm

upper radiator hose

2шт.

9

217-151

FITTING,3/8" Hose Barb x 1/4" Male NPTF

Adapter - straight, vent hose, if used

1шт.

Reference 2 and 9, 10 and 11 are used on models with the coolant recovery system on Figure 2-10.

1шт.

10

1960764C1

RADIATOR HOSE,9.50 mm ID x 560.00 mm, SAE 20R3

Radiator vent to engine, If used

1шт.

Reference 2 and 9, 10 and 11 are used on models with the coolant recovery system on Figure 2-10.

1шт.

11

1348264C1

HOSE CLAMP

hose, 3/8 inch, radiator vent hose, if used

2шт.

Reference 2 and 9, 10 and 11 are used on models with the coolant recovery system on Figure 2-10.

1шт.

12

L18337

CABLE TIE,9.95"-12.1" lg

CABLE STRAP tie, 15 inch, vent hose to upper radiator hose

1шт.

13

227240A1

GASKET,3.3mm Thk

rubber seal, tank replacement

1шт.

14

J907208

TUBE,50.8 mm DIA x 295.3 mm L

water inlet

1шт.

15

845-8016

BOLT,Hvy Hex, M8 x 16mm, Cl 8.8

1шт.

16

J922847

CLAMP

tube

1шт.

17

237-6008

O-RING,0.087" Thk x 0.644" ID, -908, Cl 6, 90 Duro

1шт.

18

196816C1

FITTING

ADAPTER - barb stem, radiator, lower

1шт.

19

3225216R2

HEATER HOSE,15.5mm ID x 460mm L

Cut from 97252CX bulk hose, High Temperature Heater Hose Return

1шт.

20

1954736C1

HOSE CLAMP,#24

Adjustable

2шт.

21

1301342C1

FITTING

ADAPTER - straight, special

1шт.

22

184111A2

SUPPORT

BRACKET - radiator, upper

1шт.

23

184112A2

SUPPORT

BRACKET - radiator, left-hand side

1шт.

24

184113A2

SUPPORT

BRACKET - radiator, right-hand side

1шт.

25

844-8016

BOLT,Hex, M8 x 16mm, Cl 8.8

Upper bracket to radiator, outer mounting holes

2шт.

26

614-6016

BOLT,Hex, M6 x 1 x 16mm, Cl 8.8, Full Thd

Upper bracket inner mounting holes

2шт.

27

495-81107

WASHER,.281" x 7/8" x .060"

flat, 9/32 x 7/8 x 3/64 inch

2шт.

28

844-8018

BOLT,Hvy Hex, M8 x 18mm, Cl 8.8

hex, 8 - 1.25 x 16 mm, left-hand and right-hand brackets center mounting holes, replaces 614-8020 bolt

5шт.

30

177080A1

SUPPORT

BRACKET - radiator support

2шт.

31

844-10030

BOLT,Hvy Hex, M10 x 30mm, Cl 8.8

Heavy, Support bracket lower mounting holes

4шт.

32

495-81140

WASHER,13/32" x 1 1/4" x .060"

4шт.

33

60-6650T1

RUBBER BUSHING

CUSHION, mount, radiator support bracket lower mounting holes

4шт.

34

234017A1

HEX SOC SCREW

BOLT - hex socket, 8 - 1.25 x 16 mm, upper mounting holes

6шт.

35

223350A2

LARGE PLATE

PLATE, LARGE radiator

1шт.

36

864-10016

HEX SOC SCREW,M10 x 16mm, Cl 8.8

2шт.

37

141002A2

DEFLECTOR

SHROUD - fan (8930 and 8940)(Shown), replaces 141002A1 shroud

1шт.

37

233701A1

DEFLECTOR

SHROUD - fan (8950)

1шт.

38

844-8012

BOLT,M8 x 1.25 x 20.1mm, Cl 8.8

Replaces 844-8016 16 mm long bolt used on some models

10шт.

39

187107A1

SEAL

adhesive back, 608 mm (23-15/16 inch) long, upper and lower fan shroud and upper radiator bracket

3шт.

40

185672A2

SEAL

trim, 3010 mm (118-1/2 inch) long, hood perimeter

1шт.

41

256990A1

SEAL

adhesive back, 764 mm (30-5/64 inch) long, radiator, lower frame between radiator and support, replaces 193362A1 seal

1шт.

42

177362A2

RUBBER SEAL,55mm L

trim, 55 mm (2-11/64 inch) long, hood, radiator frame and bolster plate

8шт.

43

245983A1

SEAL ASSY.

TRIM - edge, black, 28 mm (1-1/8 inch) long, attach to vertical leg at rear, cut from 1330108CX bulk trim

2шт.

29

895-15008

WASHER,9mm ID x 20mm OD x 1.6mm Thk

4шт.

Выбрано товаров: 51