Запчасти Case IH 8940 (9-104) - AIR CONDITIONING, COMPRESSOR MOUNTING AND DRIVE (09) - CHASSIS/ATTACHMENTS

Схема запчастей Case IH 8940 - (9-104) - AIR CONDITIONING, COMPRESSOR MOUNTING AND DRIVE (09) - CHASSIS/ATTACHMENTS
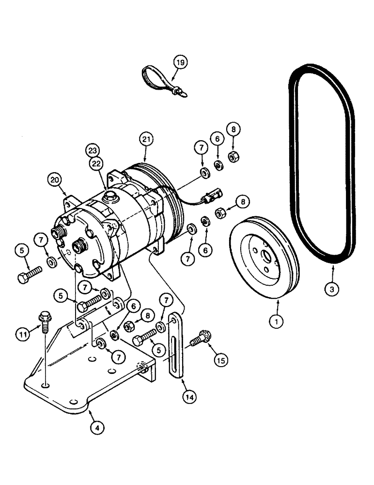
5
7
22
7
20
5
8
21
6
11
6
7
7
1
8
8
4
5
14
6
19
7
3
23
7
15
FIT
1:1
100%

Артикул

Название

Примечание

Количество

1

A189155

PULLEY

compressor drive

1шт.

3

131403C1

V-BELT,0.50" W x 38.50" L

Drive, Compressor

1шт.

4

237872A1

BRACKET

mounting, compressor

1шт.

5

614-10035

BOLT,Hex, M10 x 1.5 x 35mm, Cl 8.8, Full Thd

If used

3шт.

5

854-10035

BOLT,Hvy Hex, M10 x 35mm, Cl 10.9

If used, brace to compressor and compressor to bracket

3шт.

6

892-11010

LOCK WASHER,M10

3шт.

8

825-1410

NUT,M10, Cl 8

If used

3шт.

8

829-2310

FLANGE NUT,M10 x 1.5, Flg, Cl 10

If used, Brace to Compressor and Compressor to Bracket

3шт.

11

905-10025

BOLT,Hex Flg, M10 x 25mm

4шт.

14

84716C1

SUPPORT

STRAP - adjusting

1шт.

15

905-10025

BOLT,Hex Flg, M10 x 25mm

1шт.

19

L18337

CABLE TIE,9.95"-12.1" lg

CABLE STRAP tie, 15 inch

2шт.

1999755C2

COMPRESSOR

ASSEMBLY - air conditioning, INCLUDES REFS 21-23

1шт.

86993462R

REMAN-COMPRESSOR

8930, 8940, 8950 all (1/97-12/98); Reman For New P/N 1999755C2

1шт.

86993462C

CORE-COMPRESSOR

Return Part Number

1шт.

48017123R

REMAN-A/C COMP KIT

Reman A/C Compressor, Receiver-Dryer, Valve Kit

1шт.

48017123C

REMAN-A/C COMP KIT

Return Part Number

1шт.

1999755C3R

REMAN-A/C COMPRESSOR

Inc.- 8 Mounting Holes, 2 Groove Pulley, For Use w/HFC134A Refrigerant

1шт.

1999755C3C

CORE-COMPRESSOR

Return Part Number

1шт.

20

NSS

NOT SOLD SEPARAT

COMPRESSOR - air conditioning

1шт.

21

135324A1

CLUTCH

ASSEMBLY - compressor

1шт.

22

A49667

PLUG

hex, oil filler

1шт.

23

128483A1

O-RING,1.78mm Thk x 7.65mm ID, 70 Duro

5/16 ID x 1/16 inch wide

1шт.

7

895-15010

WASHER,11mm ID x 24mm OD x 2mm Thk

6шт.

Выбрано товаров: 24