Запчасти Case IH 8940 (2-034) - WASTEGATE ACTUATOR, 6T-830 AND 6TA-830 EMISSIONS CERTIFIED ENGINE (02) - ENGINE

Схема запчастей Case IH 8940 - (2-034) - WASTEGATE ACTUATOR, 6T-830 AND 6TA-830 EMISSIONS CERTIFIED ENGINE (02) - ENGINE
7
7
10
8
3
11
4
6
6
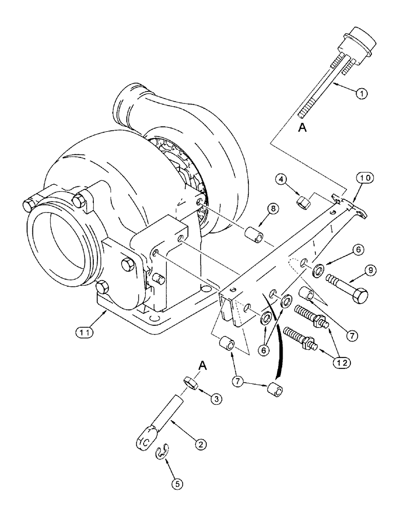
2
9
5
1
12
FIT
1:1
100%

Артикул

Название

Примечание

Количество

1

J535106

ACTUATOR

turbo wastegate, 8930 Tractor

1шт.

1

J593679R

REMAN-SOLENOID

8930, Reman Actuator For New P/N's J535106 & J593679

1шт.

1

J593679C

CORE-SOLENOID

Return Number

1шт.

1

J531892

ACTUATOR

turbo wastegate, 8940 and 8950 Tractor

1шт.

1

J531892C

CORE-HYD CYLINDER

Return Number, ACTUATOR

1шт.

2

J528177

LINK

adjusting

1шт.

3

425-155

JAM NUT,Jam, 5/16"-24, G5

Hex

1шт.

4

J528204

LOCK NUT

lock

1шт.

5

J528221

CIRCLIP

retaining

2шт.

NSS

NOT SOLD SEPARAT

HOUSING - turbine and actuator bracket, Includes: All Ref. No. Below

1шт.

7

J532195

SPACER,9.38mm ID x 16.03mm OD x 13.7mm L

mounting, short

3шт.

8

J532196

SPACER,9.38mm ID x 16.03mm OD x 19mm L

mounting, long

1шт.

9

814-8055

BOLT,Hex, M8 x 1.25 x 55mm, Cl 8.8

1шт.

10

J533328

SUPPORT

BRACKET - wastegate actuator

1шт.

11

NSS

NOT SOLD SEPARAT

HOUSING - turbine

1шт.

12

J535874

STUD

actuator bracket

2шт.

6

895-11008

WASHER,9mm ID x 16mm OD x 1.6mm Thk

3шт.

Выбрано товаров: 17