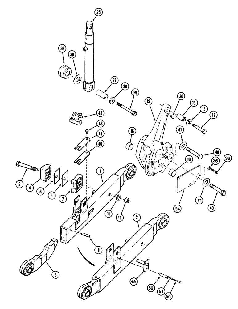
Запчасти Case IH 8950 (9-006) - HITCH LOWER LIFT LINKS (09) - CHASSIS/ATTACHMENTS

Схема запчастей Case IH 8950 - (9-006) - HITCH LOWER LIFT LINKS (09) - CHASSIS/ATTACHMENTS
25
35
2
20
8
48
11
1
34
41
50
40
18
47
40
45
52
46
7
5
27
3
41
19
29
15
28
10
4
9
49
6
26
30
16
16
17
51
36
FIT
1:1
100%

Артикул

Название

Примечание

Количество

1

1331893C8

LIFTING ROD

LINK - lower lift, left-hand front, telescoping, not shown, if used

1шт.

1

1331894C8

LIFTING ROD

LINK - lower lift, right-hand front, telescoping, if used

1шт.

2

134313A3

LOWER LINK

lift, left-hand, rigid, not shown, if used

1шт.

2

134318A3

LOWER LINK

lift, right-hand, rigid, if used

1шт.

3

1282114C4

LOWER LINK

lift, left-hand rear, not shown

1шт.

3

1282115C4

LOWER LINK

lift, right-hand rear

1шт.

4

1286752C2

BLOCK

BUMPER - cam

2шт.

1965317C1

SHIM

KIT - bumper, no longer available, order components, Includes: Ref. 5, 6

1шт.

5

70479C1

SHIM

1/32 inch, bumper

2шт.

6

70480C1

SHIM

1/16 inch, bumper

12шт.

7

1266811C1

SPACER

cam bumper

2шт.

8

738-31260

PIN,M12 x 60, Coiled

roll, 12 x 60 mm

2шт.

9

413-1280

BOLT,Hex, 3/4" - 10 x 5", Gr 5

2шт.

10

231-14412

LOCK NUT,3/4"-10, GB

hex, self-locking, NC

2шт.

11

495-11081

WASHER,3/4", SAE

2шт.

15

1347900C3

SUPPORT ASSY.

BRACKET - lower link, left-hand, not shown, includes item 16, 1960223C1 bushing

1шт.

15

1347902C3

SUPPORT ASSY.

BRACKET - lower link, right-hand

1шт.

16

1960223C1

BUSHING,37.15mm ID x 43.09mm OD x 24mm L

bracket

2шт.

17

828-16090

BOLT,Hex, M16 x 2 x 90mm, Cl 10.9

2шт.

18

896-16016

WASHER,17.5mm ID x 34mm OD x 5mm Thk

flat, 17.5 x 34 x 5 mm, hardened

2шт.

19

1347983C1

BUSHING,16.38mm ID x 28.4mm OD x 56mm L

bracket

2шт.

20

614-10020

BOLT,Hex, M10 x 1.5 x 20mm, Cl 8.8, Full Thd

2шт.

25

REF

INSTRUCTION

CYLINDER ASSEMBLY - lift, hitch, see Figure 8-30 or 8-32

2шт.

26

1998150C1

SPACER

cylinder mounting

2шт.

27

1998013C1

BUSHING

cylinder

2шт.

28

145678C3

WASHER

flat, 17 mm

2шт.

29

828-16160

BOLT,Hex, M16 x 2 x 160mm, Cl 10.9

2шт.

30

495-81206

WASHER,32.54mm ID x 63.5mm OD x 3.4mm Thk

2шт.

34

1347904C1

LARGE PLATE

PLATE, LARGE sensing pin retaining

2шт.

35

895-18010

WASHER,10.5mm ID x 18mm OD x 1.6mm Thk

6шт.

36

614-10020

BOLT,Hex, M10 x 1.5 x 20mm, Cl 8.8, Full Thd

6шт.

40

828-24110

BOLT,Hex, M24 x 3 x 110mm, Cl 10.9

4шт.

41

896-16024

WASHER,26mm ID x 56mm OD x 6mm Thk

flat, 26 x 56 x 6 mm

4шт.

45

398399R1

LATCH

lower link

2шт.

46

382192R1

SPRING

link latch

2шт.

47

382193R1

SPRING

stiffener

2шт.

48

614-8012

BOLT,Hex, M8 x 1.25 x 12mm, Cl 8.8, Full Thd

Replaces 414-58 bolt

2шт.

49

125685A1

PIN

Used with rigid lower link, if used, prior to serial number JJA0094169

2шт.

49a

125685A2

PIN

Used with rigid lower link, serial number JJA0094169 and after

2шт.

Part of Heavy Duty Lift Link Kit P/N 299255A1

1шт.

50

627-10025

BOLT,Hex, M10 x 1.5 x 25mm, Cl 10.9, Full Thd

2шт.

Part of Heavy Duty Lift Link Kit P/N 299255A1

1шт.

51

896-11010

WASHER,11mm ID x 21mm OD x 2.5mm Thk

2шт.

52

D95748

SPACER,10.34mm ID x 15.88mm OD x 7.11mm L

pin, 13/32 ID x 5/8 OD x 9/32 inch long, prior to serial number JJA0094169

2шт.

52a

335075A1

SPACER

pin, 13/32 x 5/8 x 1/2 inch long, pin, 13/32 ID x 5/8 OD x 7/16 inch long, serial number JJA0094169 and after, replaces 313458A1 spacer

2шт.

Part of Heavy Duty Lift Link Kit P/N 299255A1

1шт.

299255A1

KIT

heavy duty lift link, field, Includes: Refs. 61, 62, 63 and 64 shown on Figure 9-2 and Refs. 25A, 32C, 32D, 39, 42A, 46 and 47 shown on Figure 9-4 and Refs. 49A, 50 and 52A shown above.

1шт.

Выбрано товаров: 47