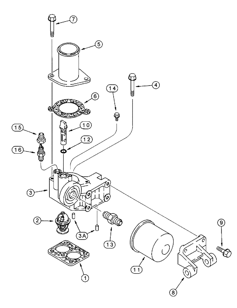
Запчасти Case IH 8950 (2-042) - THERMOSTAT HOUSING AND WATER FILTER, 6T-830 AND 6TA-830 EMISSIONS CERTIFIED ENGINE (02) - ENGINE

Схема запчастей Case IH 8950 - (2-042) - THERMOSTAT HOUSING AND WATER FILTER, 6T-830 AND 6TA-830 EMISSIONS CERTIFIED ENGINE (02) - ENGINE
6
11
14
8
7
3
4
10
3a
9
12
1
2
13
16
5
15
FIT
1:1
100%

Артикул

Название

Примечание

Количество

1

J914310

GASKET,0.8mm Thk

thermostat housing

1шт.

2

J928639

THERMOSTAT

engine coolant

2шт.

J926509

HOUSING,Thermostat

thermostat, Includes: Ref. 3, 3A

1шт.

3

NSS

NOT SOLD SEPARAT

HOUSING - thermostat

1шт.

3a

180811A1

ROLL PIN

roll, special

2шт.

4

845-8080

BOLT,Hvy Hex, M8 x 80mm, Cl 8.8

BOLT - heavy hex flange, 8 - 1.25 x 80 mm

2шт.

5

J912800

CONNECTION

TUBE - water outlet

1шт.

6

J918779

GASKET,1.19mm Thk

outlet tube, water

1шт.

7

845-8095

BOLT,Hvy Hex, M8 x 95mm, Cl 8.8

Heavy

2шт.

8

J918544

SUPPORT

mounting, alternator

1шт.

9

844-8025

BOLT,Hvy Hex, M8 x 25mm, Cl 8.8

4шт.

10

294926A1

SHUT-OFF VALVE

SHAFT -

1шт.

11

A77544

FILTER

water conditioning, precharge

1шт.

12

238-5111

O-RING,0.103" Thk x 0.424" ID, -111, Cl 5, 75 Duro

1шт.

13

A77623

ADAPTER,3/4" - 10 x 11/16" - 16

water filter

1шт.

14

845-6010

BOLT,Hvy Hex, M6 x 10mm, Cl 8.8

1шт.

15

J911925

COUPLING

hose

1шт.

16

J911901

VALVE, CHECK

1шт.

Выбрано товаров: 18