Запчасти Case IH 8950 (3-028) - FOOT THROTTLE (03) - FUEL SYSTEM

Схема запчастей Case IH 8950 - (3-028) - FOOT THROTTLE (03) - FUEL SYSTEM
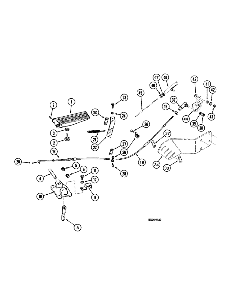
3
46
39
41
24
42
6
30
5
4
20
42
37
27
21
18
2
45
28
11
26
10
47
43
19
34
18
27
9
12
38
44
30
22
23
40
1
7
28
8
FIT
1:1
100%

Артикул

Название

Примечание

Количество

230682A1

FOOT

THROTTLE ATTACHMENT - order from Machinery Price List, Includes: All Ref. No. Below

1шт.

1

1975959C4

PEDAL ASSY.

foot throttle, with pad

1шт.

2

434-516

CARRIAGE BOLT,Sht Sq Nk, 5/16" - 18 x 1", Gr 5

1шт.

3

425-145

JAM NUT,Jam, 5/16"-18, G5

1шт.

4

97043C4

SHAFT

throttle pedal

1шт.

5

1975973C1

BUSHING

left, long

1шт.

6

1975974C1

BUSHING

right, short

1шт.

7

38-3816

PIN,1/8" x 1", Coiled

1шт.

8

220355A1

LEVER ASSY.

throttle pedal

1шт.

9

1977463C1

STOP

throttle pedal

1шт.

10

97046C4

SUPPORT

throttle pedal

1шт.

11

614-8020

BOLT,Hex, M8 x 1.25 x 20mm

3шт.

12

892-11008

LOCK WASHER,8mm ID

3шт.

18

97173C4

CABLE

foot throttle

1шт.

19

225-14210

NUT,#10-32

1шт.

20

432-48

COTTER PIN,1/16" x 1/2"

1шт.

21

1975966C1

SPRING

detent

2шт.

22

220359A1

SUPPORT ASSY.

BRACKET - cable, foot throttle, no longer available, order 220358A3 bracket below and 829-1406 nut

1шт.

22

220358A3

SUPPORT ASSY.

BRACKET - cable, foot throttle

1шт.

23

627-6016

BOLT,Hex, M6 x 1 x 16mm, Cl 10.9, Full Thd

Full threads

2шт.

24

892-11006

LOCK WASHER,M6

2шт.

26

A75815

CLAMP

retaining

2шт.

27

L40315

SHIM,5.55mm ID x 12.7mm OD x 2.28mm Thk

clamp

2шт.

28

461-31016

HEX SOC SCREW,#10 - 24 x 1"

BOLT - hex socket, No. 10 NC x 1 inch

4шт.

30

224900A1

LARGE PLATE

PLATE, LARGE ocking, cable clamp

2шт.

34

224475A2

SUPPORT

BRACKET - throttle cable

1шт.

37

19725R1

BALL JOINT

foot throttle

1шт.

38

225-14210

NUT,#10-32

1шт.

39

193-1000

NUT,Keps, w/LW,#10-32

hex, with external tooth lock washer, No. 10 NF

1шт.

40

1974525C2

BALL JOINT

throttle cable

1шт.

41

1971259C1

SPACER

3/8 ID x 7/32 inch

1шт.

42

495-81107

WASHER,.281" x 7/8" x .060"

flat, 9/32 x 7/8 x 3/64 inch

2шт.

43

230-4714

LOCK NUT,1/4"-28, GA

hex, self-locking, 1/4 inch NF

1шт.

44

198834A1

SUPPORT

BRACKET - throttle lever

1шт.

45

REF

INSTRUCTION

CABLE - hand throttle, see Figure 3-26

1шт.

46

225-14210

NUT,#10-32

1шт.

47

492-11010

LOCK WASHER,#10

1шт.

48

829-1406

NUT,Hex, M6 x 1, Cl 10.9

Used with 220358A3 bracket, not shown

1шт.

49

473321C1

CABLE TIE,8" OAL x 0.098" W

CABLE STRAP Not Shown

1шт.

Выбрано товаров: 39