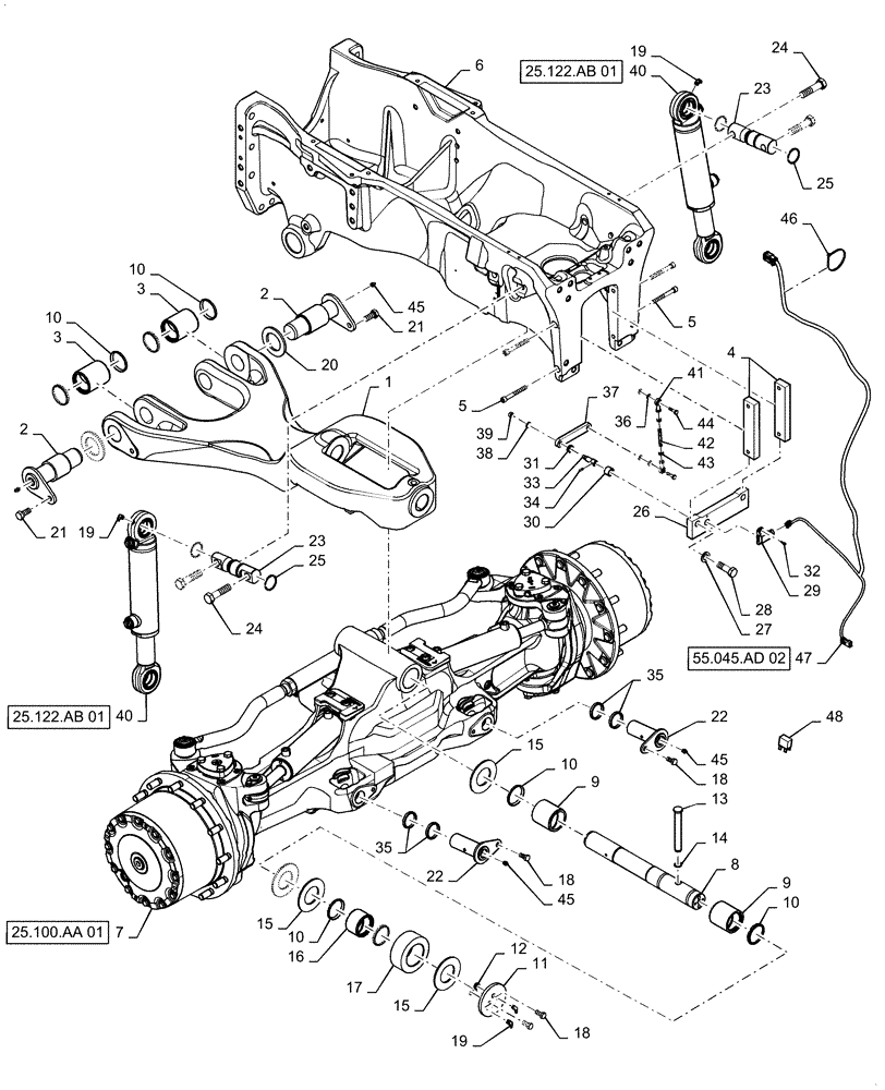
Запчасти Case IH MAGNUM 180 (25.122.02) - CNH AXLE - SADDLE SUSPENSION, CL 4.75 (25) - FRONT AXLE SYSTEM

Схема запчастей Case IH MAGNUM 180 - (25.122.02) - CNH AXLE - SADDLE SUSPENSION, CL 4.75 (25) - FRONT AXLE SYSTEM
12
23
8
23
10
46
28
42
43
2
15
15
2
16
37
45
24
19
41
3
14
47
44
45
22
22
26
25.122.ab 01
9
36
35
40
11
45
4
33
5
27
24
40
15
39
29
9
10
32
3
25.100.aa 01
10
13
7
18
20
35
10
17
21
38
30
34
10
6
21
55.045.ad 02
19
25
25.122.ab 01
25
19
48
18
1
5
18
31
FIT
1:1
100%

Артикул

Название

Примечание

Количество

1

84129588

SADDLE

Support

1шт.

2

87681720

PIN,60.26mm OD x 222mm L

Saddle Suspension

2шт.

3

87696363

BUSHING

Saddle Suspension

2шт.

4

87696371

PLATE

Roller Guide

2шт.

5

863-12100

HEX SOC SCREW,M12 x 100mm, Cl 12.9

4шт.

6

47416638

FRAME

Saddle Suspension

1шт.

7

84357980

AXLE

Assy, Suspended, CL 4.75

1шт.

8

87484786

LARGE PIN

Suspension

1шт.

9

87433501

BUSHING,60.46mm ID x 74.97mm OD x 75.78mm L

Axle Pivot Pin

2шт.

10

87400202

SEAL

MFD Pivot Pin

8шт.

11

87484805

RETAINER

High Pin Axle Pivot

1шт.

12

238-5015

O-RING,0.07" Thk x 0.551" ID, -15, Cl 5, 75 Duro

2шт.

13

87694639

HEADED PIN

Retainer

1шт.

14

800-4520

SNAP RING,M20, Ext

1шт.

15

86990303

THRUST WASHER,60.8mm ID x 112mm OD x 4.65mm Thk

MFD Pivot Pin

4шт.

16

87696370

BUSHING

Saddle Roller

1шт.

17

87696369

ROLLER

High Pin

1шт.

18

627-12025

BOLT,Hex, M12 x 1.75 x 25mm, Cl 10.9, Full Thd

4шт.

19

13408411

LUBE NIPPLE,90 Degree , M10 x1

4шт.

20

87696364

THRUST WASHER

Saddle Pivot

2шт.

21

627-16035

BOLT,Hex, M16 x 2 x 35mm, Cl 10.9, Full Thd

2шт.

22

87696365

PIN,45mm OD x 118mm L

Suspension Cylinder

2шт.

23

87695275

PIN

Suspension Frame

2шт.

24

827-20080

BOLT,Hex, M20 x 2.5 x 80mm, Cl 10.9

M20 x 80 10.9

4шт.

25

101-11177

SNAP RING,#177, 1.657", Ext

4шт.

26

84144536

PLATE

Saddle Retainer

1шт.

27

896-11020

WASHER,22mm ID x 37mm OD x 4mm Thk

2шт.

28

627-20060

BOLT,Hex, M20 x 2.5 x 60mm, Cl 10.9, Full Thd

2шт.

29

87695841

SENSOR

45 Deg. Angle, Suspension Axle

1шт.

30

87696373

BUSHING

Sensor

1шт.

31

638-62160

O-RING,16mm ID x 1.8mm Width

1шт.

32

864-4012

HEX SOC SCREW,M4 x 12mm, Cl 8.8

2шт.

33

47394756

PIN,15.85mm OD x 51.38mm L

Sensor Extension

1шт.

34

877-1046

SET SCREW,M4 x 6mm

1шт.

35

87696368

SPACER

Suspension Cylinder

4шт.

36

495-81102

WASHER,.266" x 1/2" x .060"

4шт.

37

87696374

ARM

Sensor Plate

1шт.

38

10519604

WASHER,8.15mm ID x 17mm OD x 2mm Thk

1шт.

39

832-46408

NUT,M8 x 1.25, Cl 8

1шт.

40

84365647

HYDRAULIC CYLINDER,Double Acting, 55mm Rod, 219mm Stroke

Saddle Suspension, CL 4.75

2шт.

41

431039A1

BALL JOINT HEAD,1/4" - 28

End 1/4" Adjustable

2шт.

42

87696375

ROD

Saddle Position Linkage

1шт.

43

86976064

JAM NUT,Jam, 1/4"-28, G5

2шт.

44

413-416

BOLT,Hex, 1/4" - 20 x 1", Gr 5

2шт.

45

933781R1

LUBE NIPPLE,M10 x 1

4шт.

46

86566990

CABLE TIE,292mm OAL x 4.8mm W

1шт.

47

47385194

WIRE HARNESS

Suspended Axle Sensor

1шт.

48

87414866

RELAY,12V, 20A

Suspended Axle Sensor

1шт.

Выбрано товаров: 48