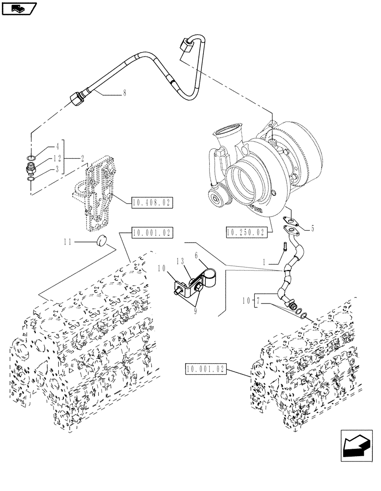
Запчасти Case IH MAGNUM 180 (10.304.04) - PIPING, ENGINE OIL (10) - ENGINE

Схема запчастей Case IH MAGNUM 180 - (10.304.04) - PIPING, ENGINE OIL (10) - ENGINE
home
10
1
13
5
8
7
6
9
4
12
3
10
11
2
10.250.02
10.408.02
10.001.02
10.001.02
FIT
1:1
100%

Артикул

Название

Примечание

Количество

1

4899079

SCREW,Hex Flg, M8 x 1.25 x 25

2шт.

2

4895107

HYD CONNECTOR,11/16"-16 x M12

ASSY, Inc. 3, 4, 12

1шт.

3

3037236

O-RING

1шт.

4

3922794

GASKET,0.07" Thk x 0.364" ID

1шт.

5

4891288

GASKET,0.8mm Thk

1шт.

6

4896893

CLAMP,20mm W

1шт.

7

4899058

O-RING,0.674" ID x 0.88" OD x 0.103"

2шт.

8

84351985

FLEXIBLE HOSE

1шт.

9

2852100

FLANGE BOLT,Hex, M8 x 1.25 x 16mm

M12 x 1.75 x 25

1шт.

10

4894915

TUBE

ASSY, Oil Drain

1шт.

10

2852390

BRACKET

1шт.

11

4895089

PLUG,0.886" L

.886" OD

1шт.

12

2857015

HYD CONNECTOR,Hex, M12 x 1.5 x 6.7mm ID x 32mm L

1шт.

13

2852389

FLANGE NUT

1шт.

Выбрано товаров: 14