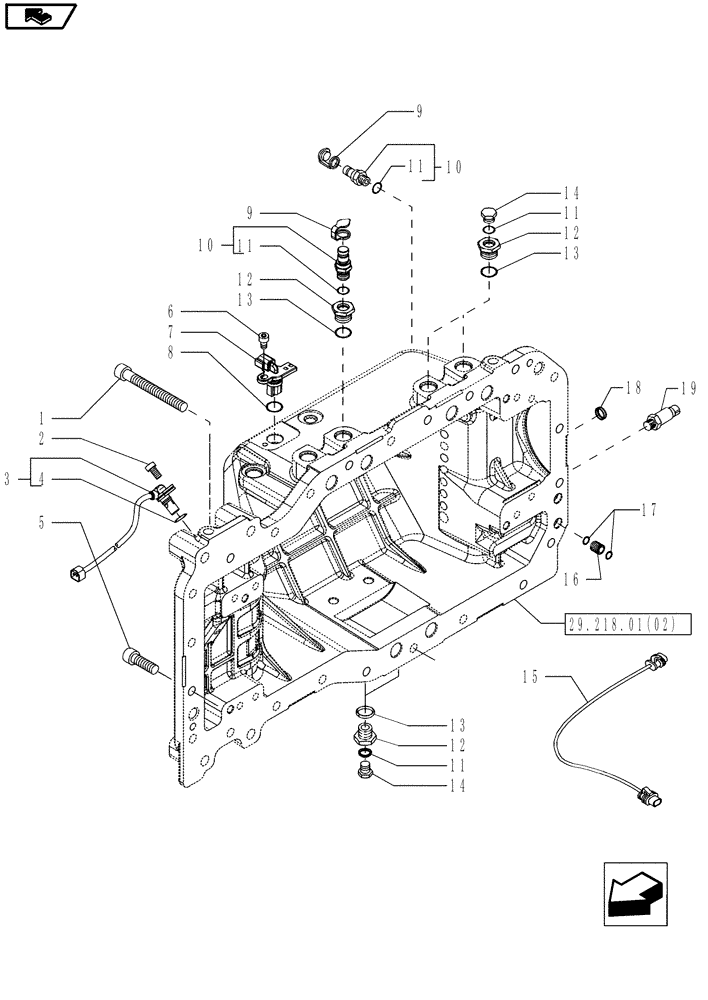
Запчасти Case IH MAGNUM 180 (29.218.01[01]) - TRANSMISSION, HYDROSTATIC PUMP, SENSORS AND CAPS, WITH CONTINUOUSLY VARIABLE TRANSMISSION (29) - HYDROSTATIC DRIVE

Схема запчастей Case IH MAGNUM 180 - (29.218.01[01]) - TRANSMISSION, HYDROSTATIC PUMP, SENSORS AND CAPS, WITH CONTINUOUSLY VARIABLE TRANSMISSION (29) - HYDROSTATIC DRIVE
11
2
9
9
17
16
4
8
7
13
5
29.218.01(02)
12
13
11
18
13
11
10
home
1
10
12
11
6
29.218.01 02
12
3
14
14
19
15
FIT
1:1
100%

Артикул

Название

Примечание

Количество

1

14332724

HEX SOC SCREW,M12 x 1.25 x 120mm, Cl 8.8

M12 x 1.25 x 120

1шт.

2

14305121

HEX SOC SCREW,M6 x 12mm, Cl 8.8

1шт.

3

87494391

SENSOR

Wheel Speed, To Be Used With Harness Assembly 84241336, Inc. 4

1шт.

3

84243033

SENSOR

Ring Gear Speed; Incl 4

1шт.

4

87492478

O-RING,8.56mm ID x 1.07mm Width

1шт.

5

14331224

BOLT,M12 x 1.25 x 35mm, Cl 8.8, Full Thd

22шт.

6

14306120

HEX SOC SCREW,M8 x 1.25 x 12mm, Cl 8.8, Full Thd

1шт.

7

87673029

SOCKET/RECEPTACLE,17.15mm OD x 48.4mm L

1шт.

8

5135738

O-RING,0.103" Thk x 0.674" ID, -115, 80 Duro

2.62 x 17.12

1шт.

9

5185424

DUST CAP,11.5mm ID x 81.5 L, Black

4шт.

10

5185423

COUPLING

Inc. 11

4шт.

Qty= 6 with 50KPH Transmission, VAR.042

1шт.

11

14437785

O-RING,11.3mm ID x 2.4mm

8шт.

12

87661594

REDUCER FITTING

6шт.

13

14438085

O-RING,19.3mm ID x 2.4mm

6шт.

14

10118711

PLUG,M14 x 1.5 x 12, Cl5.8

4шт.

15

87677187

WIRE HARNESS

Hydrostat

1шт.

16

87561328

BUSHING,11mm ID x 13mm OD x 14mm L

2шт.

17

14453080

O-RING,0.426" ID x 0.07"

4шт.

18

14328501

PLUG,M16, Tapered

1шт.

19

87752203

PRESSURE SWITCH

2шт.

Выбрано товаров: 21