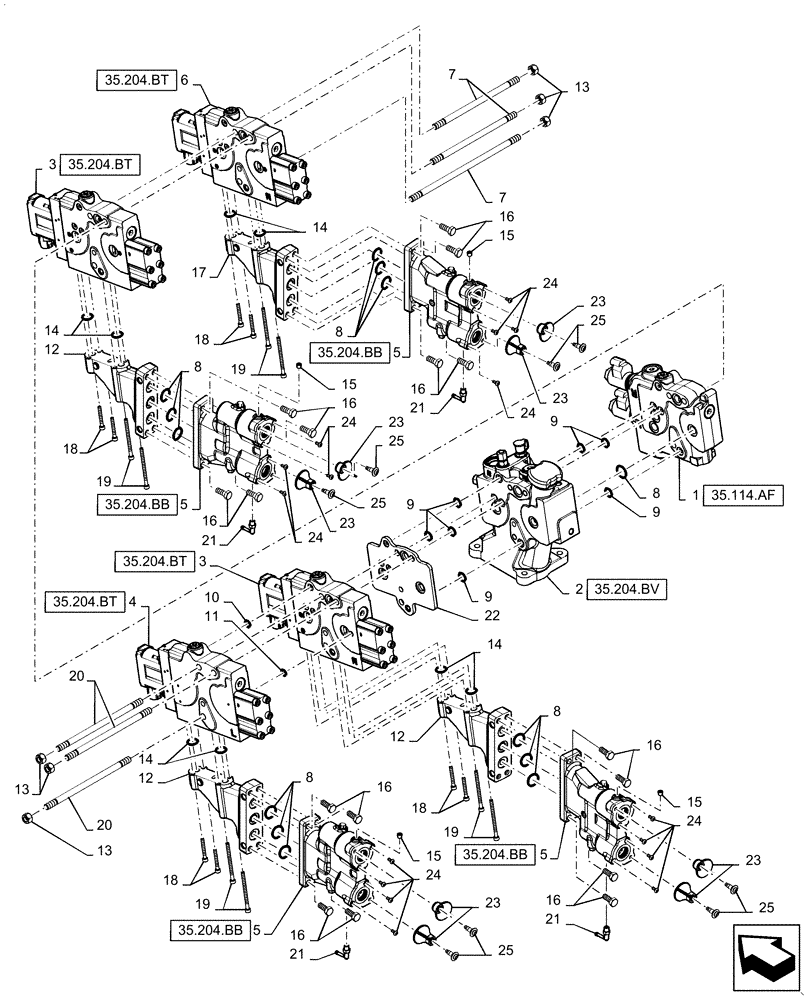
Запчасти Case IH MAGNUM 180 (35.204.BE[04]) - REMOTE CONTROL VALVE, 4 CONTROL VALVES, W/O POWER BEYOND (35) - HYDRAULIC SYSTEMS

Схема запчастей Case IH MAGNUM 180 - (35.204.BE[04]) - REMOTE CONTROL VALVE, 4 CONTROL VALVES, W/O POWER BEYOND (35) - HYDRAULIC SYSTEMS
16
8
21
18
15
35.204.bt
16
12
8
24
35.204.bt
35.204.bb
23
4
35.204.bb
16
19
24
23
6
16
23
9
21
9
35.204.bb
12
35.204.bv
18
21
18
14
13
17
35.114.af
14
16
22
25
2
21
8
25
20
9
13
15
14
24
25
19
5
3
13
15
25
10
16
9
5
8
20
16
24
19
19
7
1
8
18
7
24
16
35.204.bt
23
24
25
11
35.204.bt
3
23
15
5
14
23
5
12
35.204.bb
FIT
1:1
100%

Артикул

Название

Примечание

Количество

1

47434184

VALVE

Hitch, Assy, Serial Range: -ZFRH05054

1шт.

1

47887018

VALVE SECTION

Hitch, Assy, Start Serial: ZFRH05054

1шт.

2

47772178

MANIFOLD VALVE

In/Out, Assy, Std

1шт.

2

47772179

MANIFOLD VALVE

In/Out, Assy, Twin Flow

1шт.

3

47434178

VALVE

Main Aux, Assy, Serial Range: -ZGRH01094

2шт.

3

47699489

VALVE SECTION

Main Aux, Assy, Start Serial: ZGRH01094

3шт.

4

47434180

VALVE

LH Aux, Assy, Serial Range: -ZGRH01094

1шт.

4

47699496

VALVE SECTION

LH Aux, Assy, Start Serial: ZGRH01094

1шт.

5

435375A1

VALVE

Assy

4шт.

6

47434182

VALVE

RH Aux, Assy, Serial Range: -ZGRH01094

1шт.

7

84268953

STUD,M12 x 1.75 x 205mm L

RH, M12 x 205

3шт.

8

87635382

O-RING,2.62mm Thk x 20.29mm ID, -117, 80 Duro

34шт.

9

87635380

O-RING,2.62mm Thk x 12.37mm ID, -112, 80 Duro

8шт.

10

87635379

O-RING,2.62mm Thk x 9.19mm ID, -110, 80 Duro

20шт.

11

87635376

O-RING,2.62mm Thk x 3.63mm ID, -105, 80 Duro

9шт.

12

84364079

VALVE

Mach Coupler Deluxe Left

2шт.

13

829-1312

NUT,M12 x 1.75, Cl 10

6шт.

14

87635381

O-RING,2.62mm Thk x 15.54mm ID, -114, 80 Duro

12шт.

15

217-429

PLUG,Hex Soc, 1/8" - 27 NPTF

4шт.

16

628-10025

BOLT,Hex, M10 x 1.5 x 25mm, Cl 10.9, Full Thd

16шт.

17

84534749

VALVE

Mach Coupler Deluxe Right

2шт.

18

864-6045

HEX SOC SCREW,M6 x 45mm, Cl 8.8

8шт.

19

84375319

SCREW

Screw, Soc HD M6 x 85 12.9 Blo

8шт.

20

84543055

STUD,M12 x 1.75 x 145mm L

LH, M12 x 145

3шт.

21

1289481C1

ELBOW,1/8" NPT x 1/4" Hose Barb

90 Deg 1/8 NPT Barbed

4шт.

22

84539946

PLATE

2шт.

23

240974A2

DOOR COVER

Dust

8шт.

24

427104A1

CAPSCREW,BTN HD, M5 x 0.8 x 10mm

M5 x 8 Button Head

16шт.

25

240973A2

CAPTIVE WASHER SCREW,Hex Flng, M16 x 1 x 25mm

M6 x 25 (w/sleeve)

8шт.

Выбрано товаров: 29