Запчасти Case IH MAGNUM 180 (55.015.AB[02]) - WIRE HARNESS, FRONT FRAME (55) - ELECTRICAL SYSTEMS

Схема запчастей Case IH MAGNUM 180 - (55.015.AB[02]) - WIRE HARNESS, FRONT FRAME (55) - ELECTRICAL SYSTEMS
4
8
22
35
10
55.015.ab 01
3
29
17
18
31
32
30
7
16
15
23
2
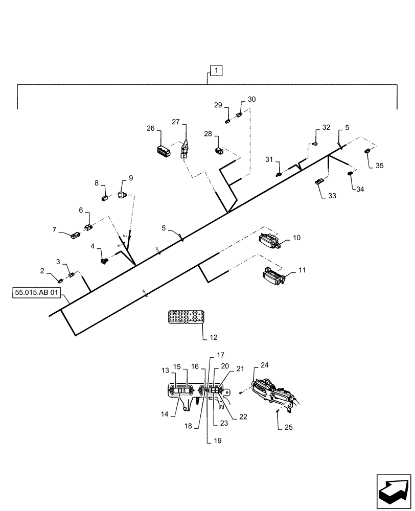
1
24
11
5
19
5
33
21
26
28
9
25
20
12
34
13
14
6
27
FIT
1:1
100%

Артикул

Название

Примечание

Количество

1

47678876

WIRE HARNESS

Engine, Incl 2 - 35, Also Incl Fig 55.015.AB [01]

1шт.

2

87696093

ELEC CONNECTOR,Female, 2 Cavities

X-152 Controller Area Network C, Deutsch DTM Series 2-way

1шт.

2

87696954

TERMINAL,Female, Nickel, 0.35 - 1.50mm

Deutsch Size 20

2шт.

2

87696145

LOCKING TAB

Wedge Lock, 2-way

1шт.

3

87696547

ELEC CONNECTOR,Female, 2 Cavities

Dust Cap for X-152

1шт.

3

84807680

PLUG

Sealing

2шт.

4

87709663

ELEC CONNECTOR,Female, 3 Cavities

X-307A WIF Sensor, AMP JPT 3-way

1шт.

4

87694668

ELEC CONNECTOR

AMP JPT Female

3шт.

5

84292754

CLIP,Cable Tie W/ Fir Tree, 5mm OD x 203mm OAL

Fir Tree

6шт.

6

87382918

WIRE CONNECTOR,Female, 6 Cavities

X-1255A Suspended Axle, FCI Apex 2.8mm 6-way

1шт.

6

84395356

TERMINAL,Female, 2.8mm, 18-20

FCI Apex 2.8mm Female

5шт.

6

84279937

PLUG,Apex, 2.80mm

Cavity

1шт.

7

87382919

WIRE CONNECTOR,Male, 6 Cavities

Dust Cap for X-1255A, FCI Apex 2.8mm 6-way

1шт.

7

84279937

PLUG,Apex, 2.80mm

Cavity

6шт.

8

87694112

ELEC CONNECTOR,Female, 6 Pole

X-437 To Steering Sensor Harness, Deutsch DT Series 6-way

1шт.

8

87695921

CONTACT,Female, Nickel, 0.50 - 1.00mm

Deutsch Size 16

6шт.

8

87694150

LOCKING TAB,Wedge Lock

Wedge Lock, 6-way

1шт.

9

84391167

CAP

Dust Cap for X-437

1шт.

10

84563565

FUSE HOLDER

X-206 GEP Module 1

1шт.

10

84574199

TERMINAL

Delphi Female Ducon 9.5

3шт.

10

NSS

NOT SOLD SEPARAT

TERMINAL Grote & Hartmann MAK Plus 8.0mm Female, Incl in 1

2шт.

10

84574203

TERMINAL

Delphi Metri-Pack .630 Female

2шт.

10

87693343

TERMINAL

Delphi Metri-Pack .630 Female

2шт.

10

84574208

PLUG

Cavity, Green

2шт.

10

NSS

NOT SOLD SEPARAT

PLUG GEP Cable Seal, Yellow, Incl in1

2шт.

10

84404932

COVER

Cover

1шт.

11

84380518

FUSE BOX

X-205 GEP Module 2

1шт.

11

87680656

CONTACT

Delphi Metri-Pack .280 Female

18шт.

11

87686739

CABLE TERMINAL,Female, Tin, 2.00 - 3.00mm

Delphi Metri-Pack .280 Female

8шт.

11

87686742

PLUG

Cavity

22шт.

11

84404932

COVER

Cover

1шт.

12

47371520

DECAL

GEP Fuses and Relays

1шт.

13

REF

INSTRUCTION

RELAY R2 Open

1шт.

14

82012388

FUSE,30A, Maxival, Green

F2 Engine Main Relay Fuse, 30A

1шт.

15

84539290

RELAY,12V, 50A

R1 Intermediate Starting Relay

1шт.

16

84153830

FUSE,5A, Mini, Beige

5A, F1

1шт.

17

84127702

FUSE,10A, Mini, Red

10A, F6

1шт.

18

84127704

FUSE,20A, Mini, Yellow

20A, F3

1шт.

19

84127705

FUSE,25A, Mini, White

25A, F2, F7

2шт.

20

84561098

RELAY,12V, 35A

Engine Starter Relay

1шт.

21

84561098

RELAY,12V, 35A

Engine After-Run Relay

1шт.

22

84561098

RELAY,12V, 35A

Ignition Switch Relay

1шт.

23

84561098

RELAY,12V, 35A

Engine Auxiliary Relay

1шт.

24

47567389

BRACKET

GEP Mounting

1шт.

25

864-6016

HEX SOC SCREW,M6 x 16mm, Cl 8.8

4шт.

26

84595906

ELEC CONNECTOR

X-180 ECO Controller, Bosch EDC17 Controller 96-way

1шт.

26

84300195

TERMINAL

Bosch Matrix 1.2 Female

48шт.

27

84596421

COVER

Bosch EDC17 Connector

1шт.

28

84152563

ELEC CONNECTOR

X-156 Engine Interface Connector, AMP MCP 1.5-2.8mm 7-way

1шт.

28

84152576

TERMINAL

AMP MCP 1.5K

2шт.

28

84129571

PLUG

Cavity, White

2шт.

28

82035902

PLUG

Cavity, Natural

1шт.

28

NSS

NOT SOLD SEPARAT

COVER AMP HDSCS/MCP 180 Degree, Incl in 1

1шт.

29

87696093

ELEC CONNECTOR,Female, 2 Cavities

X-183 ECM Flashing (CAN B), Deutsch DTM Series 2-way

1шт.

29

87696954

TERMINAL,Female, Nickel, 0.35 - 1.50mm

Deutsch Size 20

2шт.

29

87696145

LOCKING TAB

Wedge Lock, 2-way

1шт.

30

87696547

ELEC CONNECTOR,Female, 2 Cavities

Dust Cap for X-183, Deutsch DTM Series 2-way

1шт.

30

84807680

PLUG

Sealing

2шт.

31

87693744

WIRE CONNECTOR

X-073 A/C Compressor Clutch, Delphi Weather-Pack 1-way

1шт.

31

87692880

CABLE TERMINAL

Delphi Weather-Pack I Male

1шт.

32

NSS

NOT SOLD SEPARAT

TERMINAL X-310 A/C Compressor Clutch Gnd, M10 Ring, Incl in 1

1шт.

33

87688788

MULTIPOLE CONNECTOR,Male, 2 Pole

X-071 A/C High Pressure Switch, Delphi Metri-Pack .480, 2-way

1шт.

33

87688814

TERMINAL

Delphi Metri-Pack .480 Male

2шт.

33

87688862

LOCKING TAB

Black Secondary Lock, 2-way

1шт.

34

82012083

WIRE CONNECTOR,Female

X-302 Grid Heater Relay Coil, AMP Superseal 1.5, 2-way

1шт.

34

82012085

TERMINAL CONNECTOR,Female, Tin, 0.75 - 1.5mm

AMP Superseal 1.5 Female

2шт.

35

87695582

ELEC CONNECTOR,Female, 2 Pole

X-086 To Alternator, Deutsch DT Series 2-way

1шт.

35

87695921

CONTACT,Female, Nickel, 0.50 - 1.00mm

Deutsch Size 16

1шт.

35

84068583

PLUG,12 - 16 Ga, White

Sealing

1шт.

35

84074638

LOCKING TAB,Locking Wedge, Green

Wedge Lock, 2-way

1шт.

Выбрано товаров: 70