Запчасти Case IH MAGNUM 180 (10.500.AA[01]) - SCR TANK ASSY - DEF/ADBLUE, BSN ZERE08100 (10) - ENGINE

Схема запчастей Case IH MAGNUM 180 - (10.500.AA[01]) - SCR TANK ASSY - DEF/ADBLUE, BSN ZERE08100 (10) - ENGINE
25
11
13
16
10.500.aa 02
19
3
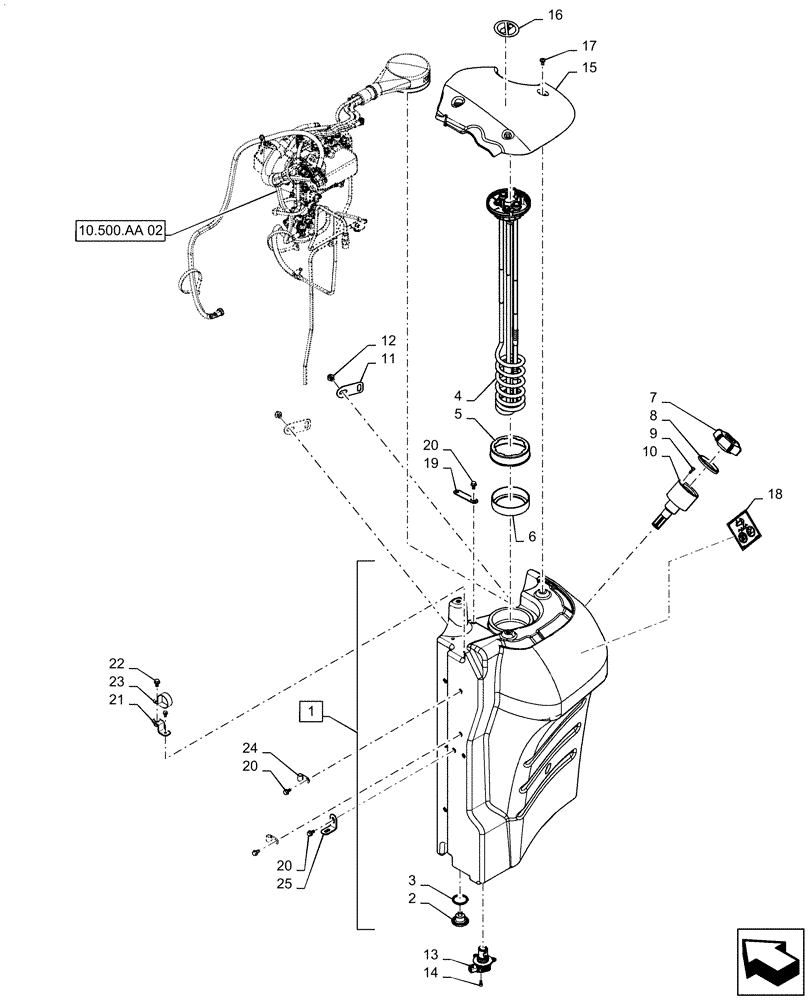
1
24
18
2
23
10
20
17
20
12
5
8
7
22
21
15
6
9
20
14
4
FIT
1:1
100%

Артикул

Название

Примечание

Количество

1

47598044

TANK

DEF/Adblue; Incl 2 - 3, 5 - 6

1шт.

2

84180403

DRAIN PLUG

DEF/Adblue Tank

1шт.

3

84180404

O-RING,3.5mm Thk x 39.0mm ID

Drain Plug, DEF/Adblue Tank

1шт.

4

47512698

SENSOR

DEF/Adblue Level

1шт.

4

47512698R

REMAN-ELECT GAUGE

DEF/Adblue Level

1шт.

4

47512698C

CORE GAUGE ELECT

Return Number

1шт.

5

NSS

NOT SOLD SEPARAT

BUSHING, Outer, Sender Unit, DEF/Adblue, Incl in 1

1шт.

6

NSS

NOT SOLD SEPARAT

BUSHING, Inner, Sender Unit, DEF/Adblue, Incl in1

1шт.

7

84206552

FILLER CAP,Male

DEF/Adblue Tank

1шт.

8

84186232

RING

Filler Neck, DEF/Adblue Tank

1шт.

9

84246766

HEX SOC SCREW,M4 x 12mm, SST

M4 x 12 FULL SST PLN

4шт.

10

87483158

NECK FILLER

DEF/Adblue Tank

1шт.

11

47370784

PLATE

Tank Joining, Rear

2шт.

12

87646158

BOLT,Hex, M10 x 15mm, Cl 8.8

Flange M10 x 15 FULL 8.8 ZND

4шт.

13

47520143

SENSOR

1шт.

14

47372452

HEX SOC SCREW,M6 x 1.0 x 14mm

Hex Soc M6 x FULL SST PLN

3шт.

15

47574651

COVER

DEF Tank

1шт.

16

84432904

DECAL

No Step

1шт.

17

13279221

SCREW,Pozidriv Pan Hd, M8 x 16mm, Cl 8.8, Full Thd

3шт.

18

47692590

DECAL

DEF/Adblue Tank, Clean Machine

1шт.

19

47370785

PLATE

Tank Joining, Top

1шт.

20

844-8016

BOLT,Hex, M8 x 16mm, Cl 8.8

7шт.

21

47383433

BRACKET

DEF/Adblue Line

1шт.

22

844-10020

BOLT,Hvy Hex, M10 x 20mm, Cl 8.8

1шт.

23

515-23444

CLAMP,1 3/4", Insul, 3/8" Bolt

1шт.

24

47404517

CLIP,11mm, Coat, 10.3mm Bolt Hole, J Type

J 11.0 mm Insul M10 Bolt

2шт.

25

47370783

PLATE

Tank Joining, Front

1шт.

Выбрано товаров: 27