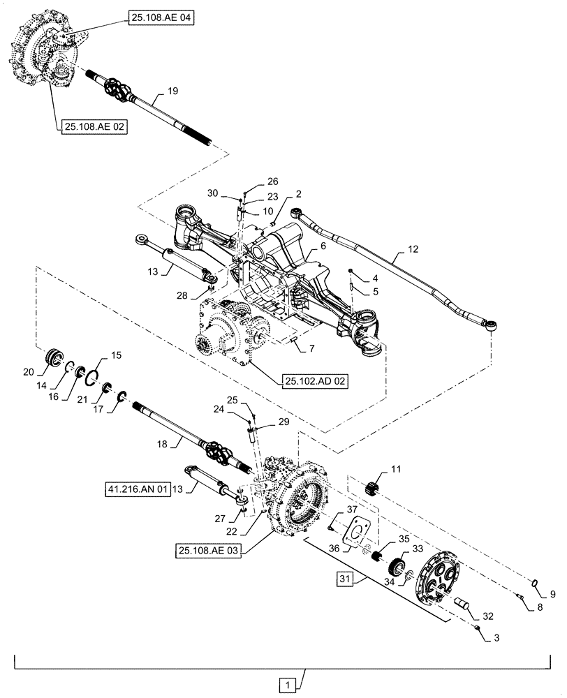
Запчасти Case IH MAGNUM 180 (25.100.AA[03]) - VAR - 429327 - AXLE COMPLETE - CL 4 (25) - FRONT AXLE SYSTEM

Схема запчастей Case IH MAGNUM 180 - (25.100.AA[03]) - VAR - 429327 - AXLE COMPLETE - CL 4 (25) - FRONT AXLE SYSTEM
3
8
6
34
36
20
25.102.ad 02
37
14
23
25.108.ae 02
21
25
25.108.ae 04
31
2
35
12
7
13
32
15
19
22
27
16
1
24
29
5
30
28
10
13
4
41.216.an 01
25.108.ae 03
33
18
17
11
9
26
FIT
1:1
100%

Артикул

Название

Примечание

Количество

1

47438136

STEERING AXLE

Front, CL 4; Incl 2 - 38

1шт.

2

14324411

MAGNETIC PLUG,M22 x 1.50, Cl 5.8, ZND

1шт.

3

14326211

PLUG,M22 x 1.50, R50, ZND

3шт.

4

16101511

NUT,M12 x 1.25, Cl 8

2шт.

5

87316865

SET SCREW,M12 x 1.25 x 53mm

2шт.

6

84238608

HOUSING

Front Axle, CL 4

1шт.

7

5174376

DOWEL,M16 x 30

2шт.

8

14274834

BOLT,Hex, M12 x 1.25 x 45mm, Cl 10.9

24шт.

9

5123651

SNAP RING,36mm, External

D=40MM

4шт.

10

5198013

PIN,24.97mm OD x 100mm L

Pivot, Steering Cyinder

2шт.

11

84262815

PLANETARY GEAR

Sun

2шт.

12

84293064

STEERING TIE-ROD

Front, CL 4

1шт.

13

5198883

STEERING CYLINDER,Double Acting, 25mm Rod, 232.5mm Stroke

Steering

2шт.

14

11061376

SNAP RING,M68, Int

2шт.

15

87421145

O-RING,0.139" Thk x 3.484" ID, -238, Cl 5, 75 Duro

2шт.

16

28042480

BALL BEARING,40.00mm x 68.00mm x 15.00mm

2шт.

17

5109311

SEAL PROTECTION,45.2mm ID x 68mm OD x 1mm Thk

2шт.

18

84184130

AXLE-SHAFT, ARTICULA

RH, Front Axle

1шт.

19

84184133

AXLE-SHAFT, ARTICULA

LH, Front Axle

1шт.

20

84181579

BUSHING,60mm ID x 95mm OD x 52mm L

For Bearing and Axle Shaft

2шт.

21

84166622

SEAL,43.1mm ID x 60mm OD x 17.2mm Thk

2шт.

22

11067376

SNAP RING,M25, Ext

2шт.

23

11193874

BELLEVILLE WASHER,M8 Bolt Size x 16mm OD x 1.4mm Thk

2шт.

24

13406911

LUBE NIPPLE,Straight, 1/4"-28 x 0.54"

2шт.

25

16043421

BOLT,Hex, M8 x 1.25 x 20mm, Cl 8.8, Full Thd

3шт.

26

16043824

SCREW,Hex, M8 x 1.25 x 30mm, Cl 8.8, Full Thd, DAC

1шт.

27

5111573

SPACER,25.5mm ID x 34mm OD x 5.9mm L

D=25,5 x 34MM

4шт.

28

5111576

SPACER,25.5mm ID x 34mm OD x 11mm L

2шт.

29

5171707

PIN,24.97mm OD x 91mm L

Pivot, Steering Cylinder

2шт.

30

5120532

LUBE NIPPLE,Straight, M14 x 1.5 x 6.50mm

2шт.

31

87576872

PLANETARY REDUCER

Support Assy; Incl 32 - 37

2шт.

32

87576873

SUPPORT

Planetary Carrier

1шт.

33

87576871

IDLER PINION

Final Drives

4шт.

34

87576870

THRUST WASHER

Planetary Gear

8шт.

35

87576874

ROLLER BEARING,38.2mm ID x 48.2mm OD x 35.5mm W

Pkg Qty 27

4шт.

36

87576876

PLATE

1шт.

37

14274424

LOCK BOLT,Hex, M12 x 1.25 x 25mm, Cl 8.8, Full Thd

4шт.

Выбрано товаров: 37