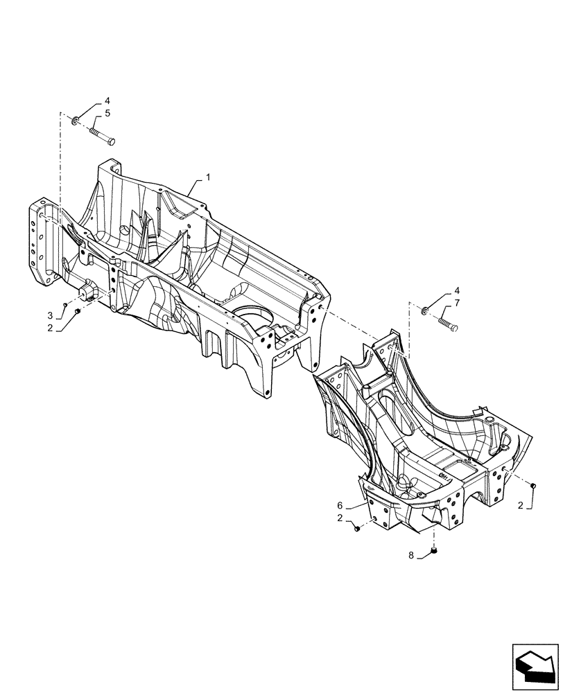
Запчасти Case IH MAGNUM 180 (39.100.AY[01]) - VAR- 429327 - FRAME, FRONT - CL 4.0 AXLE (39) - FRAMES AND BALLASTING

Схема запчастей Case IH MAGNUM 180 - (39.100.AY[01]) - VAR- 429327 - FRAME, FRONT - CL 4.0 AXLE (39) - FRAMES AND BALLASTING
5
4
1
4
2
6
7
8
3
2
2
FIT
1:1
100%

Артикул

Название

Примечание

Количество

1

47417162

FRAME

Front

1шт.

2

305138A1

PLUG

M20

32шт.

3

128209A1

PLUG

4шт.

4

396-31081

WASHER,20.63mm ID x 38.1mm OD x 5.56mm Thk

18шт.

5

828-20120

BOLT,Hex, M20 x 2.5 x 120mm, Cl 10.9

10шт.

6

87703127

FRAME

Support, Front Extension

1шт.

7

258504A1

BOLT

M20 x 90 Cl 10.9

8шт.

8

353-79

PLUG

6шт.

Выбрано товаров: 8