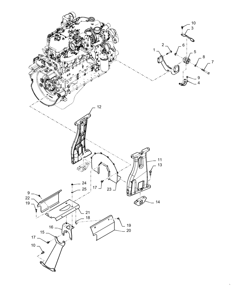
Запчасти Case IH MAGNUM 180 (10.001.AK[03]) - VAR- 420228 - ENGINE MOUNTING PARTS, SADDLE SUSPENSION - BSN ZERH08099 (10) - ENGINE

Схема запчастей Case IH MAGNUM 180 - (10.001.AK[03]) - VAR- 420228 - ENGINE MOUNTING PARTS, SADDLE SUSPENSION - BSN ZERH08099 (10) - ENGINE
5
6
16
24
21
22
7
19
23
17
17
1
3
25
10
10
13
2
9
12
8
20
15
9
14
4
11
19
18
FIT
1:1
100%

Артикул

Название

Примечание

Количество

1

84572230

SUPPORT

Front Engine Mount

1шт.

2

854-12090

BOLT,Hvy Hex, M12 x 90mm, Cl 10.9

4шт.

3

84572239

CLAMP BRACKET

Engine Mount

1шт.

4

87387523

BRACKET

Front Engine Mount

1шт.

5

247991A1

RUBBER MOUNTING,76.2mm OD x 86.4mm L

Front Engine Mount

1шт.

6

825-2416

FLANGE NUT,M16 x 2, Flg, Cl 8

1шт.

7

392531

BOLT,Hex, M16 x 2 x 130mm, Cl 10.9

1шт.

8

896-11016

WASHER,17.5mm ID x 30mm OD x 4mm Thk

1шт.

9

844-8020

BOLT,Hvy Hex, M8 x 20mm, Cl 8.8

6шт.

10

844-12025

BOLT,Hvy Hex, M12 x 25mm, Cl 8.8

4шт.

11

84126292

SUPPORT

Hood Lower, RH

1шт.

12

47392877

SUPPORT

Hood Lower, LH

1шт.

13

87018388

BOLT,Hvy Hex, M12 x 45mm, Cl 10.9

4шт.

14

251991A1

SUPPORT

Engine Mount, Rear

2шт.

15

87727816

BRACKET

Shield Support

1шт.

16

47359965

BRACKET

Shield Mounting

1шт.

17

844-10025

BOLT,Hex, M10 x 25mm, Cl 8.8

8шт.

18

833-41308

SPRING NUT,M8, U

4шт.

19

844-8016

BOLT,Hex, M8 x 16mm, Cl 8.8

4шт.

20

87727812

SHIELD

RH

1шт.

21

47357659

SHIELD

Upper, Driveshaft

1шт.

22

87727818

SHIELD

LH

1шт.

23

84403320

COVER

Flywheel

1шт.

24

825-2408

FLANGE NUT,M8 x 1.25, Flg, Cl 8

2шт.

25

895-15008

WASHER,9mm ID x 20mm OD x 1.6mm Thk

2шт.

Выбрано товаров: 25