Запчасти Case IH MAGNUM 180 (10.202.AK) - AIR INTAKE (10) - ENGINE

Схема запчастей Case IH MAGNUM 180 - (10.202.AK) - AIR INTAKE (10) - ENGINE
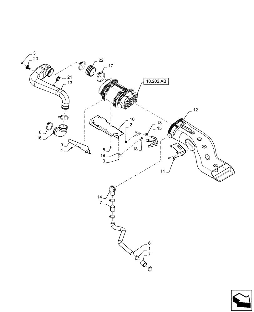
18
11
5
13
2
14
22
7
7
1
4
18
17
8
10.202.ab
21
3
15
9
19
20
3
6
12
16
10
FIT
1:1
100%

Артикул

Название

Примечание

Количество

1

214-1432

HOSE CLAMP,#32, 1.56" - 2.5", Type F Worm

4шт.

2

638-53200

O-RING,2.65mm Thk x 20mm ID, Cl 5, 75 Duro

1шт.

3

844-6012

BOLT,Hvy Hex, M6 x 12mm, Cl 8.8

5шт.

4

844-8016

BOLT,Hex, M8 x 16mm, Cl 8.8

2шт.

5

844-8020

BOLT,Hvy Hex, M8 x 20mm, Cl 8.8

12шт.

6

47452302

TUBE

Aspirator

1шт.

7

47453044

HOSE

Aspirator Sleeve

2шт.

8

L127771

CLAMP,107.95mm - 130.18mm

2шт.

9

47536409

BRACKET

Deaeration Tank

1шт.

10

47543057

SHIELD

Heat, Air Cleaner

1шт.

11

47566781

BRACKET

Air Cleaner Support

1шт.

12

84574756

AIR DUCT

Intake

1шт.

13

84574765

AIR DUCT

Clean Air

1шт.

14

84574768

TUBE

CCV Port

1шт.

15

84574770

HOSE

Intake Air, Crankcase Vent

1шт.

16

84598754

ELBOW

Intake to Turbo

1шт.

17

L124802

COLLAR CLAMP

2шт.

18

86625021

HOSE CLAMP,17.5mm - 31.7mm, Worm Gear

2шт.

19

87032428

CLAMP,22.2mm, Coat, 10.3mm Bolt Hole, J Type

1шт.

20

87482355

SENSOR

Humidity and Temperature, Air Intake

1шт.

21

293797A1

RESTRICTION SWITCH

Air

1шт.

22

84598755

INTAKE AIR HOSE

Air Cleaner to Duct

1шт.

Выбрано товаров: 22