Запчасти Case IH MAGNUM 180 (10.500.AA[03]) - SCR TANK ASSY - DEF/ADBLUE, ASN ZERE08100 (10) - ENGINE

Схема запчастей Case IH MAGNUM 180 - (10.500.AA[03]) - SCR TANK ASSY - DEF/ADBLUE, ASN ZERE08100 (10) - ENGINE
18
10
20
4
20
17
2
13
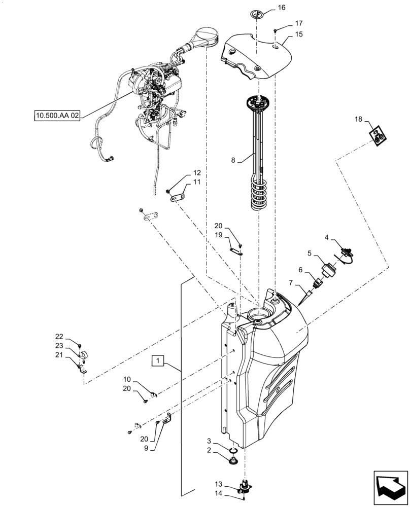
1
12
6
7
22
11
19
5
8
14
23
10.500.aa 02
21
15
9
20
3
16
FIT
1:1
100%

Артикул

Название

Примечание

Количество

1

47801111

EXHAUST FLUID TANK

DEF/Adblue; Incl 2 - 7

1шт.

2

84180403

DRAIN PLUG

DEF/Adblue Tank

1шт.

3

84180404

O-RING,3.5mm Thk x 39.0mm ID

Drain Plug,DEF/Adblue Tank

1шт.

4

47666522

CAP

DEF Filler, Locking

1шт.

5

NSS

NOT SOLD SEPARAT

FILLER NECK, Incl in 1

1шт.

6

47688377

INSERT

DEF Nozzle

1шт.

7

47680524

FILTER, DEF,100 Micron

DEF Tank Filler

1шт.

8

47512698

SENSOR

DEF/Adblue Level

1шт.

8

47512698R

REMAN-ELECT GAUGE

DEF/Adblue Level

1шт.

8

47512698C

CORE GAUGE ELECT

Return Number

1шт.

9

47370783

PLATE

Tank Joining, Front

1шт.

10

47404517

CLIP,11mm, Coat, 10.3mm Bolt Hole, J Type

J 11.0 mm Insul M10 Bolt

2шт.

11

47370784

PLATE

Tank Joining, Rear

2шт.

12

87646158

BOLT,Hex, M10 x 15mm, Cl 8.8

Flange M10 x 15 FULL 8.8 ZND

4шт.

13

47520143

SENSOR

1шт.

14

47372452

HEX SOC SCREW,M6 x 1.0 x 14mm

Hex Soc M6 x FULL SST PLN

3шт.

15

47574651

COVER

DEF Tank

1шт.

16

84432904

DECAL

No Step

1шт.

17

13279221

SCREW,Pozidriv Pan Hd, M8 x 16mm, Cl 8.8, Full Thd

3шт.

18

47692590

DECAL

DEF/Adblue Tank, Clean Machine

1шт.

19

47370785

PLATE

Tank Joining, Top

1шт.

20

844-8016

BOLT,Hex, M8 x 16mm, Cl 8.8

7шт.

21

47383433

BRACKET

DEF/Adblue Line

1шт.

22

844-10020

BOLT,Hvy Hex, M10 x 20mm, Cl 8.8

1шт.

23

515-23444

CLAMP,1 3/4", Insul, 3/8" Bolt

1шт.

Выбрано товаров: 0