Запчасти Case IH MAGNUM 190 (21.105.01[02]) - GEARBOX LUBRICATION, PIPES, WITH POWERSHIFT TRANSMISSION (21) - TRANSMISSION

Схема запчастей Case IH MAGNUM 190 - (21.105.01[02]) - GEARBOX LUBRICATION, PIPES, WITH POWERSHIFT TRANSMISSION (21) - TRANSMISSION
5
4
8
6
7
1
3
home
21.135.01(01)
21.105.01(01)
6
2
FIT
1:1
100%

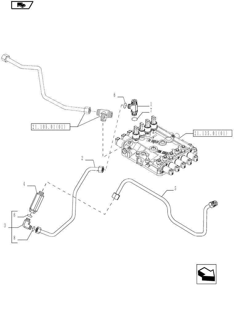
Артикул

Название

Примечание

Количество

1

5187064

TEE

Incl. 6, 7

1шт.

2

47137394

HYD TUBE

Excess Steering Pump.

1шт.

3

5185562

ELBOW

1шт.

4

5185046

HYD CONNECTOR,1-14 ORFS x M18 x 1.5 ORB

1шт.

5

87316315

HYD TUBE

To Steering motor

1шт.

6

5185512

O-RING,0.07" Thk x 0.614" ID, -16, Cl 6, 90 Duro

2шт.

7

14438185

O-RING,24mm ID x 3mm

1шт.

8

14437985

O-RING,15.3mm ID x 2.4mm

1шт.

Выбрано товаров: 8