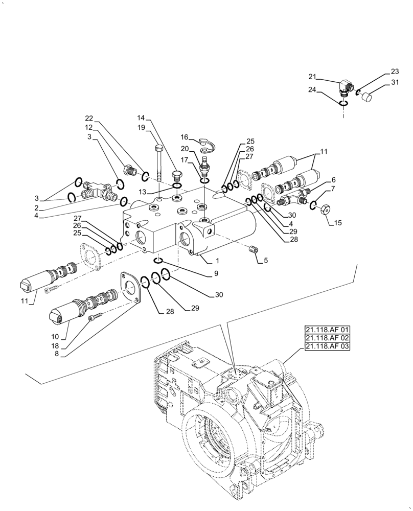
Запчасти Case IH MAGNUM 190 (31.104.01) - PTO, DISTRIBUTOR VALVE ASSEMBLY (31) - IMPLEMENT POWER TAKE OFF

Схема запчастей Case IH MAGNUM 190 - (31.104.01) - PTO, DISTRIBUTOR VALVE ASSEMBLY (31) - IMPLEMENT POWER TAKE OFF
10
4
15
16
30
21
18
21.118.af 03
25
3
31
28
20
7
27
11
13
26
30
3
14
4
29
8
9
29
2
22
27
1
21.118.af 01
21.118.af 02
5
17
19
26
11
6
12
23
24
25
28
FIT
1:1
100%

Артикул

Название

Примечание

Количество

1

87525222

DISTRIBUTOR

Low Pressure, Incl 2, 6, 8, 10, 12, 14, 16, 18 - 20, 22

1шт.

2

5187063

HYD CONNECTOR

1шт.

3

5185512

O-RING,0.07" Thk x 0.614" ID, -16, Cl 6, 90 Duro

4шт.

4

14438085

O-RING,19.3mm ID x 2.4mm

2шт.

5

14326004

PLUG,Hex Socket, M10 x 1.25 x 11.00mm, STL, DAC

M10 x 1.25

6шт.

6

47136372

HYD CONNECTOR,M22 x 1.5 x 88.5mm L

1шт.

7

5185511

O-RING,1.78mm Thk x 12.42mm ID, 85 Duro

M12.42 ID x 1.78 Thk

1шт.

8

5194826

BRACKET

4шт.

9

14457080

O-RING,0.103" Thk x 0.487" ID, -112, Cl 5, 75 Duro

7шт.

10

87739558

SOLENOID VALVE,14W

Incl 28 - 30

1шт.

10

87739558R

REMAN-SOLENOID

1шт.

10

87739558C

CORE-SOLENOID

Return Number

1шт.

11

84276869

SOLENOID

Incl 25 - 27

3шт.

12

10119311

PLUG,M16 x 1.5 x 12, Cl5.8

Incl 22 (Qty 1)

1шт.

13

87316678

SEALING WASHER,10mm ID x 16mm OD x 2.3mm Thk

4шт.

14

87535222

PLUG,Hex, M10 x 1 x 13mm

4шт.

15

47123020

PLUG,Hex

13/16

1шт.

16

5185424

DUST CAP,11.5mm ID x 81.5 L, Black

Plug, Quick Coupling

1шт.

17

14437785

O-RING,11.3mm ID x 2.4mm

1шт.

18

14305124

HEX SOC SCREW,M6 x 12mm, Cl 8.8, Full Thd

8шт.

19

15888821

BOLT,Hex, M10 x 1.25 x 70mm, Cl 8.8

4шт.

20

5185423

COUPLING

Quick, Male

1шт.

21

86579687

ELBOW,90 Degree, 11/16"-16 x M16 x 1.5 ORB

Incl 23, 24

1шт.

22

14437885

O-RING,13.30mm ID x 2.40mm

2шт.

23

9993141

O-RING,0.07" Thk x 0.364" ID, -12, Cl 6, 90 Duro

1шт.

24

86598100

O-RING,2.2mm Thk x 13.3mm ID, Cl 6, 90 Duro

1шт.

25

NSS

NOT SOLD SEPARAT

O-RING, Incl in 11

1шт.

26

NSS

NOT SOLD SEPARAT

O-RING, Incl in 11

1шт.

27

NSS

NOT SOLD SEPARAT

O-RING, Incl in 11

1шт.

28

NSS

NOT SOLD SEPARAT

O-RING, Incl in 10

1шт.

29

NSS

NOT SOLD SEPARAT

O-RING, Incl in 10

1шт.

30

NSS

NOT SOLD SEPARAT

O-RING, Incl in 10

1шт.

31

9625546

CAP,11/16" - 16 ORFS

1шт.

Выбрано товаров: 33