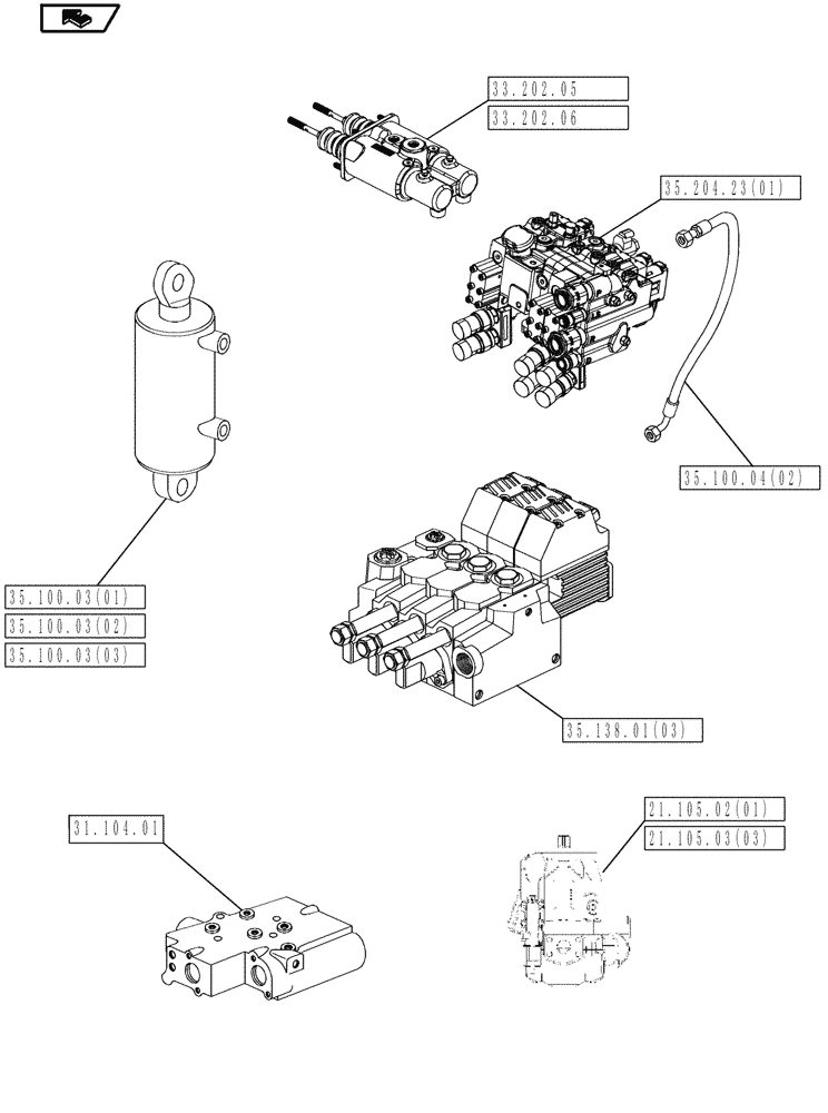
Запчасти Case IH MAGNUM 190 (00.000.35) - PICTORIAL INDEX - HYDRAULIC SYSTEMS (00) - GENERAL & PICTORIAL INDEX

Схема запчастей Case IH MAGNUM 190 - (00.000.35) - PICTORIAL INDEX - HYDRAULIC SYSTEMS (00) - GENERAL & PICTORIAL INDEX
35.204.23(01)
21.105.03(03)
21.105.02(01)
33.202.05
35.100.03(02)
home
33.202.06
35.100.03(03)
35.100.04(02)
31.104.01
35.138.01(03)
35.100.03(01)
FIT
1:1
100%