Запчасти Case IH MAGNUM 190 (37.110.AC[02]) - VAR- 420525 - 3 POINT HITCH - SOLID BALL EDC 7200KG (37) - HITCHES, DRAWBARS & IMPLEMENT COUPLINGS

Схема запчастей Case IH MAGNUM 190 - (37.110.AC[02]) - VAR- 420525 - 3 POINT HITCH - SOLID BALL EDC 7200KG (37) - HITCHES, DRAWBARS & IMPLEMENT COUPLINGS
35.124.ah 01
17
17
37.110.aa 01
20
22
15
25
27
11
26
10
18
10
23
4
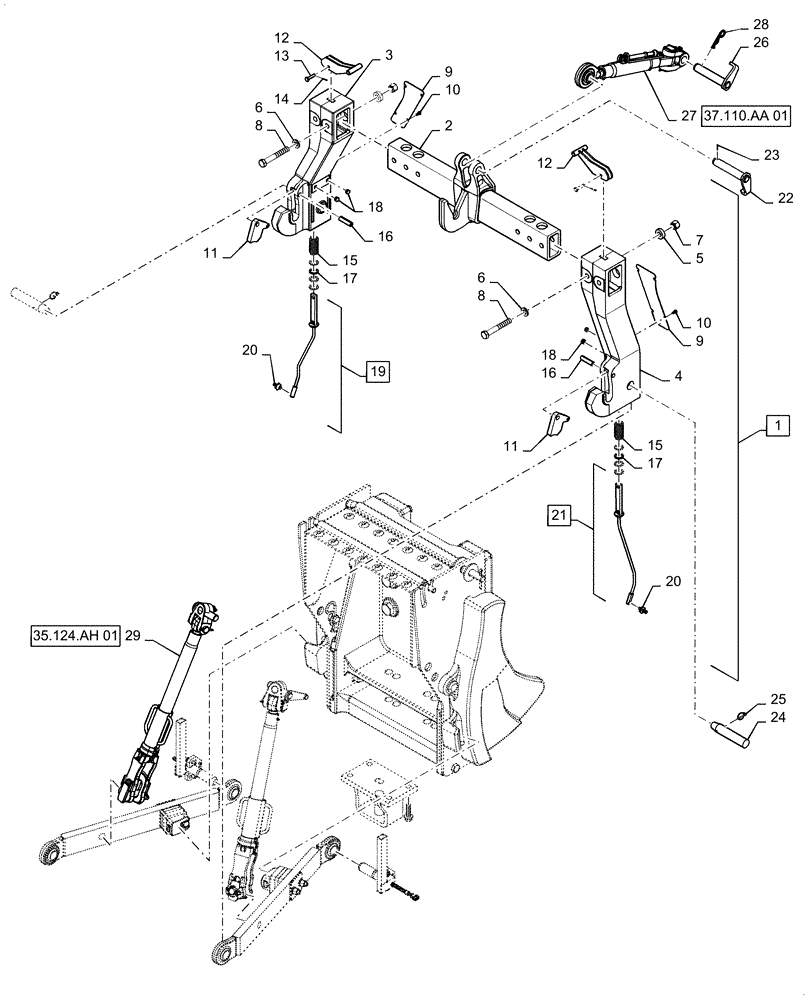
1
24
28
13
9
2
15
3
20
12
6
29
7
21
16
8
16
14
5
12
9
18
11
8
19
6
FIT
1:1
100%

Артикул

Название

Примечание

Количество

1

87720373

3 POINT HITCH

Quick Coupler Assy; Incl 2 - 21

1шт.

2

87394195

HOOK

Quick Coupler

1шт.

3

87720318

HOOK

Quick Coupler, LH, Lower

1шт.

4

87720319

HOOK

Quick Coupler, RH, Lower

1шт.

5

372189A1

SPACER

Hitch Coupler

4шт.

6

896-11020

WASHER,22mm ID x 37mm OD x 4mm Thk

4шт.

7

832-10420

NUT,M20 x 2.5, Cl 8

4шт.

8

827-20140

BOLT,Hex, M20 x 2.5 x 140mm, Cl 10.9

4шт.

9

87332477

COVER

Quick Coupler Access

2шт.

10

614-8016

BOLT,Hex, M8 x 1.25 x 16mm, Cl 8.8, Full Thd

8шт.

11

448834A3

LATCH

Quick Coupler

2шт.

12

452046A1

HANDLE

Latch Release

2шт.

13

728-1045

CLEVIS PIN,M10 x 45

2шт.

14

733-3220

COTTER PIN,M3.2 x 20

2шт.

15

70-4340T1

COMPRESSION SPRING

2шт.

16

87012660

PIN,16mm OD x 65mm L, Coiled

2шт.

17

495-81082

WASHER,1 3/32" x 1 1/2" x .120"

8шт.

18

716495R2

PLUG

Plastic

4шт.

19

87394738

LINK,M22 x 12.85 x 525mm L

Assy, Quick Coupler Latch; Incl 20

1шт.

20

158397H1

BALL JOINT

3/8 C-Z Type A

2шт.

21

87394739

LINK,M22 x 12.85 x 525mm L

Assy, Quick Coupler Latch; Incl 20

1шт.

22

321527A3

PIN ASSY.

Upper Link

1шт.

23

733-6350

COTTER PIN,M6.3 x 50

1шт.

24

A75028

PIN,36.45mm OD x 138mm L

Hitch Coupler Frame Lower

2шт.

25

378704A1

LOCK PIN

7/16 x 1-3/4, ZP

2шт.

26

84304047

HITCH PIN

Upper Link

1шт.

27

84280614

TOP LINK

Htich, Short

1шт.

28

486830R1

COTTER PIN

Quick Attach

1шт.

29

84253931

LIFT LINK

2шт.

Выбрано товаров: 29