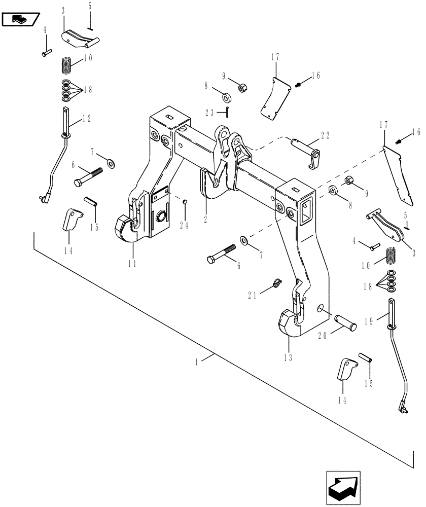
Запчасти Case IH MAGNUM 190 (39.110.04) - QUICK HITCH COUPLER, CONVERTIBLE, CATEGORY III / III-N (39) - FRAMES AND BALLASTING

Схема запчастей Case IH MAGNUM 190 - (39.110.04) - QUICK HITCH COUPLER, CONVERTIBLE, CATEGORY III / III-N (39) - FRAMES AND BALLASTING
24
4
7
home
18
11
16
6
14
17
19
16
22
5
15
14
9
2
8
10
17
23
7
4
5
18
1
15
9
3
21
10
3
6
13
20
8
12
FIT
1:1
100%

Артикул

Название

Примечание

Количество

1

87720373

3 POINT HITCH

Incl. Refs. 2 - 19, 24

1шт.

2

87394195

HOOK

Coupler, Quick

1шт.

3

452046A1

HANDLE

2шт.

4

728-1045

CLEVIS PIN,M10 x 45

2шт.

5

733-3220

COTTER PIN,M3.2 x 20

2шт.

6

827-20140

BOLT,Hex, M20 x 2.5 x 140mm, Cl 10.9

4шт.

7

896-11020

WASHER,22mm ID x 37mm OD x 4mm Thk

4шт.

8

372189A1

SPACER

4шт.

9

832-10420

NUT,M20 x 2.5, Cl 8

4шт.

10

70-4340T1

COMPRESSION SPRING

2шт.

11

87720318

HOOK

LH

1шт.

12

87394739

LINK,M22 x 12.85 x 525mm L

LH

1шт.

13

87720319

HOOK

RH

1шт.

14

448834A3

LATCH

2шт.

15

87012660

PIN,16mm OD x 65mm L, Coiled

2шт.

16

614-8016

BOLT,Hex, M8 x 1.25 x 16mm, Cl 8.8, Full Thd

8шт.

17

87332477

COVER

2шт.

18

495-81082

WASHER,1 3/32" x 1 1/2" x .120"

8шт.

19

87394738

LINK,M22 x 12.85 x 525mm L

RH

1шт.

20

A75028

PIN,36.45mm OD x 138mm L

2шт.

21

378704A1

LOCK PIN

2шт.

22

321527A3

PIN ASSY.

1шт.

23

733-6350

COTTER PIN,M6.3 x 50

1шт.

24

716495R2

PLUG

4шт.

Выбрано товаров: 24