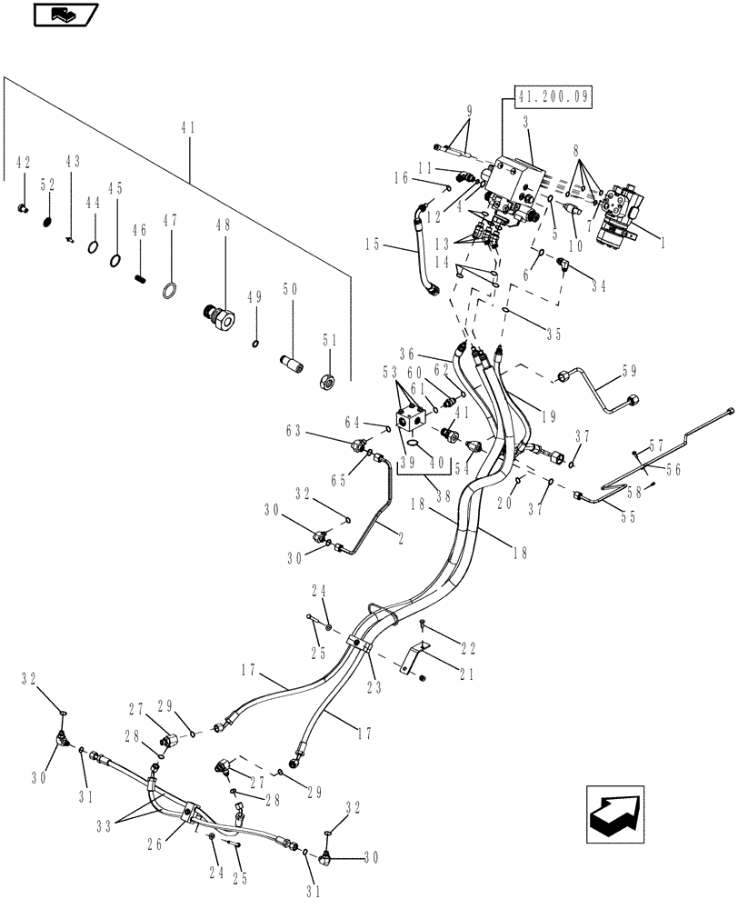
Запчасти Case IH MAGNUM 190 (41.200.04) - STEERING SYSTEM, MFD WITH AUTOGUIDANCE, CONTINUOUSLY VARIABLE TRANSMISSION (41) - STEERING

Схема запчастей Case IH MAGNUM 190 - (41.200.04) - STEERING SYSTEM, MFD WITH AUTOGUIDANCE, CONTINUOUSLY VARIABLE TRANSMISSION (41) - STEERING
45
59
23
41.200.09
17
63
32
65
46
60
12
17
43
34
30
3
24
8
30
31
62
26
41
18
37
30
29
25
16
51
10
56
40
28
49
25
50
36
64
15
33
19
2
27
54
37
30
27
61
9
32
1
11
13
47
52
24
14
42
4
31
58
6
21
20
48
home
28
55
38
41
22
7
32
39
5
18
29
53
57
44
35
FIT
1:1
100%

Артикул

Название

Примечание

Количество

1

87315009

PUMP

293 CC/REV, 40K

1шт.

1

87540539

PUMP

74/305 CC/REV, 50K

1шт.

2

84135057

RIGID TUBE

1шт.

3

84259183

HYDRAULIC VALVE

Assembly, Inc. 4 - 6

1шт.

4

637-63153

O-RING,2.2mm Thk x 15.3mm ID, Cl 6, 90 Duro

4шт.

5

237-6004

O-RING,0.072" Thk x 0.351" ID, -904, Cl 6, 90 Duro

1шт.

6

637-63113

O-RING,2.2mm Thk x 11.3mm ID, Cl 6

1шт.

7

238-6113

O-RING,0.103" Thk x 0.549" ID, -113, Cl 6, 90 Duro

1шт.

8

238-6117

O-RING,0.103" Thk x 0.799" ID, -117, Cl 6, 90 Duro

4шт.

9

86625211

HEX SOC SCREW,M12 x 1.75 x 130mm, Cl 8.8

2шт.

10

87428328

PRESSURE SWITCH

Transducer, 3000 PSI

1шт.

11

87491814

FITTING

Inc. 12

1шт.

12

637-63153

O-RING,2.2mm Thk x 15.3mm ID, Cl 6, 90 Duro

1шт.

13

87345924

FITTING,45 Degree, M18 x 1.5 ORB x -08 Fem STC

Inc. 14

3шт.

14

637-63153

O-RING,2.2mm Thk x 15.3mm ID, Cl 6, 90 Duro

1шт.

15

84335355

HYDRAULIC HOSE

Steering Supply, Inc. 16

1шт.

16

9992069

O-RING,0.07" Thk x 0.614" ID, -16, Cl 6, 90 Duro

1шт.

17

87401118

HOSE,9.5mm ID x 1950mm L

Steering, Left Hand/Right Hand STC

2шт.

18

87753673

CONDUIT

3/4 ID

2шт.

19

84174370

HYDRAULIC HOSE

Steering LS, Inc. 20

1шт.

20

9993141

O-RING,0.07" Thk x 0.364" ID, -12, Cl 6, 90 Duro

1шт.

21

84137985

BRACKET

Steering Hose Clamp

1шт.

22

614-8020

BOLT,Hex, M8 x 1.25 x 20mm

1шт.

23

87749784

CLAMP

1шт.

24

895-15008

WASHER,9mm ID x 20mm OD x 1.6mm Thk

2шт.

25

814-8055

BOLT,Hex, M8 x 1.25 x 55mm, Cl 8.8

2шт.

26

87000150

CLAMP,15.869mm ID

1шт.

27

700-412

TEE,13/16" - 16 Male ORFS x 13/16" - 16 Male ORFS x M18 x 1.5 Male ORB

Inc. 28, 29

2шт.

28

238-6014

O-RING,0.07" Thk x 0.489" ID, -14, Cl 6, 90 Duro

2шт.

29

637-63153

O-RING,2.2mm Thk x 15.3mm ID, Cl 6, 90 Duro

1шт.

30

700-304

ELBOW,90 Degree Elbow, 11/16" - 16 Male ORFS x M14 x 1.5 Male ORB

Inc. 31, 32

3шт.

31

238-6012

O-RING,0.07" Thk x 0.364" ID, -12, Cl 6, 90 Duro

1шт.

32

637-63113

O-RING,2.2mm Thk x 11.3mm ID, Cl 6

1шт.

33

249817A2

HOSE,9.52mm ID x 778mm L

Steering Brake, Serial Range: Cylinder-Cylinder

2шт.

34

87490183

FITTING

Inc. 35

1шт.

35

637-63113

O-RING,2.2mm Thk x 11.3mm ID, Cl 6

1шт.

36

84174369

HYDRAULIC HOSE

Steering Return, Inc. 37

1шт.

37

9991976

O-RING,0.07" Thk x 0.739" ID, -18, Cl 6, 90 Duro

1шт.

38

87472910

VALVE PRESSURE RELIE

Assembly, Inc. 39 - 52

1шт.

39

NSS

NOT SOLD SEPARAT

VALVE

1шт.

40

238-5124

O-RING,0.103" Thk x 1.237" ID, -124, Cl 5, 75 Duro

1шт.

41

242569A1

CARTRIDGE

EF Inc. 42 - 52

1шт.

42

196095A1

SEAT

1шт.

43

G108556

VALVE POPPET

1шт.

44

238-6018

O-RING,0.07" Thk x 0.739" ID, -18, Cl 6, 90 Duro

1шт.

45

G35540

BACK-UP RING,19.43mm ID x 22.23mm OD x 1.32mm Thk

1шт.

46

130059A1

SPRING

1шт.

47

237-6012

O-RING,0.116" Thk x 0.924" ID, -912, Cl 6, 90 Duro

1шт.

48

G108866

HOUSING,1-1/16" - 12

1шт.

49

238-6012

O-RING,0.07" Thk x 0.364" ID, -12, Cl 6, 90 Duro

1шт.

50

G108867

PLUG

1шт.

51

25-1510

JAM NUT,Jam, 5/8"-18, G5

1шт.

52

196096A1

SCREEN

1шт.

53

844-8060

BOLT,Hex Flng, M8 x 1.25 x 60mm, Cl 8.8

3шт.

54

87499945

BRANCH TEE

1шт.

55

84230055

HYD TUBE,0.312" OD

Steering LS

1шт.

56

515-2179

CLAMP,5/16", Insul, 1/4" Bolt

1шт.

57

844-6016

BOLT,Hvy Hex, M6 x 16mm, Cl 8.8

1шт.

58

825-2406

FLANGE NUT,M6 x 1, Cl 8.8

1шт.

59

84221671

HYD TUBE,0.375" OD

Lube

1шт.

60

86579679

HYD CONNECTOR,1"-14 ORFS x M18 x 1.5 ORB

Inc. 61, 62

1шт.

61

9992069

O-RING,0.07" Thk x 0.614" ID, -16, Cl 6, 90 Duro

1шт.

62

86598101

O-RING,2.2mm Thk x 15.3mm ID, Cl 6, 90 Duro

1шт.

63

700-305

ELBOW,90 Degree Elbow, 13/16" - 16 Male ORFS x M18 x 1.5 Male ORB

Inc. 64, 65

1шт.

64

238-6014

O-RING,0.07" Thk x 0.489" ID, -14, Cl 6, 90 Duro

1шт.

65

637-63153

O-RING,2.2mm Thk x 15.3mm ID, Cl 6, 90 Duro

1шт.

Выбрано товаров: 66