Запчасти Case IH MAGNUM 190 (10.218.02) - INJECTION EQUIPMENT, PIPING (10) - ENGINE

Схема запчастей Case IH MAGNUM 190 - (10.218.02) - INJECTION EQUIPMENT, PIPING (10) - ENGINE
11
6
home
15
12
7
5
3
17
8
5
14
6
10.101.01
7
4
11
6
15
14
13
9
16
7
13
10
12
2
FIT
1:1
100%

Артикул

Название

Примечание

Количество

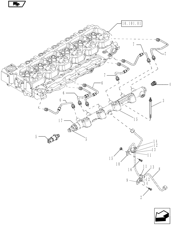
1

2859144

MANIFOLD

ASSY, Inc. 4, 5, 17

1шт.

2

4899020

FLANGE BOLT,Hex, M8 x 1.25 x 20mm

1шт.

3

2853537

BOLT,Hex Flange Head Cap M8 x 1.25 x 125mm

4шт.

4

2854543

VALVE PRESSURE RELIE

1шт.

5

2859145

SENSOR

Pressure

1шт.

6

2857046

PIPE

3шт.

7

2857017

PIPE

1шт.

8

2857048

PIPE

ASSY, Inc. 9 - 14

1шт.

9

2854555

CLAMP BRACKET

1шт.

10

2855127

CLAMP BRACKET

1шт.

11

2854556

CLAMP BRACKET

2шт.

12

2854557

CLAMP BRACKET

2шт.

13

2854558

RUBBER SEAL

Spring

2шт.

14

2854559

SCREW

2шт.

15

2852434

SPACER

1шт.

16

4896884

BOLT,Flng, M8 x 1.25 x 16mm, Cl 10.9

1шт.

17

2854541

ACCUMULATOR

1шт.

Выбрано товаров: 17