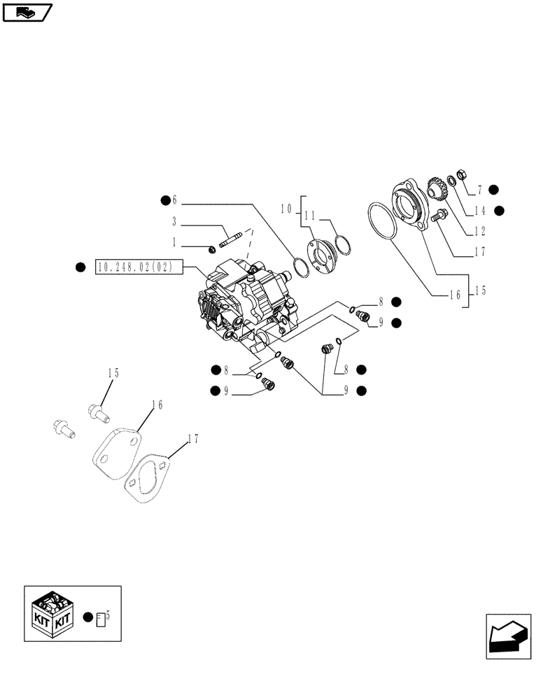
Запчасти Case IH MAGNUM 190 (10.248.02[01]) - INJECTION PUMP (10) - ENGINE

Схема запчастей Case IH MAGNUM 190 - (10.248.02[01]) - INJECTION PUMP (10) - ENGINE
8
7
5
12
5
5
1
8
5
3
5
5
10
5
9
5
15
5
5
home
10.248.02(02)
17
5
14
5
6
11
16
17
9
15
8
9
16
FIT
1:1
100%

Артикул

Название

Примечание

Количество

1

4899003

FLANGE NUT,M8 x 1.25

3шт.

2

4899063

SCREW,Hex Flg, M8 x 1.25 x 30

3шт.

3

2852488

STUD,M8 x 1,25 x 50mm

3шт.

4

2852805

O-RING,2.6mm Thk x 72.6mm ID

1шт.

5

4898921

FUEL INJECTION PUMP

ASSY

1шт.

5

4898921R

REMAN-INJECTION PUMP

1шт.

5

4898921C

CORE-INJECTION PUMP

Return Number

1шт.

6

4890088

O-RING,44mm ID x 3mm Width

1шт.

7

4890634

NUT,Hex, M18 x 1.5, RH

M18 x 1.5

1шт.

8

4891385

SEALING WASHER,12.2mm ID x 15.4mm OD x 1.5mm Thk

4шт.

9

4893962

QUICK MALE COUPLING,M12 x 1.5

4шт.

10

2830564

SPACER

ASSY

1шт.

11

17290581

O-RING,72.62mm ID x 2.34mm Width

2.34 x 72.62

1шт.

12

4893389

DRIVEN GEAR,27T

1шт.

13

2852804

HUB

ASSY, Inc. 16

1шт.

14

4890635

SPRING WASHER

1шт.

15

2852234

FLANGE BOLT,Hex, M8 x 1.25 x 20mm

2шт.

16

4896952

COVER

Plate

1шт.

17

4890700

GASKET,1.21mm Thk

1шт.

Выбрано товаров: 19