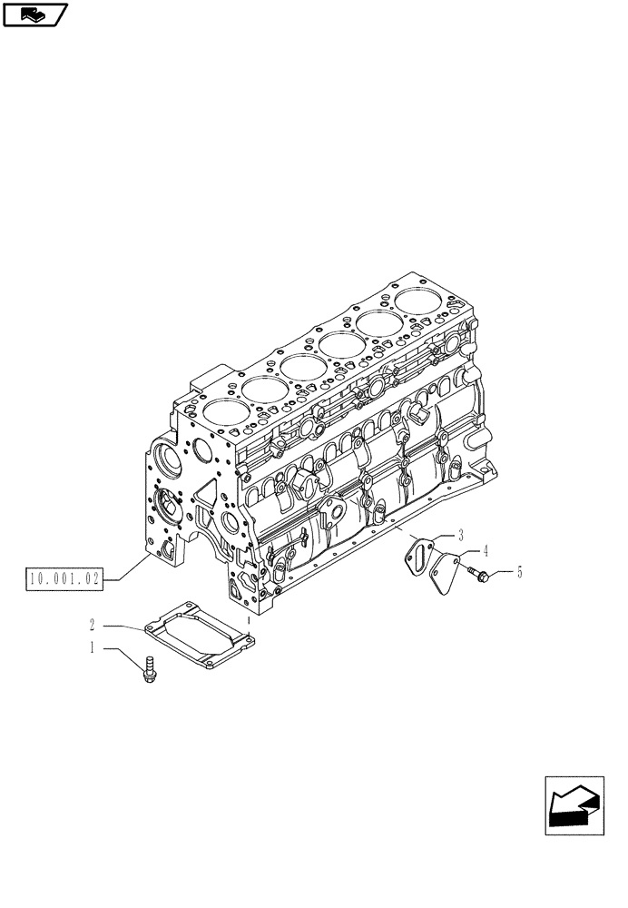
Запчасти Case IH MAGNUM 190 (10.254.02) - CYLINDER BLOCK, STIFFENER (10) - ENGINE

Схема запчастей Case IH MAGNUM 190 - (10.254.02) - CYLINDER BLOCK, STIFFENER (10) - ENGINE
4
home
10.001.02
2
3
1
5
FIT
1:1
100%

Артикул

Название

Примечание

Количество

1

4899032

SCREW,Hex Flg, M10 x 1.5 x 25

4шт.

2

2852729

STIFFENER

1шт.

3

4890700

GASKET,1.21mm Thk

1шт.

4

4896952

COVER

1шт.

5

2852234

FLANGE BOLT,Hex, M8 x 1.25 x 20mm

2шт.

Выбрано товаров: 5