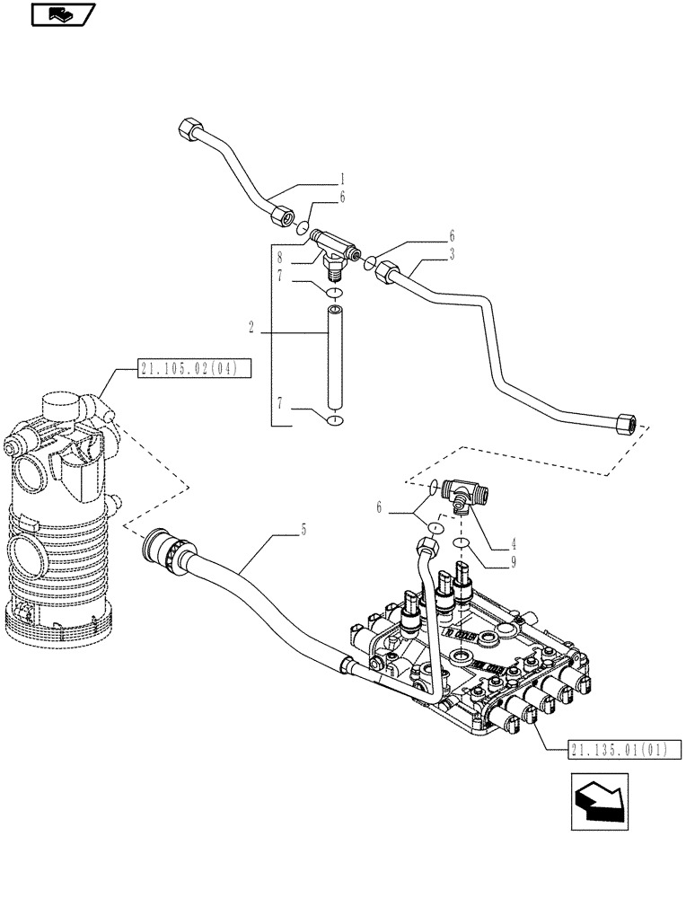
Запчасти Case IH MAGNUM 190 (21.105.01[01]) - GEARBOX LUBRICATION, PIPES, WITH POWERSHIFT TRANSMISSION (21) - TRANSMISSION

Схема запчастей Case IH MAGNUM 190 - (21.105.01[01]) - GEARBOX LUBRICATION, PIPES, WITH POWERSHIFT TRANSMISSION (21) - TRANSMISSION
6
2
6
8
7
21.135.01(01)
21.105.02(04)
4
6
5
home
9
3
7
1
FIT
1:1
100%

Артикул

Название

Примечание

Количество

1

47136960

HYD TUBE

PTO Lube (5O KPH)

1шт.

2

5196968

HYD CONNECTOR

Incl. 12, 13

1шт.

3

87316321

HYD TUBE

PTO Lube (5O KPH)

1шт.

3

87316331

HYD TUBE

PTO Lube

1шт.

4

87316458

HYD CONNECTOR

Incl. 11, 15

1шт.

5

87386948

PIPE

1шт.

6

5185512

O-RING,0.07" Thk x 0.614" ID, -16, Cl 6, 90 Duro

4шт.

7

14437985

O-RING,15.3mm ID x 2.4mm

2шт.

8

5196967

HYD CONNECTOR

1шт.

9

14438185

O-RING,24mm ID x 3mm

1шт.

Выбрано товаров: 10