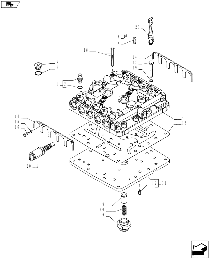
Запчасти Case IH MAGNUM 190 (21.135.01[03]) - TRANSMISSION 19X6, TOP COVER CONTROL VALVE, WITH POWERSHIFT TRANSMISSION (21) - TRANSMISSION

Схема запчастей Case IH MAGNUM 190 - (21.135.01[03]) - TRANSMISSION 19X6, TOP COVER CONTROL VALVE, WITH POWERSHIFT TRANSMISSION (21) - TRANSMISSION
9
4
21
15
11
19
14
3
7
6
5
home
16
12
14
13
17
10
20
2
18
8
1
FIT
1:1
100%

Артикул

Название

Примечание

Количество

1

5185423

COUPLING

Inl. 2 (Qty 1)

5шт.

2

14437785

O-RING,11.3mm ID x 2.4mm

5шт.

3

10260960

SEALING WASHER,M10.2 x 14 x 1.5

6шт.

4

87315898

TOP COVER

Inc. 5, 6

1шт.

5

14326004

PLUG,Hex Socket, M10 x 1.25 x 11.00mm, STL, DAC

M10 x 1.25

4шт.

6

14328401

PLUG,M14, Tapered

1шт.

7

11903011

PLUG,M10 x 1 x 11, Cl5.8

6шт.

8

5187494

BY-PASS VALVE

1шт.

9

5183477

BODY

1шт.

10

5176720

SPRING,Compression, 17mm OD x 50mm L

1шт.

11

87342776

PLATE

Master Clutch, Inc. 12

1шт.

12

5153109

DOWEL,10mm OD x 15mm L

2шт.

13

5194959

GASKET,0.5mm Thk

1шт.

14

47126217

PLATE

2шт.

15

11197779

BELLEVILLE WASHER,M6 Bolt Size x 12mm OD x 1.2mm Thk

10шт.

16

14433121

HEX SOC SCREW,M6 x18mm, Cl 8.8, Full Thd

10шт.

17

11343724

BOLT,Hex, M10 x 1.25 x 65mm, Cl 8.8

4шт.

18

47126246

BOLT,Hex, M10 x 1.25 x 78mm, Spcl

4шт.

19

14437685

O-RING,9.30mm ID x 2.40mm

4шт.

20

87739558

SOLENOID VALVE,14W

10шт.

20

87739558R

REMAN-SOLENOID

10шт.

20

87739558C

CORE-SOLENOID

Return Number

10шт.

21

87494226

PRESSURE SWITCH

4шт.

Выбрано товаров: 23