Запчасти Case IH MAGNUM 190 (21.155.09) - TRANSMISSION 40KPH - RANGE GEARSHIFT MECHANISM, WITH CONTINUOUSLY VARIABLE TRANSMISSION (21) - TRANSMISSION

Схема запчастей Case IH MAGNUM 190 - (21.155.09) - TRANSMISSION 40KPH - RANGE GEARSHIFT MECHANISM, WITH CONTINUOUSLY VARIABLE TRANSMISSION (21) - TRANSMISSION
11
6
19
25
25
9
15
12
8
10
16
26
13
29
26
19
21.113.03(01)
21.113.03(02)
19
1
30
7
20
6
8
10
18
home
4
11
24
27
17
23
14
5
12
21
22
16
28
7
2
13
28
27
14
17
15
3
FIT
1:1
100%

Артикул

Название

Примечание

Количество

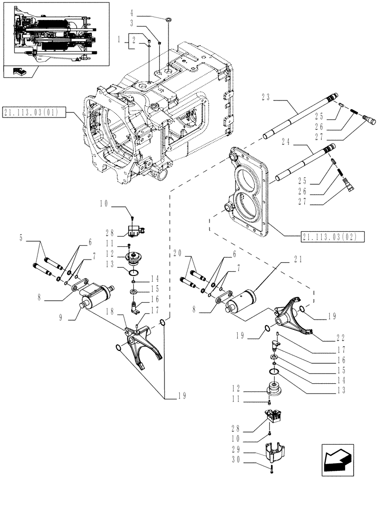
1

10119411

PLUG,M18 x 1.5 x 12.00mm

1шт.

2

14437985

O-RING,15.3mm ID x 2.4mm

1шт.

3

504344694

PLUG,M25, Tapered

1шт.

4

14329301

PLUG,M42, Tapered

1шт.

5

87653476

HOLDER

Upper

2шт.

6

5115996

O-RING,2.62mm Thk x 15.08mm ID, 80 Duro

2.62 x 15.08

4шт.

7

14453182

O-RING,0.07" Thk x 0.489" ID, -14, Cl 9, 70 Duro

4шт.

8

87628829

SPACER,2x17mm OD x 8mm Thk x 95mm L

2шт.

9

87549884

OPERATING CYLINDER

1шт.

10

13272014

SCREW,Pozidriv Pan Hd, M4 x 12mm, Cl 5.8

4шт.

11

14305220

HEX SOC SCREW,M6 x 16mm, Cl 8.8, Full Thd

4шт.

12

87675305

HOLDER

2шт.

13

14452980

O-RING,9.25mm ID x 1.78" Width

2шт.

14

14458680

O-RING,0.103" Thk x 1.487" ID, -128, Cl 5, 75 Duro

2шт.

15

14497731

WASHER,4.3mm ID x 8mm OD x 0.8mm Thk

4.3 x 8 x 0.8

4шт.

16

87675304

SHAFT,9.4mm ID x 12mm OD x 47.5mm L

2шт.

17

10336010

PIN,6mm OD x 16mm L

6 x 16

2шт.

18

87589948

SHIFTER FORK

Range I - III

1шт.

19

87691166

CIRCLIP

D=24

4шт.

20

87653486

HOLDER

Lower

2шт.

21

87549885

OPERATING CYLINDER

1шт.

22

87528739

SHIFTER FORK

Range II - R1

1шт.

23

87589950

ROD

Upper

1шт.

24

87589952

ROD

Lower

1шт.

25

5166394

PAWL,10mm OD x 25mm L

2шт.

26

5166393

SPRING,8mm OD x 43mm L

2шт.

27

87549975

PLUG,M18 x 1.5 x 62mm L

2шт.

28

87685207

POTENTIOMETER

Includes 31

2шт.

29

87528327

COVER

1шт.

30

14303821

HEX SOC SCREW,M6 x 60mm, Cl 8.8

3шт.

31

84126835

O-RING,1.3mm Thk x 9.5mm ID, 70 Duro

1шт.

Выбрано товаров: 31