Запчасти Case IH MAGNUM 190 (35.138.02) - DIA KIT, ELECTRONIC MID MOUNTED VALVES (35) - HYDRAULIC SYSTEMS

Схема запчастей Case IH MAGNUM 190 - (35.138.02) - DIA KIT, ELECTRONIC MID MOUNTED VALVES (35) - HYDRAULIC SYSTEMS
4
7
29
1
25
1
home
1
19
1
1
35.138.01(02)
1
50
1
1
34
47
33
35
1
12
1
3
1
15
1
1
38
1
1
5
46
1
1
22
1
1
10
1
1
1
16
30
1
21
14
42
13
24
51
9
8
1
1
1
1
1
1
45
1
1
1
1
36
1
37
1
1
44
1
48
1
1
18
9
1
17
31
1
27
6
1
41
1
40
1
26
39
2
1
1
52
1
43
1
23
1
1
28
32
1
20
1
11
49
1
1
FIT
1:1
100%

Артикул

Название

Примечание

Количество

1

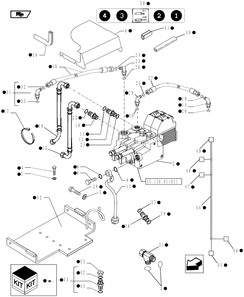
719891006

DIA KIT, TRACTOR

Inc. 2 - 52

1шт.

2

84214464

CONTROL VALVE

1шт.

Electronic Mid Mounted Valves, 2 Slice

1шт.

2

84214464R

REMAN-HYD VALVE

Reman Valve Assy

1шт.

2

84214464C

CORE-VALVE HYD

Core Return Number

1шт.

3

238-6018

O-RING,0.07" Thk x 0.739" ID, -18, Cl 6, 90 Duro

1шт.

4

16043421

BOLT,Hex, M8 x 1.25 x 20mm, Cl 8.8, Full Thd

3шт.

5

12626201

WASHER,10.2mm ID x 25mm OD x 3mm Thk

3шт.

6

87736308

COVER ASSY

1шт.

7

10519604

WASHER,8.15mm ID x 17mm OD x 2mm Thk

3шт.

8

5112588

BANJO BOLT,M22 x 1.5 x 40mm

1шт.

9

5165897

SEALING WASHER,22.7mm ID x 30mm OD x 2mm Thk

2шт.

10

87616561

HOSE

Length 1200 mm, Pressure Supply

1шт.

11

81844851

O-RING,0.07" Thk x 0.364" ID, -12, Cl 6, 90 Duro

1шт.

12

82019693

HYD CONNECTOR,11/16" - 16 ORFS x M14 x 1.5 ORFS

Inc. 11, 21

1шт.

13

87736301

HOSE ASSY.,15.88mm ID x 800mm L, SAE 100R3

Return

1шт.

14

5197118

ELBOW,90 Deg, 1"3/16-12 ORFS x M27 x 2 ORB

Inc. 19, 20

1шт.

15

87616565

HOSE

Length 1430 mm, Load Sense

1шт.

16

5185045

HYD CONNECTOR

Inc. 22

1шт.

17

82001041

CABLE TIE,0.190" x 7.00" / 200 mm L

3шт.

18

84231195

HOSE

Length 690 mm, Servo Supply

1шт.

19

5185513

O-RING,1.78mm Thk x 18.77mm ID, 85 Duro

1шт.

20

14438185

O-RING,24mm ID x 3mm

1шт.

21

5185509

O-RING,1.78mm Thk x 7.66mm ID, 85 Duro

1шт.

22

14437685

O-RING,9.30mm ID x 2.40mm

1шт.

23

86579690

ELBOW,90 Degree, 13/16"-18 ORFS x M16 x 1.5 ORB

Inc. 24, 26

1шт.

24

5185510

O-RING,1.78mm Thk x 9.25mm ID, 85 Duro

1шт.

25

14437785

O-RING,11.3mm ID x 2.4mm

1шт.

26

86598100

O-RING,2.2mm Thk x 13.3mm ID, Cl 6, 90 Duro

1шт.

27

87616564

HOSE

Length 540 mm, Pilot Return

1шт.

28

16040821

BOLT,Hex, M10 x 1.5 x 40mm, Cl 8.8, Full Thd

3шт.

29

5185548

ELBOW,M14 x 1.5mm ORB, 13/16"-16" ORFS

Inc. 25, 30

1шт.

30

5185511

O-RING,1.78mm Thk x 12.42mm ID, 85 Duro

1шт.

31

5194728

90 ELBOW

Inc. 32, 33

1шт.

32

5185512

O-RING,0.07" Thk x 0.614" ID, -16, Cl 6, 90 Duro

1шт.

33

14438085

O-RING,19.3mm ID x 2.4mm

1шт.

34

5196844

HYD CONNECTOR

Inc. 42, 43

1шт.

35

82016749

PLUG,11/16-16 ORFS

1шт.

36

86579675

HYD CONNECTOR,13/16"-16 ORFS x M16 x 1.5 ORB

Inc. 37, 39

1шт.

37

9992298

O-RING,0.07" Thk x 0.489" ID, -14, Cl 6, 90 Duro

1шт.

38

83964601

MOLDING,164mm L

1шт.

39

86598100

O-RING,2.2mm Thk x 13.3mm ID, Cl 6, 90 Duro

1шт.

40

82036856

MOLDING,355mm L

Length 355 mm

1шт.

41

82869674

MOLDING,88.5mm L

Length 88.5 mm

1шт.

42

14437785

O-RING,11.3mm ID x 2.4mm

1шт.

43

5185510

O-RING,1.78mm Thk x 9.25mm ID, 85 Duro

1шт.

44

84154373

HARNESS

Mid Mount Valves; Incl 45 - 49

1шт.

45

87694154

CONTACT HOUSING,Male, 4 Pole

4 Pin, 388FF To Auto Guidance Antenna

1шт.

46

87694153

CONTACT HOUSING,Female, 4 Cavities

4 Pin, 388M To Chassis Harness

1шт.

47

87696713

WIRE CONNECTOR,Female

4 Pin, EHR 7

1шт.

48

87696713

WIRE CONNECTOR,Female

4 Pin, EHR 8

1шт.

49

87696713

WIRE CONNECTOR,Female

4 Pin, EHR 9

1шт.

50

82029712

DECAL

1шт.

51

87016915

TEE,1-3/16"-12 ORFS x 13.9mm ORB

Inc. 3

1шт.

52

87598923

SUPPORT

1шт.

Выбрано товаров: 55