Запчасти Case IH MAGNUM 190 (55.100.12) - ELECTRIC SYSTEM CONTROL, WITH POWERSHIFT TRANSMISSION (55) - ELECTRICAL SYSTEMS

Схема запчастей Case IH MAGNUM 190 - (55.100.12) - ELECTRIC SYSTEM CONTROL, WITH POWERSHIFT TRANSMISSION (55) - ELECTRICAL SYSTEMS
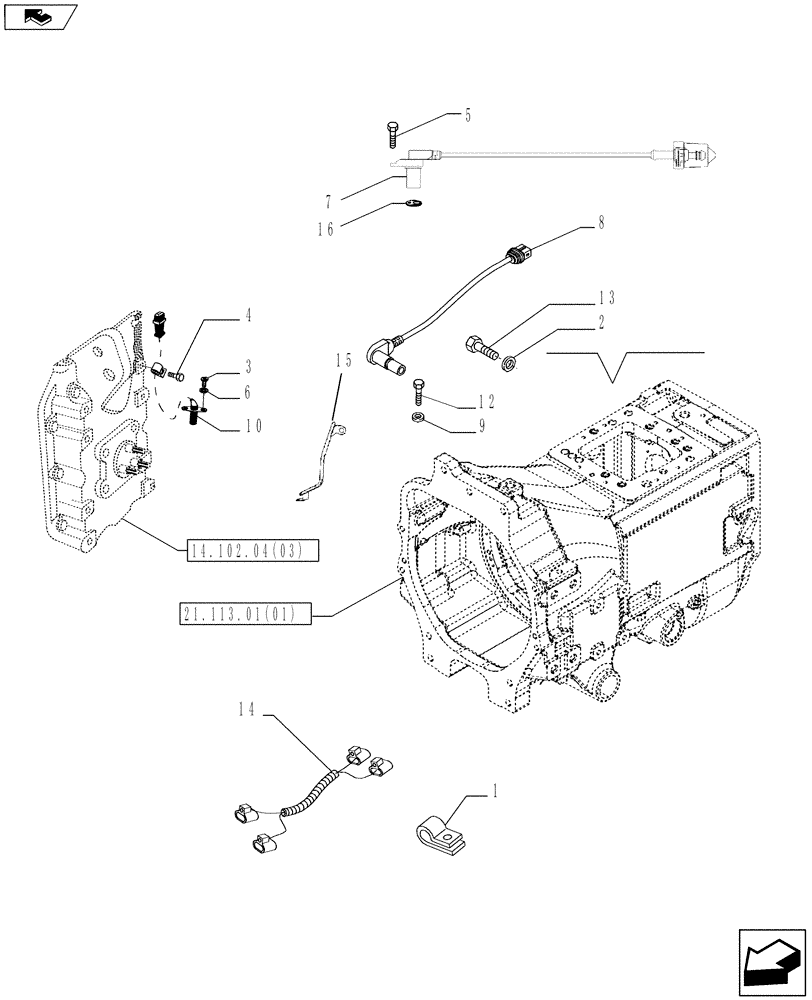
8
4
16
6
14.102.04(03)
21.113.01(01)
14
15
home
5
10
13
3
9
7
12
2
1
FIT
1:1
100%

Артикул

Название

Примечание

Количество

1

81866030

CLIP

2шт.

2

12605271

WASHER

2шт.

3

10977724

BOLT,M5 x 14.00mm, Cl 8.8, DAC

2шт.

4

16207524

BOLT,Hex, M12 x 1.25 x 20mm, Cl 8.8, Full Thd

1шт.

5

614-6016

BOLT,Hex, M6 x 1 x 16mm, Cl 8.8, Full Thd

1шт.

6

10571474

LOCK WASHER,5.10mm ID x 9.20mm OD x 1.20mm, C72, DAC

2шт.

7

84169162

SENSOR

Speed, Hall Effect, Rotational, Length 27.9 mm

1шт.

8

87564761

SENSOR

Speed, Length 56 mm

3шт.

9

12605379

LOCK WASHER

3шт.

10

87586073

SENSOR

PTO Speed, STD

1шт.

11

82851791

PLUG

(Not Shown)

1шт.

12

14305224

HEX SOC SCREW,M6 x 16mm, Cl 8.8, Full Thd

5шт.

13

10977624

BOLT,Hex, M5 x 12mm, Cl 8.8, Full Thd

4шт.

14

87386975

WIRE HARNESS

HPL Pump (Closed Ctr)

1шт.

15

87624045

TUBE

PTO Wire Protection Channel

1шт.

16

87498777

SPACER

1шт.

Выбрано товаров: 16