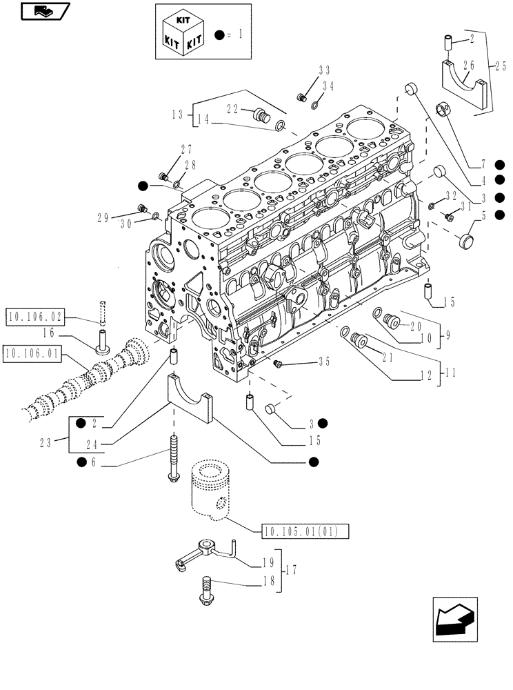
Запчасти Case IH MAGNUM 190 (10.001.02) - CYLINDER BLOCK (10) - ENGINE

Схема запчастей Case IH MAGNUM 190 - (10.001.02) - CYLINDER BLOCK (10) - ENGINE
34
26
1
17
25
2
10
13
15
29
27
21
10.106.01
10.106.02
18
14
11
16
6
35
20
5
7
15
33
10.105.01(01)
28
23
3
24
19
12
home
9
32
31
22
3
30
2
4
FIT
1:1
100%

Артикул

Название

Примечание

Количество

1

2830076

CYLINDER BLOCK,6 Cylinders

ASSY

1шт.

2

4899026

DOWEL,M18 x 10

14шт.

3

4895039

EXPANSION PLUG,M17.73

3шт.

4

4895038

EXPANSION PLUG,M58.06

6шт.

5

4895228

EXPANSION PLUG,35.23mm x 7.94mm

3шт.

6

4891353

SCREW,Flg Hd, M12 x 1.5 x 120

14шт.

7

4895040

BUSHING,54.39mm ID x 59.39mm OD x 25.4mm L

7шт.

9

4895605

HEX SOCKET PLUG,M14 x 1.5

- Assy, Incl. 10, 20

2шт.

10

4899115

O-RING,2.2mm Thk x 11.3mm ID

1шт.

11

4899009

PLUG,M10 x1

Assy, Incl. 12, 21

2шт.

12

4899072

O-RING,1.6mm Thk x 8.1mm ID

1шт.

13

4895392

HEX SOCKET PLUG,M18 x 1.5

- Assy, Incl. 14, 22

2шт.

14

4895393

O-RING,2.2mm Thk x 15.3mm ID

1шт.

15

4895049

DOWEL,M16.05 x 10

2шт.

16

4891226

TAPPET

12шт.

17

2852202

NOZZLE, PISTON COOLI

- Assy, Incl. 18, 19

6шт.

18

4894218

SCREW,Special, M8 x 20

1шт.

19

2852203

NOZZLE, PISTON COOLI

1шт.

20

4895606

PLUG,M14 x 1.5 x 18mm L

1шт.

21

NSS

NOT SOLD SEPARAT

PLUG

1шт.

22

4895394

HEX SOCKET PLUG,M18 x 1.5

1шт.

23

4895919

BEARING ASSY,86.1mm D

Incl. 2, 24

6шт.

24

4892951

BEARING CAP,24.5 mm

1шт.

25

4895921

BEARING ASSY,86.1mm D

Incl. 2, 26

1шт.

26

4892952

BEARING CAP,27.5 mm

1шт.

27

4895392

HEX SOCKET PLUG,M18 x 1.5

Incl. 28

1шт.

28

4895393

O-RING,2.2mm Thk x 15.3mm ID

1шт.

29

4895080

HEX SOCKET PLUG,M22 x 1.5

Incl. 30

1шт.

30

2854072

SEALING RING,Square, 5.16mm Thk x 50.17mm ID

1шт.

31

4895623

HEX SOCKET PLUG,M16 x 1.5

Incl. 32

1шт.

32

4895625

O-RING,13.3mm ID x 2.2mm Width

1шт.

33

4897330

HEX SOCKET PLUG,M12 x 1.5

Incl. 34

1шт.

34

4895610

O-RING,2.2mm Thk x 9.3mm ID

1шт.

35

4895406

EXPANSION PLUG,9.8mm OD

3шт.

Выбрано товаров: 34