Запчасти Case IH MAGNUM 200 (33.110.AP[01]) - ACTUATOR, PARKING BRAKE (33) - BRAKES & CONTROLS

Схема запчастей Case IH MAGNUM 200 - (33.110.AP[01]) - ACTUATOR, PARKING BRAKE (33) - BRAKES & CONTROLS
6
14
4
2
15
3
33.110.av
9
8
10
11
18
13
19
20
12
17
33.110.ap 02
2
21
5
19
7
1
12
16
FIT
1:1
100%

Артикул

Название

Примечание

Количество

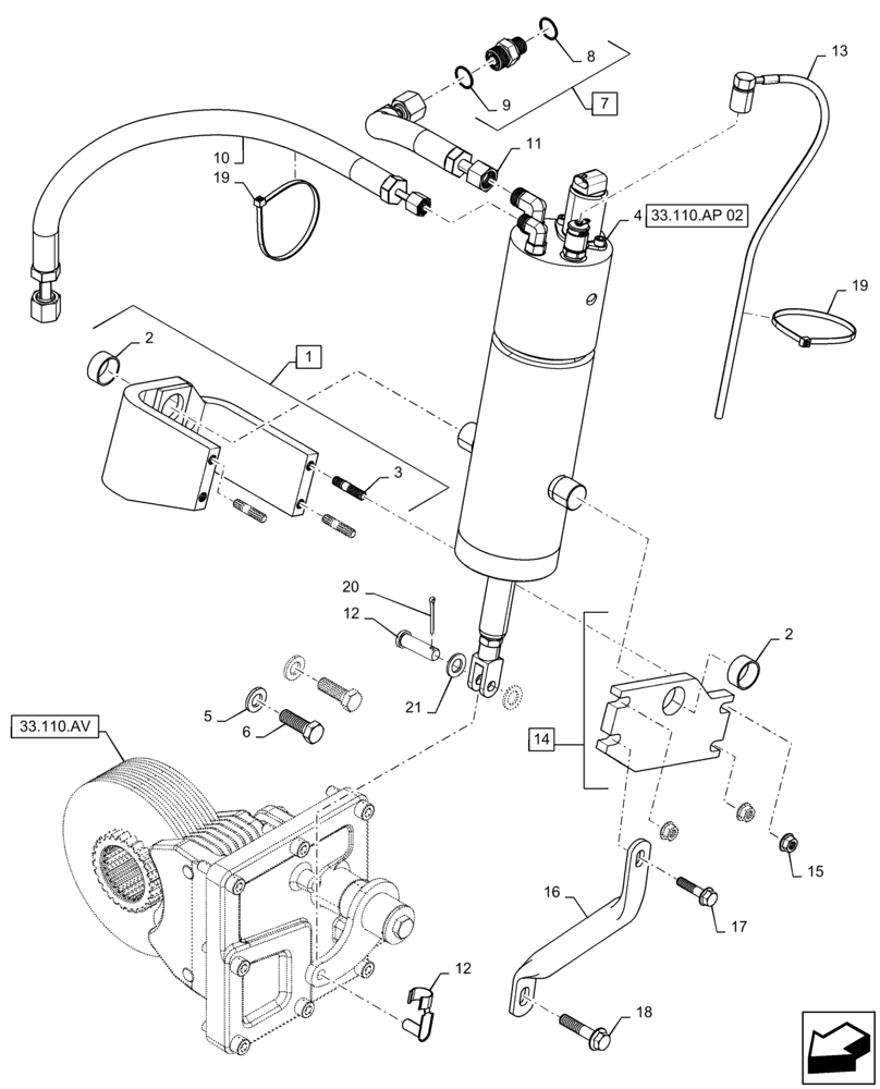
1

47740118

BRACKET

Parking Brake Actuator Mounting, Incl 2, 3

1шт.

2

47601469

BUSHING

Polylube

2шт.

3

13517030

STUD,M8 x 12mm x 25mm, Cl 10.9

3шт.

4

47713880

HYDRAULIC CYLINDER

Parking Brake

1шт.

5

11190774

BELLEVILLE WASHER,M12 Bolt Size x 24mm OD x 2.8mm Thk

2шт.

6

86642438

BOLT,Hex, M12 x 1.25 x 35mm, Cl 10.9, Full Thd

2шт.

7

86579675

HYD CONNECTOR,13/16"-16 ORFS x M16 x 1.5 ORB

Incl 8, 9

1шт.

8

86598100

O-RING,2.2mm Thk x 13.3mm ID, Cl 6, 90 Duro

1шт.

9

9992298

O-RING,0.07" Thk x 0.489" ID, -14, Cl 6, 90 Duro

1шт.

10

47733995

HYDRAULIC HOSE

Parking Brake Actuator Return

1шт.

11

47626017

HOSE

Parking Brake Actuator Supply

1шт.

12

427-6125

CLEVIS PIN,3/8" x 1 1/4"

1шт.

13

47719953

HOSE

1шт.

14

47740110

MOUNTING PLATE

Incl 2

1шт.

15

9804277

FLANGE NUT,Hex, M8 x 1.25, Cl 8

3шт.

16

47740119

SUPPORT

1шт.

17

87695419

FLANGE BOLT,M8 x 43.1mm, Cl 10.9

1шт.

18

16288824

FLANGE BOLT,Hex, M10 x 1.25 x 45mm, Cl 8.8

1шт.

19

86566990

CABLE TIE,292mm OAL x 4.8mm W

2шт.

20

733-2520

COTTER PIN,M2.5 x 20

1шт.

21

895-18010

WASHER,10.5mm ID x 18mm OD x 1.6mm Thk

2шт.

Выбрано товаров: 21