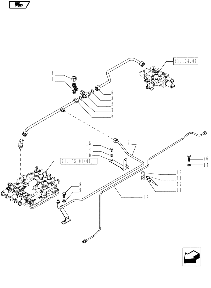
Запчасти Case IH MAGNUM 210 (21.109.01) - HYDRAULIC GEARBOX CONTROL, WITH POWERSHIFT TRANSMISSION (21) - TRANSMISSION

Схема запчастей Case IH MAGNUM 210 - (21.109.01) - HYDRAULIC GEARBOX CONTROL, WITH POWERSHIFT TRANSMISSION (21) - TRANSMISSION
16
1
11
13
3
home
21.135.01(01)
18
15
4
2
10
9
12
6
3
5
31.104.01
17
11
8
14
7
FIT
1:1
100%

Артикул

Название

Примечание

Количество

1

87328821

HYD CONNECTOR

1шт.

2

5197110

TEE,1"-14 UNS

Inc. 3

1шт.

3

5185512

O-RING,0.07" Thk x 0.614" ID, -16, Cl 6, 90 Duro

2шт.

4

83987627

CAP,1-14UN-2A

1шт.

5

87316320

HYD TUBE

1шт.

6

87316330

HYD TUBE

Inlet Valve manifold

1шт.

7

87316322

HYD TUBE

Inlet booster brakes

1шт.

8

15219521

BOLT,Hex, M16 x 25mm, Cl 8.8, Full Thd

1шт.

9

10520205

WASHER,Flat, 16.40mm ID x 28.00mm OD x 3.00mm, CST, ZND

1шт.

10

87526108

BRACKET

1шт.

11

10519404

WASHER,6.4mm ID x 11.95mm OD x 1.6mm Thk

2шт.

12

12574211

NUT,M6 x 1, Cl 8

2шт.

13

87318812

CLAMP BRACKET

1шт.

14

10520005

WASHER,12.2mm ID x 22mm OD x 3mm Thk

1шт.

15

16207524

BOLT,Hex, M12 x 1.25 x 20mm, Cl 8.8, Full Thd

1шт.

16

10902621

SCREW,Hex, M6 x 25mm, Cl 8.8

2шт.

17

12646605

WASHER,6.15mm ID x 15mm OD x 1.5mm Thk

2шт.

18

87726931

PIPE

To Front Differential Lock Assembly

1шт.

Выбрано товаров: 18