Запчасти Case IH MAGNUM 210 (10.406.01) - RADIATOR & FAN SHROUD (10) - ENGINE

Схема запчастей Case IH MAGNUM 210 - (10.406.01) - RADIATOR & FAN SHROUD (10) - ENGINE
15
43
18
44
47
20
30
home
14
9
28
10
6
48
11
24
21
29
40
11
41
31
45
2
38
49
39
22
33
14
19
3
34
7
42
35
37
8
8
32
16
46
24
13
5
4
5
23
17
6
36
1
48
12
27
FIT
1:1
100%

Артикул

Название

Примечание

Количество

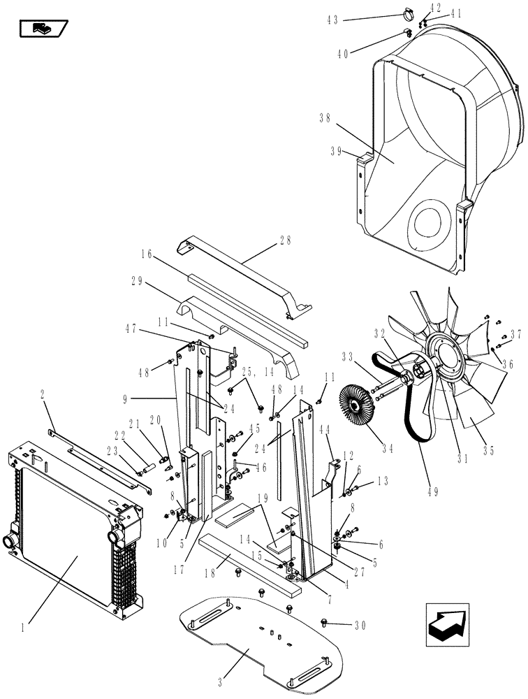
1

87490773

RADIATOR

4 Row

1шт.

2

87490770

BRACKET

Upper Shroud Support

1шт.

3

87735077

SUPPORT

Cooling System

1шт.

4

87621960

SUPPORT

Right Hand

1шт.

5

434177A1

ISOLATOR

4шт.

6

495-81148

WASHER,7/16" x 1 1/4" x .134"

6шт.

7

87443609

BRACKET

Right hand, Front

1шт.

8

825-2410

FLANGE NUT,M10 x 1.5, Flg, Cl 8

4шт.

9

87621948

SUPPORT

Left Hand

1шт.

10

87443611

BRACKET

Left hand, Front

1шт.

11

555-1

BOLT,Hvy Hex, M8 x 16mm, Cl 8.8

3шт.

12

87456528

TUBE SPACER

4шт.

13

614-10025

BOLT,Hex, M10 x 1.5 x 25mm, Cl 8.8

4шт.

14

895-25008

WASHER,9mm ID x 24mm OD x 2mm Thk

9шт.

15

825-2408

FLANGE NUT,M8 x 1.25, Flg, Cl 8

8шт.

16

87356124

SEAL

Radiator to Charge Air Cooler

1шт.

17

87356358

SEAL

Charge Air Cooler Side

2шт.

18

87356125

SEAL

Bottom Plate

1шт.

19

87356126

SEAL

Side Posts

2шт.

20

217-294

FITTING,90 Degree Elbow, 1/4" Hose Barb x 1/4" Male NPTF

Elbow

1шт.

21

217-1225

ELBOW,90 Degree, 1/4"-18 Male

1шт.

22

87350039

TUBE,19.10 mm OD x 60 mm L

Radiator Drain Extension

1шт.

23

217-103

COCK, DRAIN

1/4 Imperial

1шт.

24

87356123

SEAL

, Serial Range: Radiator-Shroud

4шт.

25

844-8025

BOLT,Hvy Hex, M8 x 25mm, Cl 8.8

5шт.

26

844-8020

BOLT,Hvy Hex, M8 x 20mm, Cl 8.8

5шт.

27

844-8012

BOLT,M8 x 1.25 x 20.1mm, Cl 8.8

2шт.

28

87746877

BRACKET

1шт.

29

87456357

INSULATOR

Air Duct

1шт.

30

844-12025

BOLT,Hvy Hex, M12 x 25mm, Cl 8.8

4шт.

31

87749294

SPACER

1шт.

32

87456345

SHAFT

Adapter

1шт.

33

814-10140

BOLT,Hex, M10 x 1.5 x 140mm, Cl 8.8

4шт.

34

87446414

DRIVE

Fan

1шт.

35

87445032

FAN

1шт.

36

496-11034

WASHER,11/32" x 11/16" x 1/16", HDN

6шт.

37

614-8016

BOLT,Hex, M8 x 1.25 x 16mm, Cl 8.8, Full Thd

6шт.

38

84179753

SHROUD

Cool Fan

1шт.

39

87438831

SEAL

2шт.

40

87438422

BRACKET

1шт.

41

829-1406

NUT,Hex, M6 x 1, Cl 10.9

2шт.

42

895-11006

WASHER,6.6mm ID x 12mm OD x 1.6mm Thk

2шт.

43

214-3232

HOSE CLAMP,1-1/4" - 2-1/8", HD Worm, W/ Liner

1шт.

44

87332352

BRACKET

With Keeper, Oil Cooler

1шт.

45

832-10408

NUT,M8 x 1.25, Cl 8.8

1шт.

46

84240620

BRACKET

With lower hinge

1шт.

47

87313142

SUPPORT

Support Oil Cooler Hinge

1шт.

48

844-8016

BOLT,Hex, M8 x 16mm, Cl 8.8

2шт.

49

4899178

V-BELT,28.48 mm W x 1550.00 mm L, 8 Ribs

1шт.

Выбрано товаров: 49