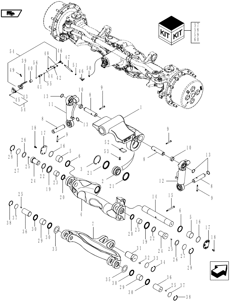
Запчасти Case IH MAGNUM 210 (25.122.01) - FRONT AXLE, SUSPENSION, SUSPENDED MFD (25) - FRONT AXLE SYSTEM

Схема запчастей Case IH MAGNUM 210 - (25.122.01) - FRONT AXLE, SUSPENSION, SUSPENDED MFD (25) - FRONT AXLE SYSTEM
17
30
6
27
36
38
home
54
36
25
55
22
37
47
13
35
41
19
32
14
17
5
21
57
18
30
1
8
25
30
4
51
27
53
38
8
26
20
40
49
34
16
3
58
22
9
16
60
56
30
59
10
8
52
25
28
35
54
31
24
46
11
26
2
7
43
42
23
46
29
48
10
6
20
29
13
18
9
50
33
45
8
13
24
28
23
9
12
25
5
21
39
15
9
44
19
37
FIT
1:1
100%

Артикул

Название

Примечание

Количество

1

87406430

CRADLE

1шт.

2

87406434

SPHERICAL BEARING

1шт.

3

87406477

SNAP RING

1шт.

4

87406432

ARM

Upper Swing

1шт.

5

87406435

BUSHING

2шт.

6

87406443

WIPER SEAL

2шт.

7

87406431

ARM

Lower Swing

1шт.

8

87406468

PIN

4шт.

9

87406494

BOLT

4шт.

10

87406485

SPACER

2шт.

11

87406483

CYLINDER

Left Hand, See Ref 57 - 60

1шт.

12

87406484

CYLINDER

Right Hand, See Ref 57 - 60

1шт.

13

87406497

SNAP RING

4шт.

14

87406467

PIN

1шт.

15

87406493

SCREW,M10 x 1.5 x mm

1шт.

16

87406502

O-RING

2шт.

17

87406476

PLATE

2шт.

18

87406496

BOLT

10шт.

19

87406441

WIPER SEAL

2шт.

20

87406440

WIPER SEAL

2шт.

21

87406445

WIPER SEAL

2шт.

22

87406447

THRUST WASHER

2шт.

23

87406436

BUSHING

2шт.

24

87406452

PIN

2шт.

25

87406455

PIN

4шт.

26

87406450

THRUST WASHER

1шт.

27

87406449

THRUST WASHER

2шт.

28

87406474

SNAP RING

2шт.

29

87406437

BUSHING

2шт.

30

87406439

WIPER SEAL

4шт.

31

87406453

PIN

1шт.

32

87406454

PIN

1шт.

33

87406446

THRUST WASHER

1шт.

34

87406469

SNAP RING

1шт.

35

87406486

SPACER

1шт.

36

87406451

PIN

2шт.

37

87406448

THRUST WASHER

2шт.

38

87406473

SNAP RING

2шт.

39

87431268

BRACKET

Sensor

1шт.

40

87431265

BUSHING

1шт.

41

87431267

SHAFT

1шт.

42

87406470

CONNECTING LINK

1шт.

43

87695841

SENSOR

1шт.

44

87406492

SET SCREW

1шт.

45

87406498

SCREW,Skt Hd, M4 x 10mm

2шт.

46

87406490

BALL JOINT

2шт.

47

87406488

SHAFT

1шт.

48

87406499

NUT

2шт.

49

87406503

SCREW,Hex

2шт.

50

87406495

WASHER

1шт.

51

87406500

NUT

1шт.

52

447672A1

BLOCK

2шт.

53

628-10025

BOLT,Hex, M10 x 1.5 x 25mm, Cl 10.9, Full Thd

4шт.

54

87431273

KIT

Incl 39 - 41, 44, 45, 48, 49, 55, 56

1шт.

55

87431272

O-RING

1шт.

56

87405002

O-RING

1шт.

57

87436717

SPHERICAL BEARING

Bearing Set; Incl 2 Spherical Bearings, 2 Snap Rings, and 2 Grease Nipples

1шт.

Used on Cylinders 87406483 and 87406484

1шт.

58

87436718

SERVICE KIT

Cylinder Seal

1шт.

Used on Cylinders 87406483 and 87406484

1шт.

59

87436719

SERVICE KIT

Barrel Assembly, Left hand

1шт.

Used on Cylinder 87406483

1шт.

60

87436720

SERVICE KIT

Barrel Assembly, Right hand

1шт.

Used on Cylinder 87406484

1шт.

Выбрано товаров: 64