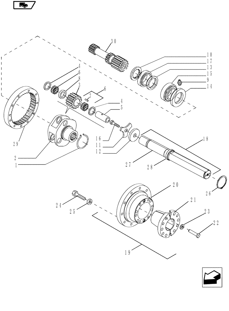
Запчасти Case IH MAGNUM 210 (27.120.05[04]) - BAR AXLE 119" FINAL DRIVE GEARS & DOUBLE FLAT SHAFT, MAGNUM 210, 225 BSN ZARH01984 (27) - REAR AXLE SYSTEM

Схема запчастей Case IH MAGNUM 210 - (27.120.05[04]) - BAR AXLE 119" FINAL DRIVE GEARS & DOUBLE FLAT SHAFT, MAGNUM 210, 225 BSN ZARH01984 (27) - REAR AXLE SYSTEM
30
23
3
1
26
29
27
4
20
10
22
21
6
14
24
13
7
25
16
home
6
11
12
8
2
9
15
17
5
28
4
18
19
FIT
1:1
100%

Артикул

Название

Примечание

Количество

1

5136132

CIRCLIP,4mm Thk

2шт.

2

87307356

PINION CARRIER

GEAR CARRIER

2шт.

3

87307351

IDLER PINION

6шт.

4

5136128

THRUST WASHER,62.5mm ID x 108mm OD x 1mm Thk

12шт.

5

87307359

PIN,62.4mm OD x 149.5mm L

6шт.

6

5136131

ROLLER BEARING,62.4mm ID x 76.4mm OD x 32mm W

6шт.

7

5116733

NEEDLE ROLLER,62.4mm ID x 76.4mm OD x 0mm W

1шт.

8

87307350

SPACER,64.5mm ID x 76.3mm OD x 19mm L

6шт.

9

13407211

LUBE NIPPLE,M10 x 1

2шт.

10

87307355

THRUST WASHER,83mm ID x 117mm OD x 5mm Thk

2шт.

11

5124397

LOCKING PLATE

2шт.

12

84370195

WASHER,22.5mm ID x 100mm OD x 10mm Thk

2шт.

13

5154451

SEAL,95mm ID x 120mm OD x 12mm Thk

2шт.

14

87307349

SEAL,120mm ID x 152mm OD x 16mm Thk

2шт.

15

87307342

TAPERED BEARING,100mm ID x 150mm OD x 39mm W

2шт.

16

15992531

BOLT,Hex, M22 x 1.5 x 55mm, Cl 10.9, Full Thd

2шт.

17

87307345

TAPERED BEARING,90mm ID x 140mm OD x 32mm W

2шт.

18

87309277

MAIN SHAFT

119", Inc. 27, 28

2шт.

19

87492894

HUB

ASSY, Inc. 20 -23

2шт.

20

87473335

HUB

2шт.

21

87645102

WEDGE,Lock, Silver

2шт.

22

87688508

BOLT,Hex, M22 x 2.5 x 90mm, Cl 8.8

6шт.

23

9845587

WASHER,23.8mm ID x 44.5mm OD x 6.4mm Thk

6шт.

24

86643888

BOLT,Hex, M22 x 60mm, Cl 10.9

20шт.

25

9845587

WASHER,23.8mm ID x 44.5mm OD x 6.4mm Thk

20шт.

26

11082174

CIRCLIP,105mm OD, DAC

2шт.

27

NSS

NOT SOLD SEPARAT

AXLE, Driving Wheel

2шт.

28

NSS

NOT SOLD SEPARAT

SPACER, External

2шт.

29

87307352

RING GEAR

2шт.

30

87307366

GEAR SHAFT

2шт.

Выбрано товаров: 30