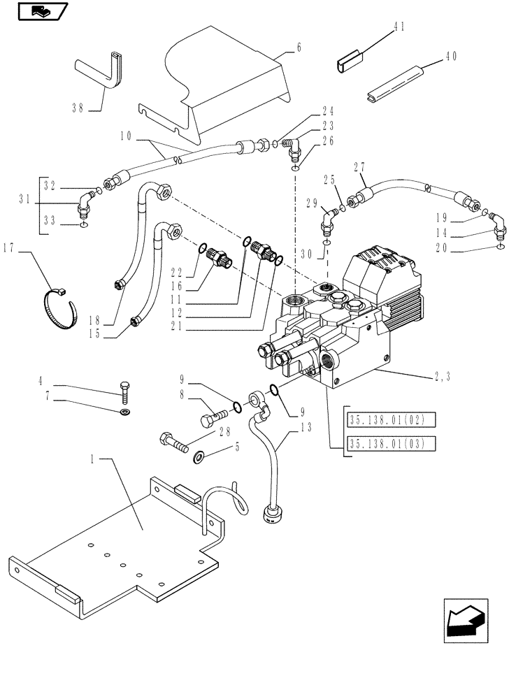
Запчасти Case IH MAGNUM 210 (35.138.01[01]) - ELECTRONIC MID MOUNTED VALVES (35) - HYDRAULIC SYSTEMS

Схема запчастей Case IH MAGNUM 210 - (35.138.01[01]) - ELECTRONIC MID MOUNTED VALVES (35) - HYDRAULIC SYSTEMS
26
31
13
10
7
1
14
19
27
30
9
28
6
2
23
17
4
18
home
12
38
8
22
9
15
3
5
33
21
32
24
16
41
29
20
25
35.138.01(03)
35.138.01(02)
11
40
FIT
1:1
100%

Артикул

Название

Примечание

Количество

1

87598923

SUPPORT

1шт.

2

84214464

CONTROL VALVE

1шт.

Electronic Mid Mounted Valves, 2 Slice

1шт.

2

84214464R

REMAN-HYD VALVE

Reman Valve Assy

1шт.

2

84214464C

CORE-VALVE HYD

Core Return Number

1шт.

3

84214465

CONTROL VALVE

1шт.

Electronic Mid Mounted Valves, 3 Slice

1шт.

84214465R

REMAN-HYD VALVE

MAGNUM 180, MAGNUM 190, MAGNUM 210, MAGNUM 225

1шт.

84214465C

CORE-VALVE HYD

Return Number

1шт.

4

16043421

BOLT,Hex, M8 x 1.25 x 20mm, Cl 8.8, Full Thd

3шт.

5

12626201

WASHER,10.2mm ID x 25mm OD x 3mm Thk

3шт.

6

87736308

COVER ASSY

1шт.

7

10519604

WASHER,8.15mm ID x 17mm OD x 2mm Thk

3шт.

8

5112588

BANJO BOLT,M22 x 1.5 x 40mm

1шт.

9

5165897

SEALING WASHER,22.7mm ID x 30mm OD x 2mm Thk

2шт.

10

87568645

HYDRAULIC HOSE,15.88mm ID x 1080mm L, SAE 100R2

Length 1080 mm, Pressure Supply

1шт.

11

81844851

O-RING,0.07" Thk x 0.364" ID, -12, Cl 6, 90 Duro

1шт.

12

82019693

HYD CONNECTOR,11/16" - 16 ORFS x M14 x 1.5 ORFS

1шт.

13

87736301

HOSE ASSY.,15.88mm ID x 800mm L, SAE 100R3

Return

1шт.

14

5197118

ELBOW,90 Deg, 1"3/16-12 ORFS x M27 x 2 ORB

1шт.

15

87314897

HOSE,6.35mm ID x 980mm L, SAE 100R2

Length 980 mm, Load Sense

1шт.

16

5185045

HYD CONNECTOR

1шт.

17

82001041

CABLE TIE,0.190" x 7.00" / 200 mm L

CABLE STRAP

3шт.

18

84389501

HOSE ASSY.,10mm ID x 850mm L, SAE 100R2

Length 850 mm, Pilot

1шт.

19

5185513

O-RING,1.78mm Thk x 18.77mm ID, 85 Duro

1шт.

20

14438185

O-RING,24mm ID x 3mm

1шт.

21

5185509

O-RING,1.78mm Thk x 7.66mm ID, 85 Duro

1шт.

22

14437685

O-RING,9.30mm ID x 2.40mm

1шт.

23

86579690

ELBOW,90 Degree, 13/16"-18 ORFS x M16 x 1.5 ORB

1шт.

24

5185510

O-RING,1.78mm Thk x 9.25mm ID, 85 Duro

1шт.

25

14437785

O-RING,11.3mm ID x 2.4mm

1шт.

26

86598100

O-RING,2.2mm Thk x 13.3mm ID, Cl 6, 90 Duro

1шт.

27

87520009

FLEXIBLE HOSE

Length 950 mm, Pilot Return

1шт.

28

16040821

BOLT,Hex, M10 x 1.5 x 40mm, Cl 8.8, Full Thd

3шт.

29

5185548

ELBOW,M14 x 1.5mm ORB, 13/16"-16" ORFS

1шт.

30

5185511

O-RING,1.78mm Thk x 12.42mm ID, 85 Duro

1шт.

31

5194728

90 ELBOW

1шт.

32

5185512

O-RING,0.07" Thk x 0.614" ID, -16, Cl 6, 90 Duro

1шт.

33

14438085

O-RING,19.3mm ID x 2.4mm

1шт.

34

5196844

HYD CONNECTOR

(Not Shown)

1шт.

35

82016749

PLUG,11/16-16 ORFS

(Not Shown)

1шт.

36

86598099

O-RING,2.2mm Thk x 11.3mm ID, Cl 6

1шт.

37

9993141

O-RING,0.07" Thk x 0.364" ID, -12, Cl 6, 90 Duro

1шт.

38

83964601

MOLDING,164mm L

1шт.

39

87016915

TEE,1-3/16"-12 ORFS x 13.9mm ORB

For Use with Suspended Front Axle (Not Shown)

1шт.

40

82036856

MOLDING,355mm L

Length 355 mm

1шт.

41

82869674

MOLDING,88.5mm L

Length 88.5 mm

1шт.

42

84989412

ELBOW,90 Degree, 1-3/16-12 ORFS x 1-3/16"-12 Fem Sw

For Use with Suspended Front Axle (Not Shown)

1шт.

Выбрано товаров: 48